| Номер на схеме | Каталожный номер | Название | Количество | Детали | |||
|---|---|---|---|---|---|---|---|
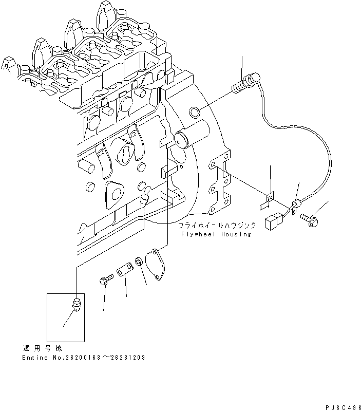
| ? | 02721-00813 | PLUG | 1 | SN: 26200163-26231209 |
|||
| ? | 01435-00825 | BOLT | 1 | SN: 26200163- |
|||
| ? | 6301-11-4630 | PLATE | 1 | SN: 26200163- |
|||
| ? | 6110-23-6490 | SPACER | 1 | SN: 26200163- |
|||
| ? | 7861-92-2310 | SENSOR,REVOLUTION | 1 | SN: 26200163- |
|||
| ? | 08053-01512 | CLIP | 1 | SN: 26200163- |
|||
| ? | 08036-10614 | CLIP | 1 | SN: 26200163- |
|||
| ? | 01435-01220 | BOLT | 1 | SN: 26200163- |