k-part
Номер на схеме Каталожный номер Название Количество Детали
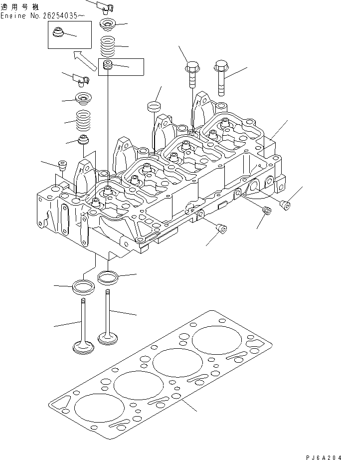
? 6732-11-1010 HEAD ASS'Y 1
SN: 26200163-
? • HEAD 1
SN: 26281221-
? • HEAD 1
SN: 26200163-26281220
? 6736-11-1150 • PLUG 3
SN: 26200163-
? 6732-11-1170 • INSERT,EXHAUST 4
SN: 26200163-
? 6732-11-1180 • INSERT,INTAKE 4
SN: 26200163-
? 6732-11-1910 • PLUG 5
SN: 26200163-
? 6732-11-1930 • PLUG 2
SN: 26200163-
? 6732-41-4530 SEAL,EXHAUST 4
SN: 26200163-26254034
? 6732-41-4540 SEAL 8
SN: 26254035-
? 6732-41-4540 SEAL,INTAKE 4
SN: 26200163-26254034
? 6736-41-4110 INTAKE VALVE ASS'Y 4
SN: 26200163-
? • VALVE 1
SN: 26200163-
? 6732-41-4520 • COTTER 2
SN: 26200163-
? 6736-41-4210 EXHAUST VALVE ASS'Y 4
SN: 26200163-
? • VALVE 1
SN: 26200163-
? 6732-41-4520 • COTTER 2
SN: 26200163-
? 6732-41-4410 SPRING 8
SN: 26200163-
? 6731-41-4510 RETAINER 8
SN: 26254035-
? □6732-41-4510 RETAINER 8
SN: 26200163-26254034
? 6732-11-1610 BOLT 4
SN: 26200163-
? 6732-11-1620 BOLT 10
SN: 26200163-
? 6732-11-1151 GASKET 1
SN: 26238879-
? REFER TO FIG. NOS. OF REPAIR PARTS FOR O.S.¤ U.S.¤ AND SERVICE PARTS.

Engines Komatsu / S4D102E-1J S/N 26200163-UP(s4d1026c) / CYLINDER HEAD(#26238879-)(030020 : A1009-01A1)
?
?
?
?
?
?
?
?
?
?
?
?
?
?
?
?
?
?
?
?
?
?