| Номер на схеме | Каталожный номер | Название | Количество | Детали | |||
|---|---|---|---|---|---|---|---|
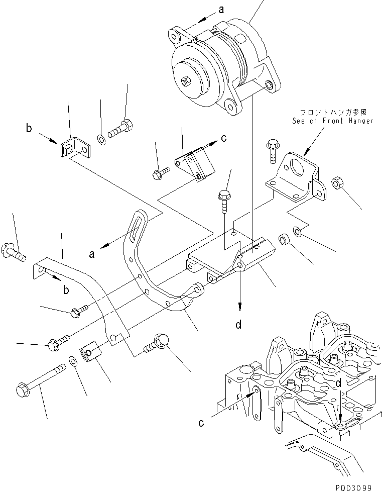
| ? | (600-825-3750) | ALTERNATOR A. (35A),(SEE FIG.A6010-02A2) | 1 | SN: 26203202- |
|||
| ? | 6210-81-6390 | BOLT | 1 | SN: 26203202- |
|||
| ? | 01582-11210 | NUT | 1 | SN: 26203202- |
|||
| ? | 01643-31232 | WASHER | 2 | SN: 26203202- |
|||
| ? | 6150-81-6960 | SPACER | 1 | SN: 26203202- |
|||
| ? | 6732-81-6910 | BRACKET | 1 | SN: 26203202- |
|||
| ? | 01435-01045 | BOLT | 1 | SN: 26203202- |
|||
| ? | 6732-81-6930 | PLATE | 1 | SN: 26203202- |
|||
| ? | 01435-01025 | BOLT | 2 | SN: 26203202- |
|||
| ? | 6732-81-6920 | BRACKET | 1 | SN: 26203202- |
|||
| ? | 01435-00820 | BOLT | 4 | SN: 26203202- |
|||
| ? | 6732-81-6960 | COVER | 1 | SN: 26203202- |
|||
| ? | 154-49-51640 | BRACKET | 2 | SN: 26203202- |
|||
| ? | 01435-01220 | BOLT | 2 | SN: 26203202- |
|||
| ? | 01050-31235 | BOLT | 1 | SN: 26203202- |
|||
| ? | 01643-31232 | WASHER | 1 | SN: 26203202- |