k-part
Номер на схеме Каталожный номер Название Количество Детали
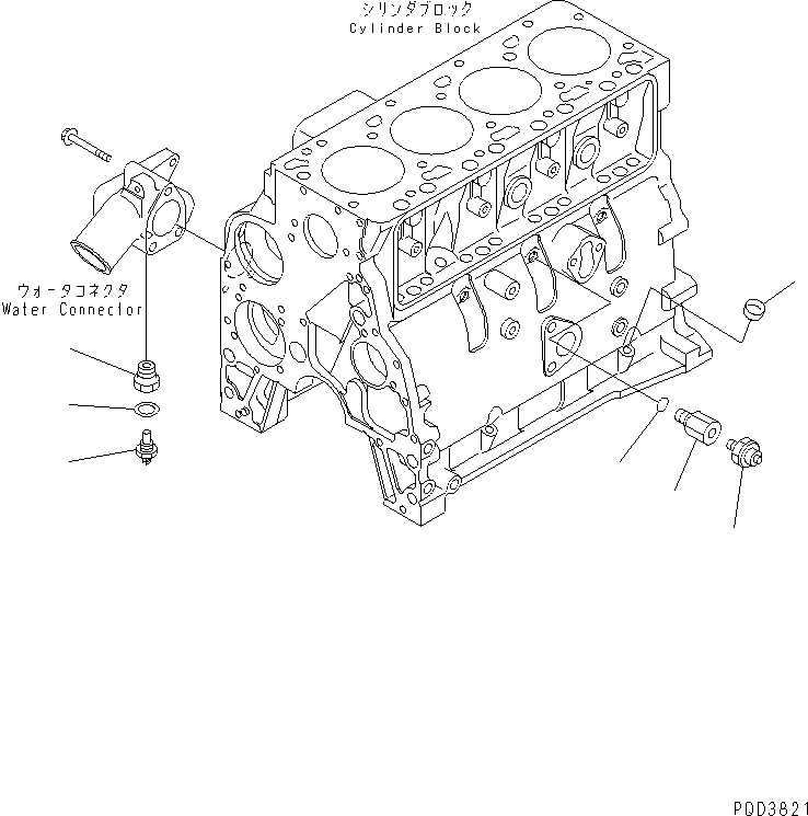
? 6732-21-5530 PLUG 1
SN: 26226525-
? 08073-10505 SWITCH,OIL PRESSURE 1
SN: 26226525-
? 6732-81-3170 ADAPTER 1
SN: 26226525-
? 6215-81-9710 O-RING 1
SN: 26226525-
? 6732-61-8110 NIPPLE 1
SN: 26226525-
? 600-815-7361 SENSOR,WATER TEMPERATURE 1
SN: 26226525-
? 07005-01612 GASKET 1
SN: 26226525-

Engines Komatsu / S4D102E-1N-D S/N 26200163-UP(s4d1029c) / OIL PRESSURE SWITCH AND WATER TEMPERATURE SENSOR(#26226525-)(030200 : A2010-01A8)
?
?
?
?
?
?
?