| Номер на схеме | Каталожный номер | Название | Количество | Детали | |||
|---|---|---|---|---|---|---|---|
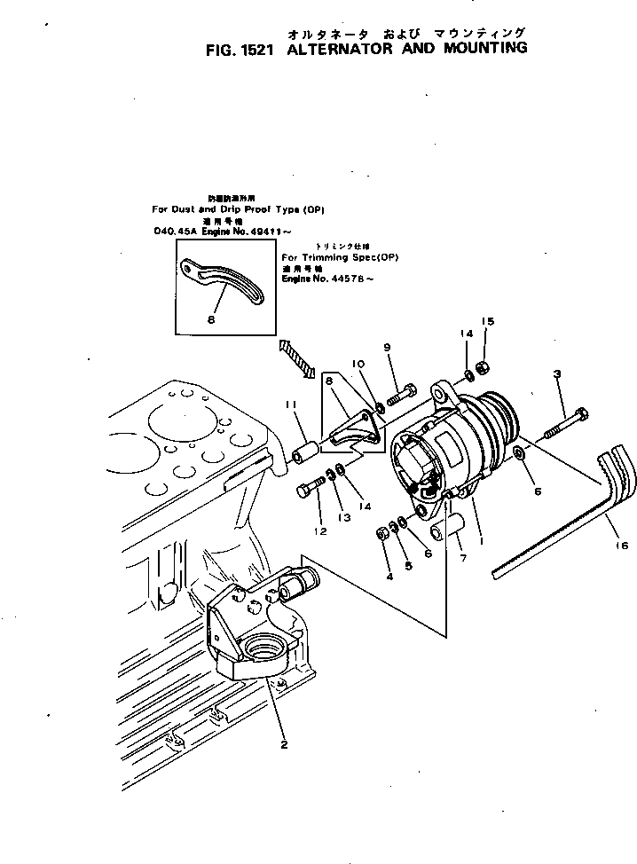
| ? | (600-821-5450) | ALTERNATOR A. (25A),(SEE FIG.1541) | 1 | SN: 44579- KIT-FLAG: _- SERIALNO: 44579- |
|||
| ? | (600-821-3571) | ALTERNATOR A. (13A),(DUST AND DRIP PROOF TYPE) | 1 | SN: .- KIT-FLAG: _- SERIALNO: .- |
|||
| ? | (600-821-3570) | ALTERNATOR A. (13A),(DUST AND DRIP PROOF TYPE) | 1 | SN: 44579-. KIT-FLAG: _- SERIALNO: 44579-. |
|||
| ? | 600-821-3560 | ALTERNATOR A. (13A),(FOR TRIMMING DOZER) | 1 | SN: 44579- KIT-FLAG: _- SERIALNO: 44579- |
|||
| ? | (6131-22-3741) | BRACKET,FRONT, R.H. | 1 | SN: 56442- KIT-FLAG: _- SERIALNO: 56442- |
|||
| ? | ▩6131-22-3740 | BRACKET,FRONT, R.H. | 1 | SN: 44579-56441 KIT-FLAG: _- SERIALNO: 44579-56441 |
|||
| ? | (6131-22-3741,6131-22-3940) | SERIALNO: |
|||||
| ? | 01051-31425 | BOLT | 1 | SN: 44579- KIT-FLAG: _- SERIALNO: 44579- |
|||
| ? | 01582-01411 | NUT | 1 | SN: 44579- KIT-FLAG: _- SERIALNO: 44579- |
|||
| ? | 01602-01442 | WASHER,SPRING | 1 | SN: 44579- KIT-FLAG: _- SERIALNO: 44579- |
|||
| ? | 01641-21423 | WASHER | 2 | SN: 44579- KIT-FLAG: _- SERIALNO: 44579- |
|||
| ? | 6130-22-3940 | SPACER | 1 | SN: 44579- KIT-FLAG: _- SERIALNO: 44579- |
|||
| ? | 6130-22-6730 | PLATE,ADJUST | 1 | SN: 44579- KIT-FLAG: _- SERIALNO: 44579- |
|||
| ? | 6131-22-6740 | PLATE,(DUST,DRIP PROOF, TRIMMING S.) | 1 | SN: 44579- KIT-FLAG: _- SERIALNO: 44579- |
|||
| ? | (01010-31065) | BOLT | 1 | SN: 44579- KIT-FLAG: _- SERIALNO: 44579- |
|||
| ? | 01602-01030 | WASHER,SPRING | 1 | SN: 44579- KIT-FLAG: _- SERIALNO: 44579- |
|||
| ? | 6130-22-6760 | SPACER | 1 | SN: 44579- KIT-FLAG: _- SERIALNO: 44579- |
|||
| ? | 01010-31040 | BOLT | 1 | SN: 44579- KIT-FLAG: _- SERIALNO: 44579- |
|||
| ? | 01010-31230 | BOLT,(DUST,DRIP PROOF, TRIMMING S.) | 1 | SN: 44579- KIT-FLAG: _- SERIALNO: 44579- |
|||
| ? | 01602-01236 | WASHER,(DUST,DRIP PROOF, TRIMMING S.) | 1 | SN: 44579- KIT-FLAG: _- SERIALNO: 44579- |
|||
| ? | 01643-31032 | WASHER | 2 | SN: 44579- KIT-FLAG: _- SERIALNO: 44579- |
|||
| ? | 01643-31232 | WASHER,(DUST,DRIP PROOF, TRIMMING S.) | 2 | SN: 44579- KIT-FLAG: _- SERIALNO: 44579- |
|||
| ? | 01580-01008 | NUT | 1 | SN: 44579- KIT-FLAG: _- SERIALNO: 44579- |
|||
| ? | 01580-01210 | NUT,(DUST,DRIP PROOF, TRIMMING S.) | 1 | SN: 44579- KIT-FLAG: _- SERIALNO: 44579- |
|||
| ? | (04121-21754) | V-BELT SET | 1 | SN: 44579- KIT-FLAG: _- SERIALNO: 44579- |
|||
| ? | (04121-21755) | V-BELT SET,(DUST,DRIP PROOF, TRIMMING S.) | 1 | SN: 44579- KIT-FLAG: _- SERIALNO: 44579- |
|||
| ? | (600-022-2110) | PLATE, CAUTION,(NOT SHOWN) | 1 | SN: 44579- KIT-FLAG: _- SERIALNO: 44579- |
|||
| ? | (600-022-2130) | PLATE, CAUTION,(ENGLISH) (NOT SHOWN) | 1 | SN: 49411- KIT-FLAG: _- SERIALNO: 49411- |
