k-part
Номер на схеме Каталожный номер Название Количество Детали
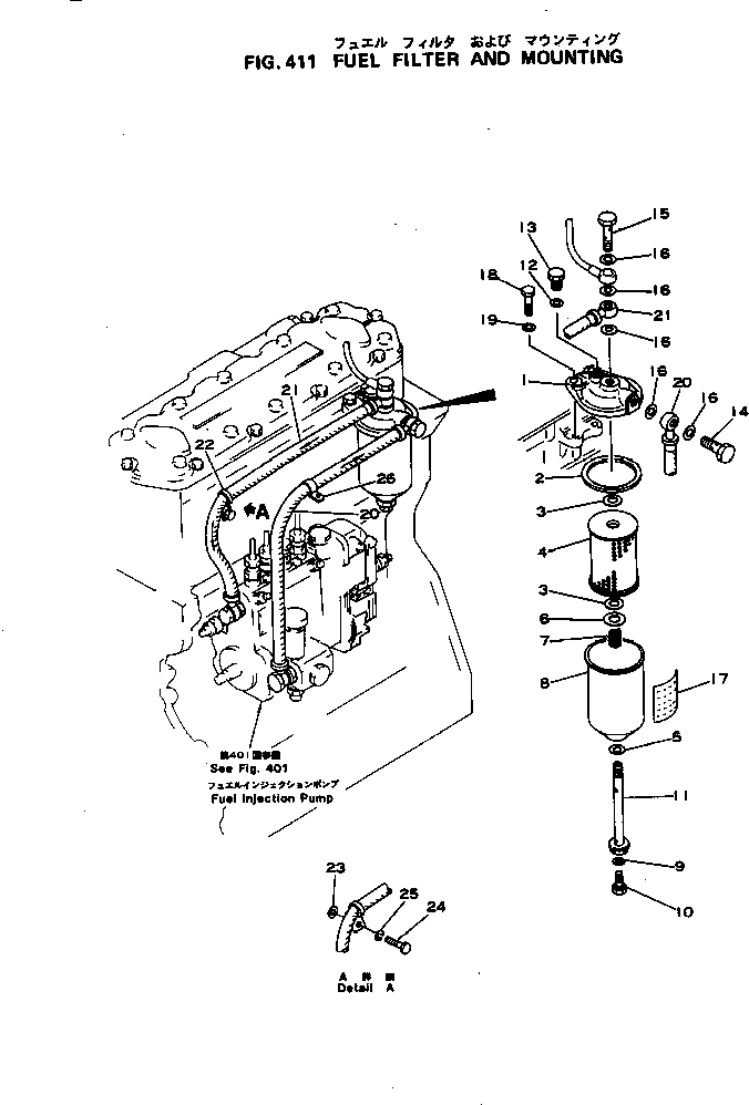
? 6130-71-6102 FUEL FILTER ASS'Y 1
SN: 22068-
KIT-FLAG: _-
SERIALNO: 22068-
? 600-311-6110 • COVER 1
SN: 22068-
KIT-FLAG: _-
SERIALNO: 22068-
? 6130-70-8010 • ELEMENT ASS'Y 1
SN: 22068-
KIT-FLAG: _-
SERIALNO: 22068-
? 600-311-6310 • • GASKET 1
SN: 22068-
KIT-FLAG: _-
SERIALNO: 22068-
? 600-311-6320 • • GASKET 2
SN: 22068-
KIT-FLAG: _-
SERIALNO: 22068-
? • • ELEMENT 1
SN: 22068-
KIT-FLAG: _-
SERIALNO: 22068-
? 600-311-6410 • • GASKET 1
SN: 22068-
KIT-FLAG: _-
SERIALNO: 22068-
? 600-311-6530 • RETAINER 1
SN: 22068-
KIT-FLAG: _-
SERIALNO: 22068-
? 600-311-6520 • SPRING 1
SN: 22068-
KIT-FLAG: _-
SERIALNO: 22068-
? 600-311-8120 • BODY 1
SN: 22068-
KIT-FLAG: _-
SERIALNO: 22068-
? 07005-00812 • GASKET 1
SN: 22068-
KIT-FLAG: _-
SERIALNO: 22068-
? 600-311-6720 • PLUG 1
SN: 22068-
KIT-FLAG: _-
SERIALNO: 22068-
? 600-311-8510 • BOLT 1
SN: 22068-
KIT-FLAG: _-
SERIALNO: 22068-
? 07005-01412 • GASKET 1
SN: 22068-
KIT-FLAG: _-
SERIALNO: 22068-
? 600-311-6710 • PLUG 1
SN: 22068-
KIT-FLAG: _-
SERIALNO: 22068-
? 6127-71-5710 BOLT,JOINT 1
SN: 22068-
KIT-FLAG: _-
SERIALNO: 22068-
? 07206-11014 BOLT,JOINT 1
SN: 22068-
KIT-FLAG: _-
SERIALNO: 22068-
? 07005-01412 GASKET (K2) 5
SN: 22068-
KIT-FLAG: _-
SERIALNO: 22068-
? 600-311-8910 PLATE, CAUTION 1
SN: 22068-
KIT-FLAG: _-
SERIALNO: 22068-
? 01010-31035 BOLT 2
SN: 22068-
KIT-FLAG: _-
SERIALNO: 22068-
? 01602-01030 WASHER,SPRING 2
SN: 22068-
KIT-FLAG: _-
SERIALNO: 22068-
? 6131-71-5610 HOSE 1
SN: 22068-
KIT-FLAG: _-
SERIALNO: 22068-
? 6130-71-5621 HOSE 1
SN: 22068-
KIT-FLAG: _-
SERIALNO: 22068-
? 6130-71-6411 CLIP 1
SN: .-
KIT-FLAG: _-
SERIALNO: .-
? □6130-71-6410 CLIP 1
SN: 22068-.
KIT-FLAG: _-
SERIALNO: 22068-.

Engines Komatsu / S4D105-1D S/N 22068-UP(s4d1058c) / FUEL FILTER AND MOUNTING(120020 : 411)