k-part
Номер на схеме Каталожный номер Название Количество Детали
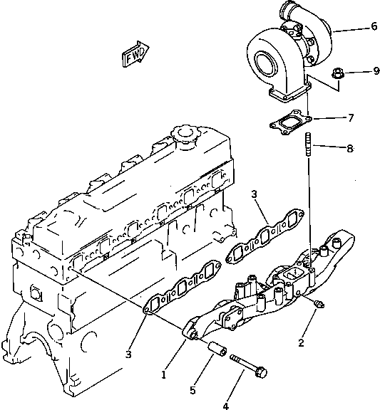
? 6207-11-5140 MANIFOLD,EXHAUST 1
SN: 29222-
KIT-FLAG: _-
SERIALNO: 29222-
? 07042-20108 PLUG 1
SN: 29222-
KIT-FLAG: _-
SERIALNO: 29222-
? 6207-11-5810 GASKET (K1) 2
SN: 29222-
KIT-FLAG: _-
SERIALNO: 29222-
? 01435-01090 BOLT 12
SN: 29222-
KIT-FLAG: _-
SERIALNO: 29222-
? 6134-11-5120 SPACER 12
SN: 29222-
KIT-FLAG: _-
SERIALNO: 29222-
? (6206-81-8120) TURBOCHARGER ASS'Y,(SEE FIG.0155) 1
SN: 29222-
KIT-FLAG: _-
SERIALNO: 29222-
? 6207-11-5580 GASKET (K1) 1
SN: 29222-
KIT-FLAG: _-
SERIALNO: 29222-
? 01140-61025 STUD 4
SN: 29222-
KIT-FLAG: _-
SERIALNO: 29222-
? 6142-12-5850 NUT 4
SN: 29222-
KIT-FLAG: _-
SERIALNO: 29222-

Engines Komatsu / 6D95L-1AA S/N 29222-UP(6d95l-9c) / EXHAUST MANIFOLD AND TURBOCHARGER (HIGH ALTITUDE SPEC.)(030140 : 0153)