| Номер на схеме | Каталожный номер | Название | Количество | Детали | |||
|---|---|---|---|---|---|---|---|
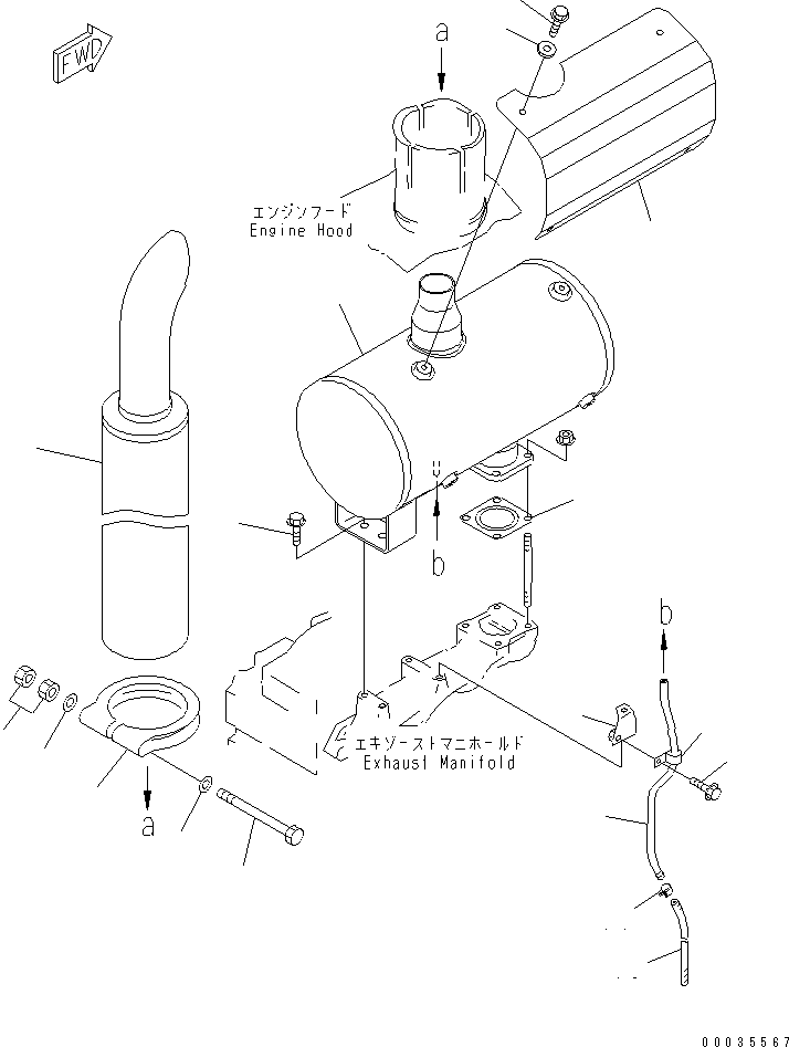
| ? | 6206-11-5320 | MUFFLER | 1 | SN: 147816- KIT-FLAG: _- SERIALNO: 147816- |
|||
| ? | 6130-12-5580 | GASKET (K1) | 1 | SN: 147816- KIT-FLAG: S- SERIALNO: 147816- |
|||
| ? | 01435-01020 | BOLT | 2 | SN: 147816- KIT-FLAG: _- SERIALNO: 147816- |
|||
| ? | 6206-11-5740 | PIPE,EXHAUST | 1 | SN: 147816- KIT-FLAG: _- SERIALNO: 147816- |
|||
| ? | 6134-12-5910 | CLAMP | 1 | SN: 147816- KIT-FLAG: _- SERIALNO: 147816- |
|||
| ? | 6151-11-5670 | WASHER | 2 | SN: 147816- KIT-FLAG: _- SERIALNO: 147816- |
|||
| ? | 6114-11-5920 | BOLT | 1 | SN: 147816- KIT-FLAG: _- SERIALNO: 147816- |
|||
| ? | 01582-11411 | NUT | 2 | SN: 147816- KIT-FLAG: _- SERIALNO: 147816- |
|||
| ? | 6206-11-5430 | TUBE | 1 | SN: 147816- KIT-FLAG: _- SERIALNO: 147816- |
|||
| ? | 6206-11-5460 | BRACKET | 1 | SN: 147816- KIT-FLAG: _- SERIALNO: 147816- |
|||
| ? | 01435-00816 | BOLT | 1 | SN: 167441- KIT-FLAG: _- SERIALNO: 167441- |
|||
| ? | □01435-20816 | BOLT | 1 | SN: 147816-167440 KIT-FLAG: _- SERIALNO: 147816-167440 |
|||
| ? | 6112-53-7760 | CLAMP | 1 | SN: 147816- KIT-FLAG: _- SERIALNO: 147816- |
|||
| ? | 07260-20925 | HOSE | 1 | SN: 147816- KIT-FLAG: _- SERIALNO: 147816- |
|||
| ? | 07285-00155 | CLIP | 1 | SN: 147816- KIT-FLAG: _- SERIALNO: 147816- |
|||
| ? | 6206-11-5390 | COVER | 1 | SN: 147816- KIT-FLAG: _- SERIALNO: 147816- |
|||
| ? | 01435-00814 | BOLT | 4 | SN: 147816- KIT-FLAG: _- SERIALNO: 147816- |
|||
| ? | 6201-81-6560 | SPACER | 4 | SN: 147816- KIT-FLAG: _- SERIALNO: 147816- |