| Номер на схеме | Каталожный номер | Название | Количество | Детали | |||
|---|---|---|---|---|---|---|---|
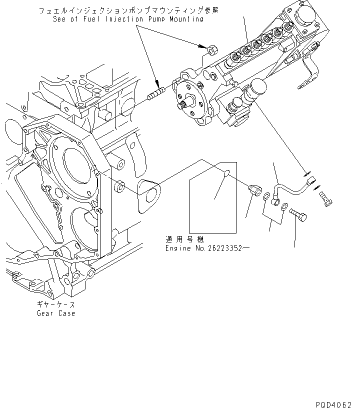
| ? | (6735-71-1141) | INJECTION PUMP ASS'Y,(SEE FIG.A401P-02F2) | 1 | SN: 26202240- KIT-FLAG: _- SERIALNO: 26202240- |
|||
| ? | (6735-71-1140) | INJECTION PUMP ASS'Y,(SEE FIG.A401P-02F2) | 1 | SN: 26201318-26202239 KIT-FLAG: _- SERIALNO: 26201318-26202239 |
|||
| ? | 6732-71-5450 | NIPPLE | 1 | SN: 26223352- KIT-FLAG: _- SERIALNO: 26223352- |
|||
| ? | □6162-53-9340 | NIPPLE | 1 | SN: 26201318-26223351 KIT-FLAG: _- SERIALNO: 26201318-26223351 |
|||
| ? | 07206-30710 | BOLT,JOINT | 1 | SN: 26201318- KIT-FLAG: _- SERIALNO: 26201318- |
|||
| ? | 07005-01012 | SEAL, WASHER (K2) | 2 | SN: 26201318- KIT-FLAG: S- SERIALNO: 26201318- |
|||
| ? | 6735-71-5411 | TUBE,OIL | 1 | SN: 26201318- KIT-FLAG: _- SERIALNO: 26201318- |
|||
| ? | 6215-81-9710 | O-RING | 1 | SN: 26223352- KIT-FLAG: S- SERIALNO: 26223352- |