| Номер на схеме | Каталожный номер | Название | Количество | Детали | |||
|---|---|---|---|---|---|---|---|
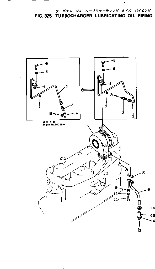
| ? | (6137-81-8301) | TURBOCHARGER ASS'Y,(SEE FIG.141) | 1 | SN: 12817- |
|||
| ? | (6137-81-8300) | TURBOCHARGER ASS'Y,(SEE FIG.141) | 1 | SN: 11370-12816 |
|||
| ? | 6137-51-7630 | PIPE,INLET | 1 | SN: 11370- |
|||
| ? | 07214-51013 | CONNECTOR | 1 | SN: 11370- |
|||
| ? | 6137-51-7690 | ELBOW | 1 | SN: 11370- |
|||
| ? | 07000-62018 | O-RING (K2) | 1 | SN: 11370- |
|||
| ? | 01010-30822 | BOLT | 2 | SN: 11370- |
|||
| ? | 01602-00825 | WASHER,SPRING | 2 | SN: 11370- |
|||
| ? | 6127-51-8240 | CLIP | 1 | SN: 11370- |
|||
| ? | 6131-12-5920 | SPACER | 2 | SN: 11370- |
|||
| ? | 6137-51-7620 | PIPE,OUTLET | 1 | SN: 11370- |
|||
| ? | 6131-51-7681 | GASKET (K2) | 1 | SN: 11370- |
|||
| ? | 01010-31035 | BOLT | 2 | SN: .- |
|||
| ? | 01010-31025 | BOLT | 2 | SN: 11370-. |
|||
| ? | 01602-01030 | WASHER,SPRING | 2 | SN: 11370- |
|||
| ? | 07260-22008 | HOSE | 1 | SN: 11370- |
|||
| ? | 07281-00359 | CLAMP | 2 | SN: 11370- |
