k-part
Номер на схеме Каталожный номер Название Количество Детали
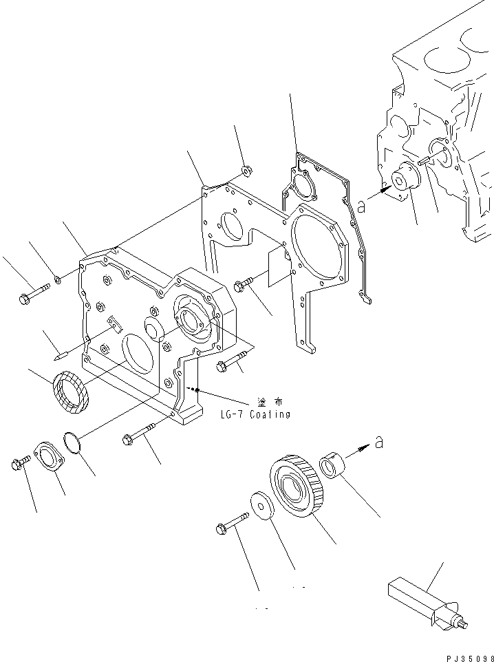
? 6204-21-3211 PLATE,FRONT 1
SN: 69729-
KIT-FLAG: _-
SERIALNO: 69729-
? ♦6206-21-3210 PLATE,FRONT 1
SN: 35360-69728
KIT-FLAG: _-
SERIALNO: 35360-69728
? 6206-21-3830 GASKET (K2) 1
SN: 35360-
KIT-FLAG: _-
SERIALNO: 35360-
? 01435-20816 BOLT 2
SN: 35360-
KIT-FLAG: _-
SERIALNO: 35360-
? 6204-21-3112 COVER,FRONT 1
SN: 56709-
KIT-FLAG: _-
SERIALNO: 56709-
? □6204-21-3111 COVER,FRONT 1
SN: 35360-56708
KIT-FLAG: _-
SERIALNO: 35360-56708
? 6204-21-3850 POINTER 1
SN: 35360-
KIT-FLAG: _-
SERIALNO: 35360-
? 01435-20855 BOLT 13
SN: 35360-
KIT-FLAG: _-
SERIALNO: 35360-
? 01641-20812 WASHER 1
SN: 35360-
KIT-FLAG: _-
SERIALNO: 35360-
? 01584-00806 NUT 2
SN: 35360-
KIT-FLAG: _-
SERIALNO: 35360-
? 01435-20870 BOLT 2
SN: 35360-
KIT-FLAG: _-
SERIALNO: 35360-
? 6204-21-3510 SEAL, FRONT (K2) 1
SN: 35360-
KIT-FLAG: _-
SERIALNO: 35360-
? 6206-31-6301 IDLER GEAR ASS'Y 1
SN: 35360-
KIT-FLAG: _-
SERIALNO: 35360-
? • GEAR,IDLER 1
SN: 35360-
KIT-FLAG: _-
SERIALNO: 35360-
? 6204-31-6341 • BUSHING 1
SN: 35360-
KIT-FLAG: _-
SERIALNO: 35360-
? 6204-31-6331 SHAFT 1
SN: 35360-
KIT-FLAG: _-
SERIALNO: 35360-
? 04025-00512 PIN,SPRING 1
SN: 35360-
KIT-FLAG: _-
SERIALNO: 35360-
? 6204-31-6350 WASHER 1
SN: 35360-
KIT-FLAG: _-
SERIALNO: 35360-
? 01435-01270 BOLT 1
SN: 35360-
KIT-FLAG: _-
SERIALNO: 35360-
? 6144-81-5151 COVER 1
SN: 35360-
KIT-FLAG: _-
SERIALNO: 35360-
? 07000-03050 O-RING (K2) 1
SN: 35360-
KIT-FLAG: _-
SERIALNO: 35360-
? 01435-20616 BOLT 2
SN: 35360-
KIT-FLAG: _-
SERIALNO: 35360-
? (09920-00150) LIQUID GASKET,LG-7, 150G A/R
SN: 35360-
KIT-FLAG: _-
SERIALNO: 35360-

Engines Komatsu / S6D95L-1U-C S/N 35360-UP(s6d95l3c) / FRONT COVER AND GEAR(060020 : 0205)
?
?
?
?
?
?
?
?
?
?
?
?
?
?
?
?
?
?
?
?
?