| Номер на схеме | Каталожный номер | Название | Количество | Детали | |||
|---|---|---|---|---|---|---|---|
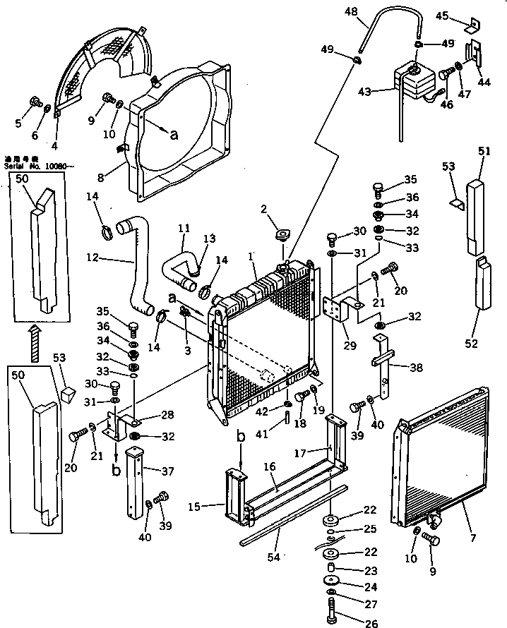
| ? | 203-03-41112 | CORE ASS'Y | 1 | SN: 10001- |
|||
| ? | 203-03-41280 | CAP | 1 | SN: 10001- |
|||
| ? | 205-03-62660 | PLUG | 1 | SN: 10001- |
|||
| ? | 07000-01007 | • O-RING | 1 | SN: 10001- |
|||
| ? | 203-03-41141 | GUARD | 1 | SN: 10001- |
|||
| ? | 01010-51020 | BOLT | 3 | SN: 10001- |
|||
| ? | 01643-31032 | WASHER | 3 | SN: 10001- |
|||
| ? | 203-03-41380 | OIL COOLER ASS'Y | 1 | SN: 10001- |
|||
| ? | 203-03-41132 | SHROUD | 1 | SN: 10001- |
|||
| ? | 01010-50816 | BOLT | 10 | SN: 10001- |
|||
| ? | 01643-30823 | WASHER | 10 | SN: 10001- |
|||
| ? | 203-03-41212 | HOSE | 1 | SN: 10001- |
|||
| ? | 203-03-41224 | HOSE | 1 | SN: 10001- |
|||
| ? | 07281-00489 | CLAMP | 1 | SN: 10001- |
|||
| ? | 208-09-11110 | CLAMP | 3 | SN: 10145- |
|||
| ? | 07281-00609 | CLAMP | 3 | SN: 10001-10144 |
|||
| ? | 203-03-41391 | BRACKET | 1 | SN: 10001- |
|||
| ? | 203-03-41490 | SHEET | 1 | SN: 10001- |
|||
| ? | 203-03-41520 | SHEET | 2 | SN: 10001- |
|||
| ? | 01010-51020 | BOLT | 2 | SN: 10001- |
|||
| ? | 01643-31032 | WASHER | 2 | SN: 10001- |
|||
| ? | 01010-50820 | BOLT | 8 | SN: 10001- |
|||
| ? | 01602-20825 | WASHER,SPRING | 8 | SN: 10001- |
|||
| ? | 205-03-62680 | CUSHION | 4 | SN: 10001- |
|||
| ? | 205-03-71330 | COLLAR | 2 | SN: 10001- |
|||
| ? | 205-03-71340 | PLATE | 2 | SN: 10001- |
|||
| ? | 07000-03022 | O-RING | 2 | SN: 10001- |
|||
| ? | 01010-51270 | BOLT | 2 | SN: 10001- |
|||
| ? | 01643-31232 | WASHER | 2 | SN: 10001- |
|||
| ? | 203-03-41422 | BRACKET | 1 | SN: 10001- |
|||
| ? | 203-03-41432 | BRACKET | 1 | SN: 10001- |
|||
| ? | 01010-51020 | BOLT | 4 | SN: 10001- |
|||
| ? | 01643-31032 | WASHER | 4 | SN: 10001- |
|||
| ? | 203-62-42770 | CUSHION | 4 | SN: 10001- |
|||
| ? | 07000-03025 | O-RING | 2 | SN: 10001- |
|||
| ? | 203-03-41570 | COLLAR | 2 | SN: 10001- |
|||
| ? | 01010-51020 | BOLT | 2 | SN: 10001- |
|||
| ? | 01643-31232 | WASHER | 2 | SN: 10001- |
|||
| ? | 203-03-41351 | BRACKET | 1 | SN: 10001- |
|||
| ? | 203-03-41342 | BRACKET | 1 | SN: 10001- |
|||
| ? | 01010-51025 | BOLT | 4 | SN: 10001- |
|||
| ? | 01643-31032 | WASHER | 4 | SN: 10001- |
|||
| ? | 203-03-41411 | HOSE | 1 | SN: 10001- |
|||
| ? | 07280-01010 | CLAMP | 1 | SN: 10001- |
|||
| ? | 203-03-41580 | TANK | 1 | SN: 10001- |
|||
| ? | 203-03-41620 | BRACKET | 1 | SN: 10001- |
|||
| ? | 203-03-41630 | PLATE | 1 | SN: 10001- |
|||
| ? | 01010-50616 | BOLT | 3 | SN: 10001- |
|||
| ? | 01643-30623 | WASHER | 3 | SN: 10001- |
|||
| ? | 203-03-41261 | HOSE | 1 | SN: 10001- |
|||
| ? | 07280-01210 | CLAMP | 2 | SN: 10001- |
|||
| ? | 202-966-4610 | SHEET | 1 | SN: 10080- |
|||
| ? | 203-03-41451 | SHEET | 1 | SN: 10001-10079 |
|||
| ? | 203-03-41461 | SHEET | 1 | SN: 10001- |
|||
| ? | 203-03-41471 | SHEET | 1 | SN: 10001- |
|||
| ? | 203-03-41480 | SHEET | 2 | SN: 10001- |
|||
| ? | 203-03-41510 | SHEET | 1 | SN: 10001- |
