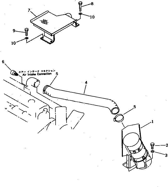
k-part
Номер на схеме Каталожный номер Название Количество Детали
? 203-01-42153 BRACKET 1
SN: 10001-
? 01010-51020 BOLT 3
SN: 10001-
? 01643-31032 WASHER 3
SN: 10001-
? 203-01-41212 HOSE 1
SN: 10001-
? 07281-01029 CLAMP 2
SN: 10001-
? 08670-02001 INDICATOR,DUST 1
SN: 10138-
? ♦08670-01635 INDICATOR,DUST 1
SN: 10001-10137
? 203-01-41263 STEP 1
SN: 10001-
? 01010-51070 BOLT 2
SN: 10001-
? 01010-51025 BOLT 2
SN: 10001-
? 01643-31032 WASHER 4
SN: 10001-

Excavators Komatsu / PF3-1 S/N 10001-UP(pf3-1r) / AIR CLEANER CONNECTION(030040 : 1051)