| Номер на схеме | Каталожный номер | Название | Количество | Детали | |||
|---|---|---|---|---|---|---|---|
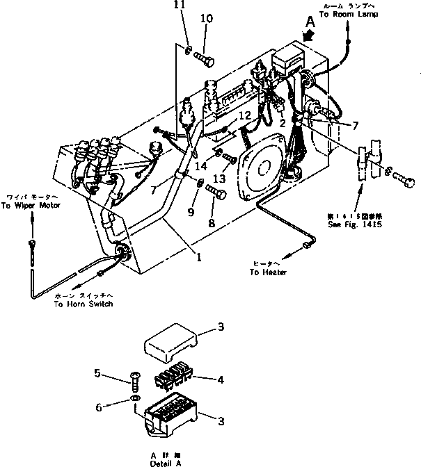
| ? | 203-06-41518 | WIRE ASS'Y | 1 | SN: 10001- |
|||
| ? | 22W-06-13590 | • DIODE | 1 | SN: 10001- |
|||
| ? | 205-06-71480 | • BOX,FUSE | 1 | SN: 10001- |
|||
| ? | 205-06-73180 | • FUSE ? 15A | 9 | SN: 10001- |
|||
| ? | 01220-40616 | SCREW | 2 | SN: 10001- |
|||
| ? | 01643-30623 | WASHER | 2 | SN: 10001- |
|||
| ? | 08036-01814 | CLIP | 2 | SN: 10001- |
|||
| ? | 01010-51016 | BOLT | 1 | SN: 10001- |
|||
| ? | 01602-21030 | WASHER,SPRING | 1 | SN: 10001- |
|||
| ? | 01010-50610 | BOLT | 1 | SN: 10001- |
|||
| ? | 01602-20619 | WASHER,SPRING | 1 | SN: 10001- |
|||
| ? | 08029-05630 | WIRE | 1 | SN: 10001- |
|||
| ? | 01220-40512 | SCREW | 1 | SN: 10001- |
|||
| ? | 01601-20513 | WASHER,SPRING | 1 | SN: 10001- |
