k-part
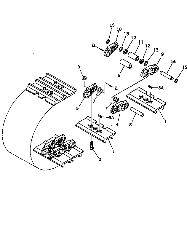
Номер на схеме Каталожный номер Название Количество Детали
? 710MM WIDE
SERIALNO:
? 21N-32-01005 TRACK SHOE ASS'Y 1
SN: 10257-
KIT-FLAG: _-
SERIALNO: 10257-
? □21N-32-01004 TRACK SHOE ASS'Y 1
SN: 10172-10256
KIT-FLAG: _-
SERIALNO: 10172-10256
? 21N-32-11113 • SHOE,TRACK 102
SN: 10001-
KIT-FLAG: _-
SERIALNO: 10001-
? 21N-32-11211 • BOLT (KIT) 408
SN: 10001-
KIT-FLAG: _-
SERIALNO: 10001-
? 195-32-41220 • NUT, SHOE (KIT) 408
SN: 10001-
KIT-FLAG: _-
SERIALNO: 10001-
? 19M-32-11450 • KEY 204
SN: 10172-
KIT-FLAG: _-
SERIALNO: 10172-
? 21N-32-00013 • TRACK LINK ASS'Y 1
SN: 10257-
KIT-FLAG: _-
SERIALNO: 10257-
? □21N-32-00012 • TRACK LINK ASS'Y 1
SN: 10081-10256
KIT-FLAG: _-
SERIALNO: 10081-10256
? 21N-32-11121 • • LINK,TRACK, L.H. 98
SN: 10001-
KIT-FLAG: _-
SERIALNO: 10001-
? 21N-32-11131 • • LINK,TRACK, R.H. 98
SN: 10001-
KIT-FLAG: _-
SERIALNO: 10001-
? 21N-32-11140 • • BUSHING,REGULAR 98
SN: 10257-
KIT-FLAG: _-
SERIALNO: 10257-
? □195-32-45140 • • BUSHING,REGULAR 98
SN: 10001-10256
KIT-FLAG: _-
SERIALNO: 10001-10256
? 195-32-45160 • • WASHER 392
SN: 10001-
KIT-FLAG: _-
SERIALNO: 10001-
? 21N-32-11151 • • PIN,REGULAR 98
SN: 10081-
KIT-FLAG: _-
SERIALNO: 10081-
? 21N-32-11221 • • LINK,MASTER, L.H. 4
SN: 10001-
KIT-FLAG: _-
SERIALNO: 10001-
? 21N-32-11231 • • LINK,MASTER, R.H. 4
SN: 10001-
KIT-FLAG: _-
SERIALNO: 10001-
? 21N-32-11370 • • BUSHING,MASTER 4
SN: 10257-
KIT-FLAG: _-
SERIALNO: 10257-
? □21N-32-11170 • • BUSHING,MASTER 4
SN: 10001-10256
KIT-FLAG: _-
SERIALNO: 10001-10256
? 21N-32-11251 • • SEAL,DUST 8
SN: 10001-
KIT-FLAG: _-
SERIALNO: 10001-
? 195-32-45160 • • WASHER 8
SN: 10001-
KIT-FLAG: _-
SERIALNO: 10001-
? 21N-32-11192 • • PIN,MASTER 4
SN: 10081-
KIT-FLAG: _-
SERIALNO: 10081-
? 21N-32-11240 • • RING,SNAP 8
SN: 10001-
KIT-FLAG: _-
SERIALNO: 10001-
? SERVICE KIT
SERIALNO:
? 21N-32-05001 SHOE BOLT AND NUT K. 1
SN: 10001-
KIT-FLAG: _-
SERIALNO: 10001-
? 21N-32-11211 • BOLT 30
SN: 10001-
KIT-FLAG: _-
SERIALNO: 10001-
? 195-32-41220 • NUT, SHOE 30
SN: 10001-
KIT-FLAG: _-
SERIALNO: 10001-
? OVERSIZE PARTS
SERIALNO:
? 0.10MM OVERSIZE
SERIALNO:
? 195-98-09670 BUSHING,REGULAR A/R
SN: 10001-
KIT-FLAG: _-
SERIALNO: 10001-
? 21N-98-09011 PIN,REGULAR A/R
SN: 10081-
KIT-FLAG: _-
SERIALNO: 10081-
? 21N-98-09130 BUSHING,MASTER A/R
SN: 10001-
KIT-FLAG: _-
SERIALNO: 10001-
? 21N-98-09171 PIN,MASTER A/R
SN: 10081-
KIT-FLAG: _-
SERIALNO: 10081-
? 0.18MM OVERSIZE
SERIALNO:
? 195-98-09680 BUSHING,REGULAR A/R
SN: 10001-
KIT-FLAG: _-
SERIALNO: 10001-
? 21N-98-09021 PIN,REGULAR A/R
SN: 10081-
KIT-FLAG: _-
SERIALNO: 10081-
? 21N-98-09140 BUSHING,MASTER A/R
SN: 10001-
KIT-FLAG: _-
SERIALNO: 10001-
? 21N-98-09181 PIN,MASTER A/R
SN: 10081-
KIT-FLAG: _-
SERIALNO: 10081-

Excavators Komatsu / PC1000SP-1 S/N 10001-UP(pc10000c) / TRACK SHOE (DOUBLE GROUSER)(#10172-)(090280 : 3621A)