| Номер на схеме | Каталожный номер | Название | Количество | Детали | |||
|---|---|---|---|---|---|---|---|
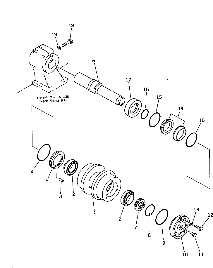
| ? | 21N-30-00030 | CARRIER ROLLER ASS'Y | 6 | SN: 10001- KIT-FLAG: _- SERIALNO: 10001- |
|||
| ? | 21N-30-15110 | • ROLLER,CARRIER | 1 | SN: 10001- KIT-FLAG: _- SERIALNO: 10001- |
|||
| ? | 06000-30216 | • BEARING,ROLLER | 2 | SN: 10001- KIT-FLAG: _- SERIALNO: 10001- |
|||
| ? | 04020-00616 | • PIN,DOWEL | 1 | SN: 10001- KIT-FLAG: _- SERIALNO: 10001- |
|||
| ? | 195-30-33190 | • O-RING | 1 | SN: 10001- KIT-FLAG: _- SERIALNO: 10001- |
|||
| ? | 198-30-35120 | • RING | 1 | SN: 10001- KIT-FLAG: _- SERIALNO: 10001- |
|||
| ? | 21N-30-15130 | • SHAFT | 1 | SN: 10001- KIT-FLAG: _- SERIALNO: 10001- |
|||
| ? | 180-30-15180 | • NUT | 1 | SN: 10001- KIT-FLAG: _- SERIALNO: 10001- |
|||
| ? | 180-30-15190 | • RING,SNAP | 1 | SN: 10001- KIT-FLAG: _- SERIALNO: 10001- |
|||
| ? | 07000-02135 | • O-RING | 1 | SN: 10001- KIT-FLAG: _- SERIALNO: 10001- |
|||
| ? | 198-30-35140 | • COVER | 1 | SN: 10001- KIT-FLAG: _- SERIALNO: 10001- |
|||
| ? | 07052-31624 | • PLUG | 1 | SN: 10001- KIT-FLAG: _- SERIALNO: 10001- |
|||
| ? | 01010-51230 | • BOLT | 3 | SN: 10001- KIT-FLAG: _- SERIALNO: 10001- |
|||
| ? | 01602-21236 | • WASHER | 3 | SN: 10001- KIT-FLAG: _- SERIALNO: 10001- |
|||
| ? | 205-30-00052 | • FLOATING SEAL ASS'Y | 1 | SN: 10001- KIT-FLAG: _- SERIALNO: 10001- |
|||
| ? | ☆ | • • RING,SEAL | 2 | SN: 10001- KIT-FLAG: _- SERIALNO: 10001- |
|||
| ? | ☆ | • • O-RING | 2 | SN: 10001- KIT-FLAG: _- SERIALNO: 10001- |
|||
| ? | 07000-02095 | • O-RING | 1 | SN: 10001- KIT-FLAG: _- SERIALNO: 10001- |
|||
| ? | 198-30-35180 | • RING | 1 | SN: 10001- KIT-FLAG: _- SERIALNO: 10001- |
|||
| ? | 01011-52400 | BOLT | 12 | SN: 10001- KIT-FLAG: _- SERIALNO: 10001- |
|||
| ? | 01643-32460 | WASHER | 12 | SN: 10001- KIT-FLAG: _- SERIALNO: 10001- |
