| Номер на схеме | Каталожный номер | Название | Количество | Детали | |||
|---|---|---|---|---|---|---|---|
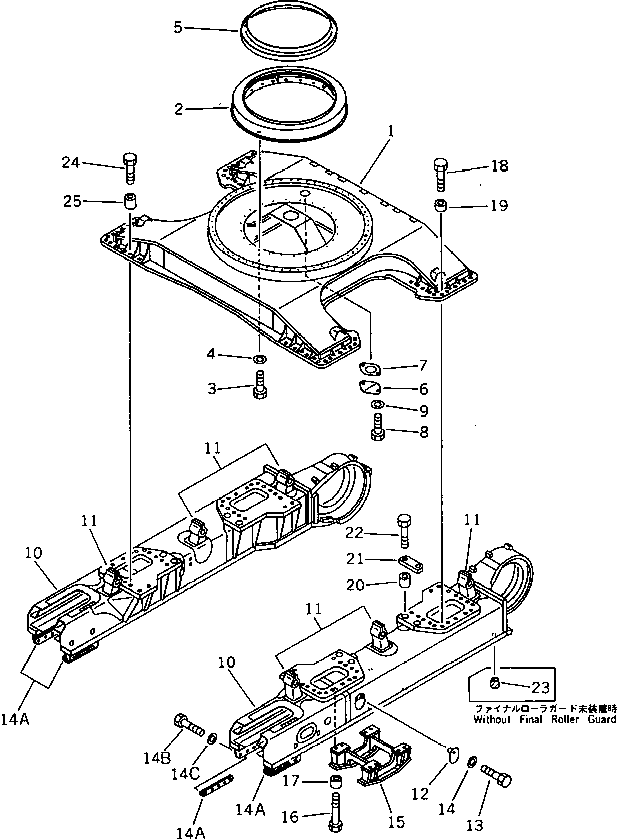
| ? | 21N-30-17112 | FRAME | 1 | SN: 10342- KIT-FLAG: _- SERIALNO: 10342- |
|||
| ? | 21N-30-17111 | FRAME | 1 | SN: 10207-10341 KIT-FLAG: _- SERIALNO: 10207-10341 |
|||
| ? | □21N-30-17110 | FRAME | 1 | SN: 10001-10206 KIT-FLAG: _- SERIALNO: 10001-10206 |
|||
| ? | 21N-30-11680 | FRAME,(SP) | 1 | SN: 10380- KIT-FLAG: _- SERIALNO: 10380- |
|||
| ? | 21N-30-11211 | FRAME | 1 | SN: 10001- KIT-FLAG: _- SERIALNO: 10001- |
|||
| ? | 01010-51255 | BOLT | 24 | SN: 10001- KIT-FLAG: _- SERIALNO: 10001- |
|||
| ? | 01643-31232 | WASHER | 24 | SN: 10001- KIT-FLAG: _- SERIALNO: 10001- |
|||
| ? | 21N-30-11220 | SEAL | 1 | SN: 10001- KIT-FLAG: _- SERIALNO: 10001- |
|||
| ? | 205-30-71181 | COVER | 1 | SN: 10001- KIT-FLAG: _- SERIALNO: 10001- |
|||
| ? | 205-30-71191 | GASKET | 1 | SN: 10001- KIT-FLAG: _- SERIALNO: 10001- |
|||
| ? | 01010-51225 | BOLT | 2 | SN: 10001- KIT-FLAG: _- SERIALNO: 10001- |
|||
| ? | 01643-31232 | WASHER | 2 | SN: 10001- KIT-FLAG: _- SERIALNO: 10001- |
|||
| ? | 21N-30-17121 | FRAME,L.H. | 1 | SN: 10001- KIT-FLAG: _- SERIALNO: 10001- |
|||
| ? | 21N-30-17260 | FRAME,L.H. (FOR EC) | 1 | SN: 10407- KIT-FLAG: _- SERIALNO: 10407- |
|||
| ? | 21N-30-17131 | FRAME,R.H. | 1 | SN: 10001- KIT-FLAG: _- SERIALNO: 10001- |
|||
| ? | 21N-30-17270 | FRAME,R.H. (FOR EC) | 1 | SN: 10407- KIT-FLAG: _- SERIALNO: 10407- |
|||
| ? | 21N-30-11150 | • SUPPORT (WELDED) | 3 | SN: 10001- KIT-FLAG: _- SERIALNO: 10001- |
|||
| ? | 209-30-11220 | PLATE | 2 | SN: 10001- KIT-FLAG: _- SERIALNO: 10001- |
|||
| ? | 01010-51225 | BOLT | 2 | SN: 10001- KIT-FLAG: _- SERIALNO: 10001- |
|||
| ? | 01643-31232 | WASHER | 2 | SN: 10001- KIT-FLAG: _- SERIALNO: 10001- |
|||
| ? | 21N-30-17530 | PLATE | 4 | SN: 10001- KIT-FLAG: _- SERIALNO: 10001- |
|||
| ? | 01010-83060 | BOLT | 20 | SN: 10001- KIT-FLAG: _- SERIALNO: 10001- |
|||
| ? | 01643-33080 | WASHER | 20 | SN: 10001- KIT-FLAG: _- SERIALNO: 10001- |
|||
| ? | 21N-30-17141 | GUARD | 2 | SN: 10001- KIT-FLAG: _- SERIALNO: 10001- |
|||
| ? | 01011-83030 | BOLT | 16 | SN: 10001- KIT-FLAG: _- SERIALNO: 10001- |
|||
| ? | 208-30-11971 | SPACER | 16 | SN: 10001- KIT-FLAG: _- SERIALNO: 10001- |
|||
| ? | 21N-30-11190 | BOLT | 44 | SN: 10001- KIT-FLAG: _- SERIALNO: 10001- |
|||
| ? | 21N-30-11170 | SPACER | 44 | SN: 10001- KIT-FLAG: _- SERIALNO: 10001- |
|||
| ? | 21N-30-11160 | COLLAR | 8 | SN: 10001- KIT-FLAG: _- SERIALNO: 10001- |
|||
| ? | 21N-30-11230 | PLATE | 4 | SN: 10001- KIT-FLAG: _- SERIALNO: 10001- |
|||
| ? | 21N-30-11180 | BOLT | 8 | SN: 10001- KIT-FLAG: _- SERIALNO: 10001- |
|||
| ? | 07049-03038 | PLUG | 32 | SN: 10001- KIT-FLAG: _- SERIALNO: 10001- |
|||
| ? | 21N-30-11180 | BOLT | 20 | SN: 10001- KIT-FLAG: _- SERIALNO: 10001- |
|||
| ? | 21N-30-11171 | SPACER | 20 | SN: 10001- KIT-FLAG: _- SERIALNO: 10001- |
