k-part
Номер на схеме Каталожный номер Название Количество Детали
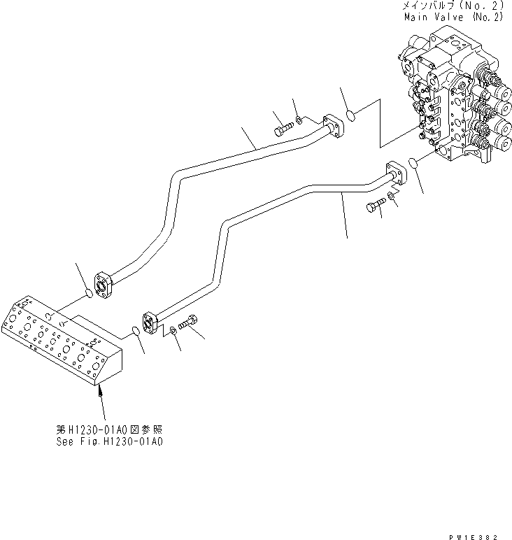
? 21N-62-37560 TUBE 1
SN: 35001-
KIT-FLAG: _-
SERIALNO: 35001-
? 07000-B3048 O-RING 1
SN: 35001-
KIT-FLAG: _-
SERIALNO: 35001-
? 07000-B3038 O-RING 1
SN: 35001-
KIT-FLAG: _-
SERIALNO: 35001-
? 01010-81455 BOLT 4
SN: 35001-
KIT-FLAG: _-
SERIALNO: 35001-
? 01643-31445 WASHER 4
SN: 35001-
KIT-FLAG: _-
SERIALNO: 35001-
? 01010-81245 BOLT 4
SN: 35001-
KIT-FLAG: _-
SERIALNO: 35001-
? 01643-31232 WASHER 4
SN: 35001-
KIT-FLAG: _-
SERIALNO: 35001-
? 21N-62-37570 TUBE 1
SN: 35001-
KIT-FLAG: _-
SERIALNO: 35001-
? 07000-B3048 O-RING 2
SN: 35001-
KIT-FLAG: _-
SERIALNO: 35001-
? 01010-81455 BOLT 8
SN: 35001-
KIT-FLAG: _-
SERIALNO: 35001-
? 01643-31445 WASHER 8
SN: 35001-
KIT-FLAG: _-
SERIALNO: 35001-

Excavators Komatsu / PC1250SP-8R S/N 35001-35200 (W/O EGR, +55C DEGREE)(pc12507c) / VALVE DELIVERY PIPING (ARM) (NO.2 VALVE)(#35001-)(180480 : H1221-02A0)
?
?
?
?
?
?
?
?
?
?
?
?