| Номер на схеме | Каталожный номер | Название | Количество | Детали | |||
|---|---|---|---|---|---|---|---|
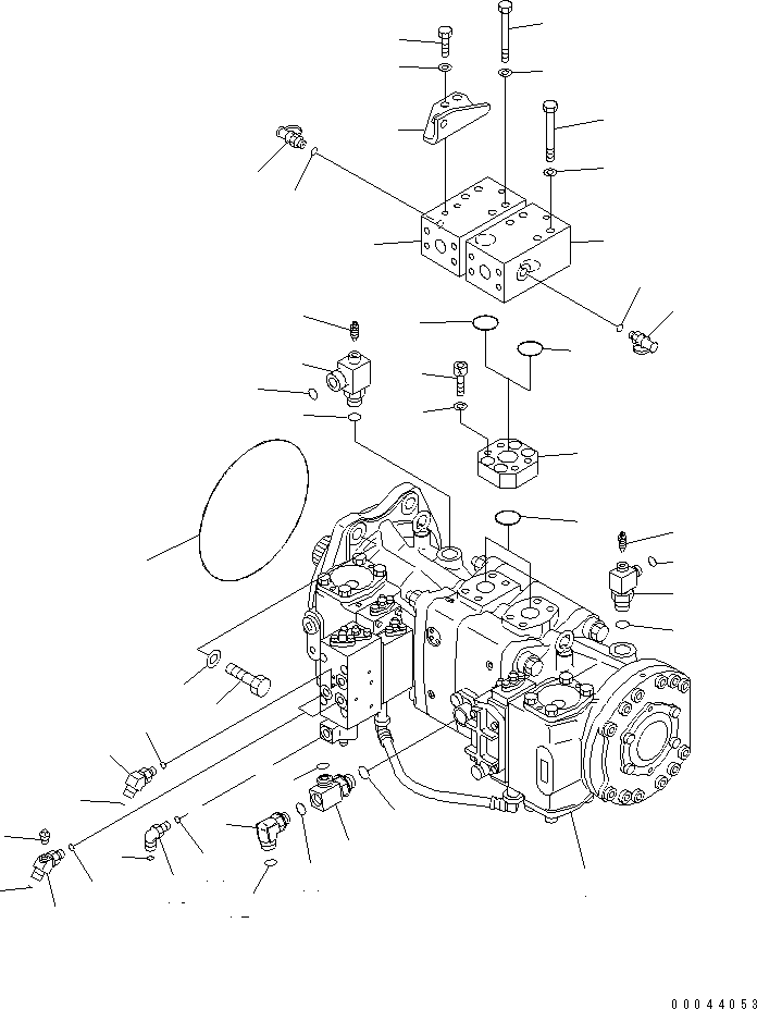
| ? | (708-2H-00440) | PUMP ASS'Y | 1 | SN: 35001- KIT-FLAG: _- SERIALNO: 35001- |
|||
| ? | 07000-E5270 | O-RING | 1 | SN: 35001- KIT-FLAG: _- SERIALNO: 35001- |
|||
| ? | 01010-82065 | BOLT | 4 | SN: 35001- KIT-FLAG: _- SERIALNO: 35001- |
|||
| ? | 01643-32060 | WASHER | 4 | SN: 35001- KIT-FLAG: _- SERIALNO: 35001- |
|||
| ? | 21N-62-11361 | FLANGE | 2 | SN: 35001- KIT-FLAG: _- SERIALNO: 35001- |
|||
| ? | 07000-B3038 | O-RING | 2 | SN: 35001- KIT-FLAG: _- SERIALNO: 35001- |
|||
| ? | 01252-71235 | BOLT | 8 | SN: 35001- KIT-FLAG: _- SERIALNO: 35001- |
|||
| ? | 01643-51232 | WASHER | 8 | SN: 35001- KIT-FLAG: _- SERIALNO: 35001- |
|||
| ? | 21N-62-41860 | BLOCK | 1 | SN: 35001- KIT-FLAG: _- SERIALNO: 35001- |
|||
| ? | 07000-B3038 | O-RING | 1 | SN: 35001- KIT-FLAG: _- SERIALNO: 35001- |
|||
| ? | 01011-81205 | BOLT | 4 | SN: 35001- KIT-FLAG: _- SERIALNO: 35001- |
|||
| ? | 01643-31232 | WASHER | 4 | SN: 35001- KIT-FLAG: _- SERIALNO: 35001- |
|||
| ? | 21N-62-41850 | BLOCK | 1 | SN: 35001- KIT-FLAG: _- SERIALNO: 35001- |
|||
| ? | 07000-B3038 | O-RING | 1 | SN: 35001- KIT-FLAG: _- SERIALNO: 35001- |
|||
| ? | 21N-62-41870 | BRACKET | 1 | SN: 35001- KIT-FLAG: _- SERIALNO: 35001- |
|||
| ? | 01010-81230 | BOLT | 2 | SN: 35001- KIT-FLAG: _- SERIALNO: 35001- |
|||
| ? | 01643-31232 | WASHER | 2 | SN: 35001- KIT-FLAG: _- SERIALNO: 35001- |
|||
| ? | 01011-81205 | BOLT | 4 | SN: 35001- KIT-FLAG: _- SERIALNO: 35001- |
|||
| ? | 01643-31232 | WASHER | 4 | SN: 35001- KIT-FLAG: _- SERIALNO: 35001- |
|||
| ? | 209-62-61310 | NIPPLE ASS'Y | 2 | SN: 35001- KIT-FLAG: _- SERIALNO: 35001- |
|||
| ? | 209-62-61330 | • O-RING | 1 | SN: 35001- KIT-FLAG: _- SERIALNO: 35001- |
|||
| ? | 21N-64-36840 | ELBOW | 1 | SN: 35001- KIT-FLAG: _- SERIALNO: 35001- |
|||
| ? | 07002-12434 | O-RING | 1 | SN: 35001- KIT-FLAG: _- SERIALNO: 35001- |
|||
| ? | 207-62-64740 | O-RING | 1 | SN: 35001- KIT-FLAG: _- SERIALNO: 35001- |
|||
| ? | 20B-27-11210 | BLEEDER | 1 | SN: 35001- KIT-FLAG: _- SERIALNO: 35001- |
|||
| ? | 21N-64-36890 | ELBOW | 1 | SN: 35001- KIT-FLAG: _- SERIALNO: 35001- |
|||
| ? | 07002-12434 | O-RING | 1 | SN: 35001- KIT-FLAG: _- SERIALNO: 35001- |
|||
| ? | 02896-11018 | O-RING | 1 | SN: 35001- KIT-FLAG: _- SERIALNO: 35001- |
|||
| ? | 20B-27-11210 | BLEEDER | 1 | SN: 35001- KIT-FLAG: _- SERIALNO: 35001- |
|||
| ? | 21N-64-36420 | ELBOW | 2 | SN: 35001- KIT-FLAG: _- SERIALNO: 35001- |
|||
| ? | 07002-11423 | O-RING | 2 | SN: 35001- KIT-FLAG: _- SERIALNO: 35001- |
|||
| ? | 02896-11009 | O-RING | 2 | SN: 35001- KIT-FLAG: _- SERIALNO: 35001- |
|||
| ? | 07042-30108 | PLUG | 2 | SN: 35001- KIT-FLAG: _- SERIALNO: 35001- |
|||
| ? | 11Y-62-12510 | ELBOW | 1 | SN: 35001- KIT-FLAG: _- SERIALNO: 35001- |
|||
| ? | 07002-11423 | O-RING | 1 | SN: 35001- KIT-FLAG: _- SERIALNO: 35001- |
|||
| ? | 02896-11009 | O-RING | 1 | SN: 35001- KIT-FLAG: _- SERIALNO: 35001- |
|||
| ? | 20U-62-46570 | ELBOW | 1 | SN: 35001- KIT-FLAG: _- SERIALNO: 35001- |
|||
| ? | 07002-12434 | O-RING | 1 | SN: 35001- KIT-FLAG: _- SERIALNO: 35001- |
|||
| ? | 02896-11015 | O-RING | 1 | SN: 35001- KIT-FLAG: _- SERIALNO: 35001- |
|||
| ? | 21W-62-42690 | ELBOW | 1 | SN: 35001- KIT-FLAG: _- SERIALNO: 35001- |
|||
| ? | 07002-12034 | O-RING | 1 | SN: 35001- KIT-FLAG: _- SERIALNO: 35001- |
|||
| ? | 02896-11015 | O-RING | 1 | SN: 35001- KIT-FLAG: _- SERIALNO: 35001- |
|||
| ? | 21W-62-42490 | ELBOW | 1 | SN: 35001- KIT-FLAG: _- SERIALNO: 35001- |
|||
| ? | 07002-11423 | O-RING | 1 | SN: 35001- KIT-FLAG: _- SERIALNO: 35001- |
|||
| ? | 02896-11009 | O-RING | 1 | SN: 35001- KIT-FLAG: _- SERIALNO: 35001- |