| Номер на схеме | Каталожный номер | Название | Количество | Детали | |||
|---|---|---|---|---|---|---|---|
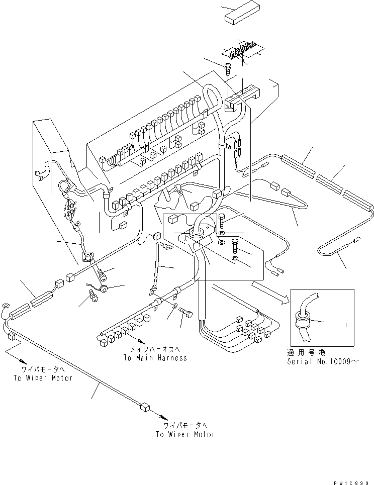
| ? | 21T-06-73320 | GROMMET | 1 | SN: 10001-10008 KIT-FLAG: _- SERIALNO: 10001-10008 |
|||
| ? | 21T-06-67730 | PLATE | 2 | SN: 10001-10008 KIT-FLAG: _- SERIALNO: 10001-10008 |
|||
| ? | 01010-81030 | BOLT | 2 | SN: 10003-10008 KIT-FLAG: _- SERIALNO: 10003-10008 |
|||
| ? | 01643-31032 | WASHER | 2 | SN: 10001-10008 KIT-FLAG: _- SERIALNO: 10001-10008 |
|||
| ? | 21T-06-71920 | COVER | 1 | SN: 10001-10999 KIT-FLAG: _- SERIALNO: 10001-10999 |
|||
| ? | 21T-06-71930 | COVER | 1 | SN: 10001-10999 KIT-FLAG: _- SERIALNO: 10001-10999 |
|||
| ? | 21T-06-71950 | COVER | 1 | SN: 10001-@ KIT-FLAG: _- SERIALNO: 10001-@ |
|||
| ? | 21T-06-71860 | WIRING HARNESS | 1 | SN: 10001-@ KIT-FLAG: _- SERIALNO: 10001-@ |
|||
| ? | 08036-00814 | CLIP | 1 | SN: 10003-10999 KIT-FLAG: _- SERIALNO: 10003-10999 |
|||
| ? | 21T-06-67166 | WIRING HARNESS | 1 | SN: 10009-10999 KIT-FLAG: _- SERIALNO: 10009-10999 |
|||
| ? | □21T-06-67165 | WIRING HARNESS | 1 | SN: 10007-10008 KIT-FLAG: _- SERIALNO: 10007-10008 |
|||
| ? | 21T-06-67164 | WIRING HARNESS | 1 | SN: 10003-10006 KIT-FLAG: _- SERIALNO: 10003-10006 |
|||
| ? | 08041-01000 | • FUSE, 10A | 15 | SN: 10003-@ KIT-FLAG: _- SERIALNO: 10003-@ |
|||
| ? | 08041-02000 | • FUSE, 20A | 4 | SN: 10003-@ KIT-FLAG: _- SERIALNO: 10003-@ |
|||
| ? | 08044-11500 | • BOX | 1 | SN: 10003-@ KIT-FLAG: _- SERIALNO: 10003-@ |
|||
| ? | 201-910-6270 | GROMMET | 1 | SN: 10009-@ KIT-FLAG: _- SERIALNO: 10009-@ |
|||
| ? | 01023-10625 | SCREW | 4 | SN: 10003-10999 KIT-FLAG: _- SERIALNO: 10003-10999 |
|||
| ? | 08028-12055 | CABLE | 1 | SN: 10001-10999 KIT-FLAG: _- SERIALNO: 10001-10999 |
|||
| ? | 01010-81025 | BOLT | 2 | SN: 10001-10999 KIT-FLAG: _- SERIALNO: 10001-10999 |
|||
| ? | 01643-31032 | WASHER | 2 | SN: 10001-@ KIT-FLAG: _- SERIALNO: 10001-@ |
|||
| ? | 21T-06-67381 | WIRING HARNESS | 1 | SN: 10003-@ KIT-FLAG: _- SERIALNO: 10003-@ |
|||
| ? | 21T-06-67370 | • CONNECTOR | 1 | SN: 10003-@ KIT-FLAG: _- SERIALNO: 10003-@ |
|||
| ? | 562-43-15810 | CAP | 1 | SN: 10001-@ KIT-FLAG: _- SERIALNO: 10001-@ |
|||
| ? | 01023-10308 | SCREW | 5 | SN: 10001-@ KIT-FLAG: _- SERIALNO: 10001-@ |
|||
| ? | 01010-81225 | BOLT | 1 | SN: 10003-10999 KIT-FLAG: _- SERIALNO: 10003-10999 |
|||
| ? | 01643-31232 | WASHER | 1 | SN: 10003-@ KIT-FLAG: _- SERIALNO: 10003-@ |
|||
| ? | 08912-50900 | CORD | 1 | SN: 10003-@ KIT-FLAG: _- SERIALNO: 10003-@ |
|||
| ? | 21T-06-67480 | WIRING HARNESS | 1 | SN: 10003-@ KIT-FLAG: _- SERIALNO: 10003-@ |