| Номер на схеме | Каталожный номер | Название | Количество | Детали | |||
|---|---|---|---|---|---|---|---|
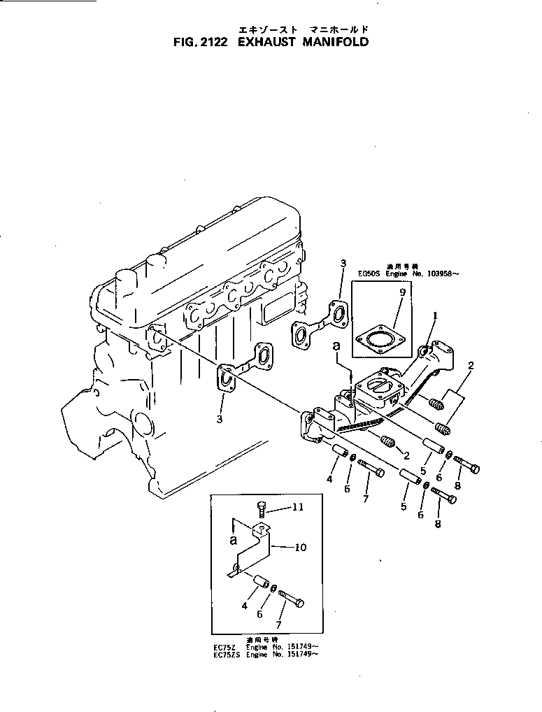
| ? | 6134-11-5210 | MANIFOLD,EXHAUST | 1 | SN: 151749- |
|||
| ? | 07042-00108 | PLUG | 3 | SN: 151749- |
|||
| ? | 6135-11-5810 | GASKET (K1) | 2 | SN: 151749- |
|||
| ? | 6134-12-5120 | SPACER | 1 | SN: 151749- |
|||
| ? | 6134-12-5120 | SPACER | 7 | SN: 151749- |
|||
| ? | 01643-31032 | WASHER | 8 | SN: 151749- |
|||
| ? | 01010-31060 | BOLT | 1 | SN: 151749- |
|||
| ? | 01010-31060 | BOLT | 7 | SN: 151749- |
|||
| ? | 6134-12-5210 | PLATE | 1 | SN: 151749- |
|||
| ? | 01010-31016 | BOLT | 1 | SN: 151749- |