| Номер на схеме | Каталожный номер | Название | Количество | Детали | |||
|---|---|---|---|---|---|---|---|
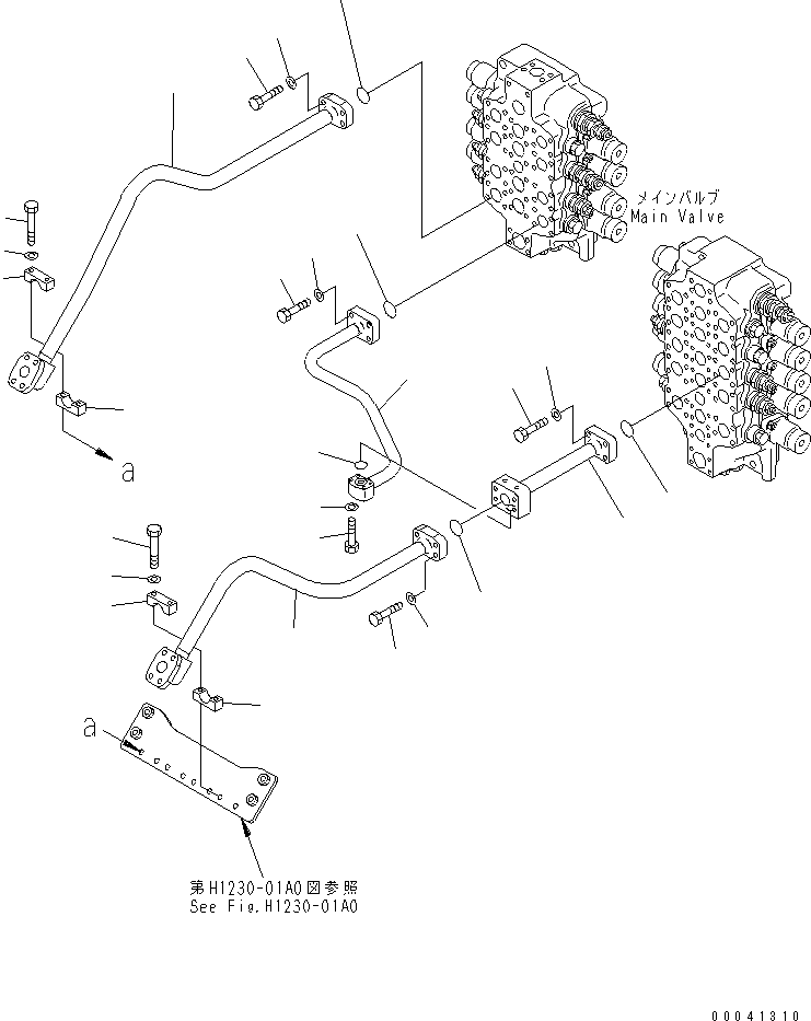
| ? | 209-62-41652 | TUBE | 1 | SN: 60001- KIT-FLAG: _- SERIALNO: 60001- |
|||
| ? | 01010-81455 | BOLT | 4 | SN: 60001- KIT-FLAG: _- SERIALNO: 60001- |
|||
| ? | 01643-31445 | WASHER | 4 | SN: 60001- KIT-FLAG: _- SERIALNO: 60001- |
|||
| ? | 07000-B3048 | O-RING | 1 | SN: 60001- KIT-FLAG: _- SERIALNO: 60001- |
|||
| ? | 209-62-73270 | TUBE | 1 | SN: 60001- KIT-FLAG: _- SERIALNO: 60001- |
|||
| ? | 01010-81455 | BOLT | 4 | SN: 60001- KIT-FLAG: _- SERIALNO: 60001- |
|||
| ? | 01643-31445 | WASHER | 4 | SN: 60001- KIT-FLAG: _- SERIALNO: 60001- |
|||
| ? | 07000-B3048 | O-RING | 1 | SN: 60001- KIT-FLAG: _- SERIALNO: 60001- |
|||
| ? | 01010-81060 | BOLT | 4 | SN: 60001- KIT-FLAG: _- SERIALNO: 60001- |
|||
| ? | 01643-51032 | WASHER | 4 | SN: 60001- KIT-FLAG: _- SERIALNO: 60001- |
|||
| ? | 07000-B3035 | O-RING | 1 | SN: 60001- KIT-FLAG: _- SERIALNO: 60001- |
|||
| ? | 209-62-73280 | TUBE | 1 | SN: 60001- KIT-FLAG: _- SERIALNO: 60001- |
|||
| ? | 01010-81455 | BOLT | 4 | SN: 60001- KIT-FLAG: _- SERIALNO: 60001- |
|||
| ? | 01643-31445 | WASHER | 4 | SN: 60001- KIT-FLAG: _- SERIALNO: 60001- |
|||
| ? | 07000-B3048 | O-RING | 1 | SN: 60001- KIT-FLAG: _- SERIALNO: 60001- |
|||
| ? | 176-61-41330 | CLAMP | 2 | SN: 60001- KIT-FLAG: _- SERIALNO: 60001- |
|||
| ? | 01010-81295 | BOLT | 2 | SN: 60001- KIT-FLAG: _- SERIALNO: 60001- |
|||
| ? | 01643-31232 | WASHER | 2 | SN: 60001- KIT-FLAG: _- SERIALNO: 60001- |
|||
| ? | 209-62-73290 | TUBE | 1 | SN: 60001- KIT-FLAG: _- SERIALNO: 60001- |
|||
| ? | 01010-81455 | BOLT | 4 | SN: 60001- KIT-FLAG: _- SERIALNO: 60001- |
|||
| ? | 01643-31445 | WASHER | 4 | SN: 60001- KIT-FLAG: _- SERIALNO: 60001- |
|||
| ? | 07000-B3048 | O-RING | 1 | SN: 60001- KIT-FLAG: _- SERIALNO: 60001- |
|||
| ? | 176-61-41330 | CLAMP | 2 | SN: 60001- KIT-FLAG: _- SERIALNO: 60001- |
|||
| ? | 01010-81295 | BOLT | 2 | SN: 60001- KIT-FLAG: _- SERIALNO: 60001- |
|||
| ? | 01643-31232 | WASHER | 2 | SN: 60001- KIT-FLAG: _- SERIALNO: 60001- |