| Номер на схеме | Каталожный номер | Название | Количество | Детали | |||
|---|---|---|---|---|---|---|---|
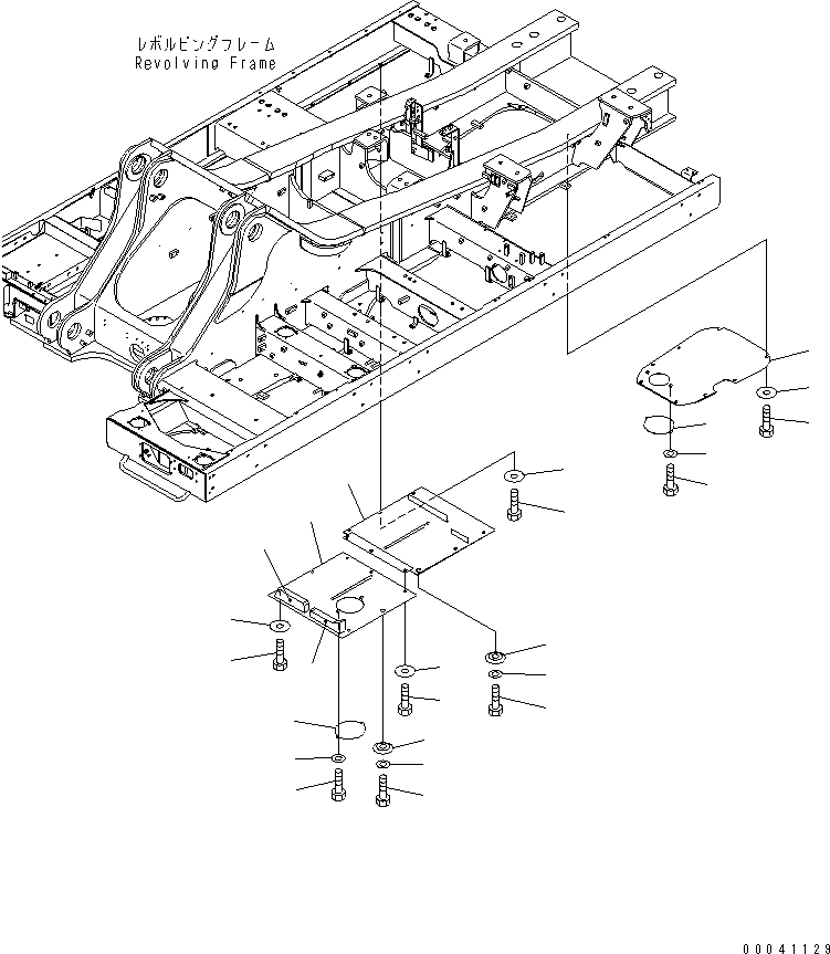
| ? | 209-54-42571 | COVER | 1 | SN: 60001-@ KIT-FLAG: _- SERIALNO: 60001-@ |
|||
| ? | 01010-81230 | BOLT | 8 | SN: 60001-@ KIT-FLAG: _- SERIALNO: 60001-@ |
|||
| ? | 175-54-34170 | WASHER | 8 | SN: 60001-@ KIT-FLAG: _- SERIALNO: 60001-@ |
|||
| ? | 207-54-51440 | PLATE | 1 | SN: 60001-@ KIT-FLAG: _- SERIALNO: 60001-@ |
|||
| ? | 01010-81230 | BOLT | 2 | SN: 60001-@ KIT-FLAG: _- SERIALNO: 60001-@ |
|||
| ? | 01643-31232 | WASHER | 2 | SN: 60001-@ KIT-FLAG: _- SERIALNO: 60001-@ |
|||
| ? | 209-54-41471 | COVER | 1 | SN: 60001-@ KIT-FLAG: _- SERIALNO: 60001-@ |
|||
| ? | 209-54-41482 | • SHEET | 1 | SN: 60001-@ KIT-FLAG: _- SERIALNO: 60001-@ |
|||
| ? | 209-54-41493 | • SHEET | 1 | SN: 60002-@ KIT-FLAG: _- SERIALNO: 60002-@ |
|||
| ? | □209-54-41492 | • SHEET | 1 | SN: 60001-60001 KIT-FLAG: _- SERIALNO: 60001-60001 |
|||
| ? | 01010-81230 | BOLT | 8 | SN: 60001-@ KIT-FLAG: _- SERIALNO: 60001-@ |
|||
| ? | 175-54-34170 | WASHER | 8 | SN: 60001-@ KIT-FLAG: _- SERIALNO: 60001-@ |
|||
| ? | 01010-81230 | BOLT | 1 | SN: 60001-@ KIT-FLAG: _- SERIALNO: 60001-@ |
|||
| ? | 01643-31232 | WASHER | 1 | SN: 60001-@ KIT-FLAG: _- SERIALNO: 60001-@ |
|||
| ? | 208-54-57181 | COLLAR | 1 | SN: 60001-@ KIT-FLAG: _- SERIALNO: 60001-@ |
|||
| ? | 209-54-41750 | COVER | 1 | SN: 60001-@ KIT-FLAG: _- SERIALNO: 60001-@ |
|||
| ? | 01010-81230 | BOLT | 7 | SN: 60001-@ KIT-FLAG: _- SERIALNO: 60001-@ |
|||
| ? | 175-54-34170 | WASHER | 7 | SN: 60001-@ KIT-FLAG: _- SERIALNO: 60001-@ |
|||
| ? | 01010-81230 | BOLT | 1 | SN: 60001-@ KIT-FLAG: _- SERIALNO: 60001-@ |
|||
| ? | 01643-31232 | WASHER | 1 | SN: 60001-@ KIT-FLAG: _- SERIALNO: 60001-@ |
|||
| ? | 208-54-57181 | COLLAR | 1 | SN: 60001-@ KIT-FLAG: _- SERIALNO: 60001-@ |
|||
| ? | 207-54-51440 | PLATE | 1 | SN: 60001-@ KIT-FLAG: _- SERIALNO: 60001-@ |
|||
| ? | 01010-81230 | BOLT | 2 | SN: 60001-@ KIT-FLAG: _- SERIALNO: 60001-@ |
|||
| ? | 01643-31232 | WASHER | 2 | SN: 60001-@ KIT-FLAG: _- SERIALNO: 60001-@ |