| Номер на схеме | Каталожный номер | Название | Количество | Детали | |||
|---|---|---|---|---|---|---|---|
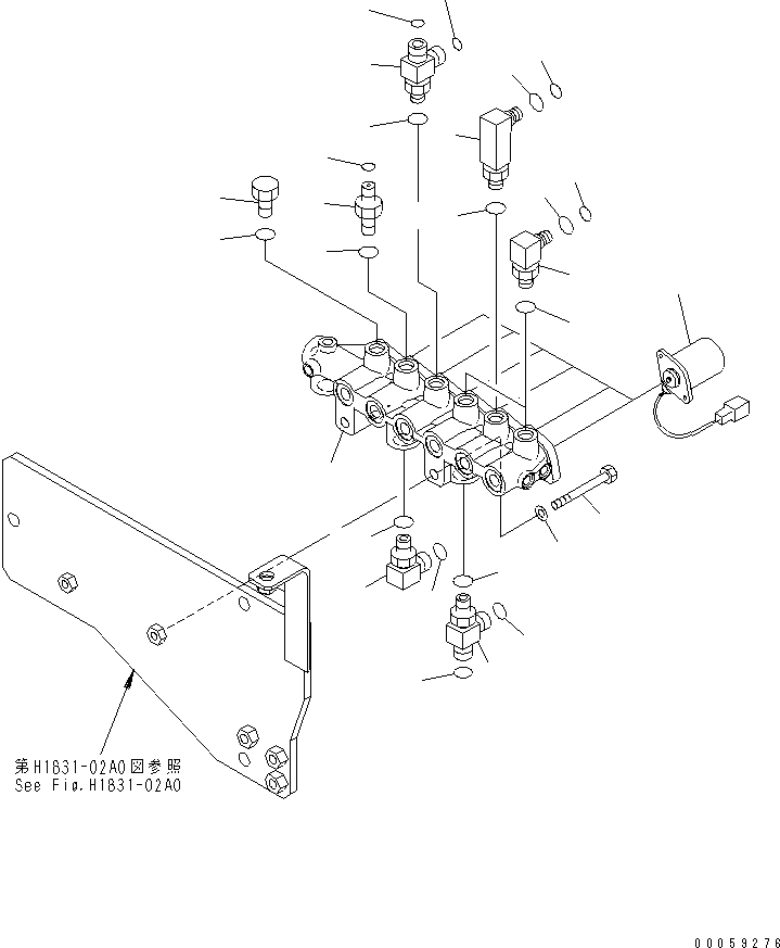
| ? | 20Y-62-22271 | ELBOW | 2 | SN: 60001- KIT-FLAG: _- SERIALNO: 60001- |
|||
| ? | 201-60-11390 | • O-RING | 1 | SN: 60001- KIT-FLAG: _- SERIALNO: 60001- |
|||
| ? | 20Y-62-19560 | • O-RING | 1 | SN: 60001- KIT-FLAG: _- SERIALNO: 60001- |
|||
| ? | 14X-43-14840 | ELBOW | 1 | SN: 60001- KIT-FLAG: _- SERIALNO: 60001- |
|||
| ? | 201-60-11390 | • O-RING | 1 | SN: 60001- KIT-FLAG: _- SERIALNO: 60001- |
|||
| ? | 20Y-62-19560 | • O-RING | 1 | SN: 60001- KIT-FLAG: _- SERIALNO: 60001- |
|||
| ? | 21N-64-36680 | TEE | 1 | SN: 60001- KIT-FLAG: _- SERIALNO: 60001- |
|||
| ? | 02781-0031D | UNION | 1 | SN: 60001- KIT-FLAG: _- SERIALNO: 60001- |
|||
| ? | 07040-11409 | PLUG | 1 | SN: 60001- KIT-FLAG: _- SERIALNO: 60001- |
|||
| ? | 07002-11423 | O-RING | 6 | SN: 60001- KIT-FLAG: _- SERIALNO: 60001- |
|||
| ? | 02896-11009 | O-RING | 3 | SN: 60001- KIT-FLAG: _- SERIALNO: 60001- |
|||
| ? | 21N-64-37410 | ELBOW | 1 | SN: 60001- KIT-FLAG: _- SERIALNO: 60001- |
|||
| ? | 209-64-16281 | TEE | 1 | SN: 60001- KIT-FLAG: _- SERIALNO: 60001- |
|||
| ? | 07002-12034 | O-RING | 2 | SN: 60001- KIT-FLAG: _- SERIALNO: 60001- |
|||
| ? | 02896-11012 | O-RING | 2 | SN: 60001- KIT-FLAG: _- SERIALNO: 60001- |
|||
| ? | 02896-11009 | O-RING | 1 | SN: 60001- KIT-FLAG: _- SERIALNO: 60001- |
|||
| ? | (209-60-41310) | SOLENOID ASS'Y,(SEE FIG. Y1860-01A0) | 1 | SN: 60001- KIT-FLAG: _- SERIALNO: 60001- |
|||
| ? | 01010-81090 | BOLT | 2 | SN: 60001- KIT-FLAG: _- SERIALNO: 60001- |
|||
| ? | 01643-31032 | WASHER | 2 | SN: 60001- KIT-FLAG: _- SERIALNO: 60001- |