| Номер на схеме | Каталожный номер | Название | Количество | Детали | |||
|---|---|---|---|---|---|---|---|
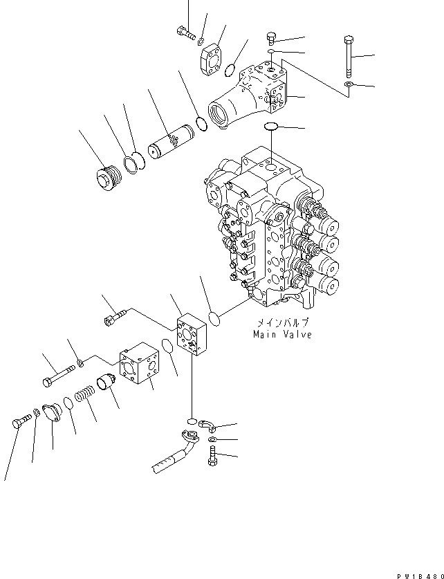
| ? | 209-60-76551 | FLANGE | 1 | SN: 31081- |
|||
| ? | □209-60-76550 | FLANGE | 1 | SN: 31001-31080 |
|||
| ? | 07000-B2060 | O-RING | 1 | SN: 31001- |
|||
| ? | 01252-71260 | BOLT | 4 | SN: 31001- |
|||
| ? | 209-60-76700 | VALVE ASS'Y | 1 | SN: 31001- |
|||
| ? | ☆ | • BODY | 1 | SN: 30001- |
|||
| ? | 706-77-72250 | • SPRING | 1 | SN: 30001- |
|||
| ? | 209-60-52120 | • POPPET | 1 | SN: 30001- |
|||
| ? | 209-60-76530 | • FLANGE | 1 | SN: 31001- |
|||
| ? | 07000-13042 | • O-RING | 1 | SN: 31001- |
|||
| ? | 01010-81030 | • BOLT | 2 | SN: 30001- |
|||
| ? | 01643-31032 | • WASHER | 2 | SN: 30001- |
|||
| ? | 07000-B2060 | O-RING | 1 | SN: 31001- |
|||
| ? | 01011-81240 | BOLT | 4 | SN: 30001- |
|||
| ? | 01643-51232 | WASHER | 4 | SN: 30001- |
|||
| ? | 07371-31049 | FLANGE | 2 | SN: 31001- |
|||
| ? | 07372-21035 | BOLT | 4 | SN: 31001- |
|||
| ? | 01643-51032 | WASHER | 4 | SN: 31001- |
|||
| ? | 209-60-76300 | FILTER ASS'Y | 1 | SN: 31001- |
|||
| ? | ☆ | • CASE | 1 | SN: 31001- |
|||
| ? | 21N-62-31221 | • ELEMENT | 1 | SN: 31001- |
|||
| ? | 21N-62-31230 | • COVER | 1 | SN: 31001- |
|||
| ? | 07000-12055 | • O-RING | 1 | SN: 31001- |
|||
| ? | 07000-12070 | • O-RING | 1 | SN: 31001- |
|||
| ? | 07001-02070 | • RING | 1 | SN: 31001- |
|||
| ? | 07002-11423 | • O-RING | 1 | SN: 31001- |
|||
| ? | 07040-11409 | • PLUG | 1 | SN: 31001- |
|||
| ? | 21T-09-11510 | O-RING | 1 | SN: 31001- |
|||
| ? | 21N-62-12210 | FLANGE | 1 | SN: 31001- |
|||
| ? | 21T-09-11510 | O-RING | 1 | SN: 31001- |
|||
| ? | 01010-81445 | BOLT | 4 | SN: 31001- |
|||
| ? | 01643-31445 | WASHER | 4 | SN: 31001- |
|||
| ? | 01011-81470 | BOLT | 4 | SN: 31001- |
|||
| ? | 01643-31445 | WASHER | 4 | SN: 31001- |