k-part
Номер на схеме Каталожный номер Название Количество Детали
? (708-2K-00110) PUMP ASS'Y 1
SN: 50001-@
KIT-FLAG: _-
SERIALNO: 50001-@
? 209-62-41481 ELBOW 1
SN: 50001-@
KIT-FLAG: _-
SERIALNO: 50001-@
? 07002-64234 O-RING 1
SN: 50001-@
KIT-FLAG: _-
SERIALNO: 50001-@
? 207-62-64740 O-RING 1
SN: 50001-@
KIT-FLAG: _-
SERIALNO: 50001-@
? 6138-55-7610 NIPPLE 1
SN: 50001-@
KIT-FLAG: _-
SERIALNO: 50001-@
? 799-101-5220 NIPPLE 1
SN: 50005-@
KIT-FLAG: _-
SERIALNO: 50005-@
? 07002-61023 O-RING 1
SN: 50005-@
KIT-FLAG: _-
SERIALNO: 50005-@
? 02782-10628 ELBOW 1
SN: 50001-@
KIT-FLAG: _-
SERIALNO: 50001-@
? 07002-62434 O-RING 1
SN: 50001-@
KIT-FLAG: _-
SERIALNO: 50001-@
? 02896-61018 O-RING 1
SN: 50001-@
KIT-FLAG: _-
SERIALNO: 50001-@
? 02782-10628 ELBOW 1
SN: 50001-@
KIT-FLAG: _-
SERIALNO: 50001-@
? 07002-62434 O-RING 1
SN: 50001-@
KIT-FLAG: _-
SERIALNO: 50001-@
? 02896-61018 O-RING 1
SN: 50001-@
KIT-FLAG: _-
SERIALNO: 50001-@
? 209-62-41210 BLOCK 1
SN: 50001-@
KIT-FLAG: _-
SERIALNO: 50001-@
? 209-62-41220 BLOCK 1
SN: 50001-@
KIT-FLAG: _-
SERIALNO: 50001-@
? 07000-B3050 O-RING 2
SN: 50001-@
KIT-FLAG: _-
SERIALNO: 50001-@
? 799-101-5220 NIPPLE 2
SN: 50001-@
KIT-FLAG: _-
SERIALNO: 50001-@
? 07002-61023 O-RING 2
SN: 50001-@
KIT-FLAG: _-
SERIALNO: 50001-@
? 07371-51470 FLANGE 4
SN: 50001-@
KIT-FLAG: _-
SERIALNO: 50001-@
? 209-62-41270 BOLT 8
SN: 50001-@
KIT-FLAG: _-
SERIALNO: 50001-@
? 01643-31445 WASHER 8
SN: 50001-@
KIT-FLAG: _-
SERIALNO: 50001-@
? 07371-51260 FLANGE 4
SN: 50001-@
KIT-FLAG: _-
SERIALNO: 50001-@
? 01010-81245 BOLT 8
SN: 50001-@
KIT-FLAG: _-
SERIALNO: 50001-@
? 01643-31232 WASHER 8
SN: 50001-@
KIT-FLAG: _-
SERIALNO: 50001-@
? 209-62-41412 BLOCK 1
SN: 50001-@
KIT-FLAG: _-
SERIALNO: 50001-@
? 07000-B3035 O-RING 1
SN: 50001-@
KIT-FLAG: _-
SERIALNO: 50001-@
? 01252-71050 BOLT 4
SN: 50001-@
KIT-FLAG: _-
SERIALNO: 50001-@
? 01643-51032 WASHER 4
SN: 50001-@
KIT-FLAG: _-
SERIALNO: 50001-@
? 799-101-5220 NIPPLE 1
SN: 50001-@
KIT-FLAG: _-
SERIALNO: 50001-@
? 07002-61023 O-RING 1
SN: 50001-@
KIT-FLAG: _-
SERIALNO: 50001-@
? 08193-20010 CLIP 1
SN: 50001-@
KIT-FLAG: _-
SERIALNO: 50001-@
? 04434-51010 CLIP 1
SN: 50001-@
KIT-FLAG: _-
SERIALNO: 50001-@
? 01010-81020 BOLT 2
SN: 50001-@
KIT-FLAG: _-
SERIALNO: 50001-@
? 01643-31032 WASHER 2
SN: 50001-@
KIT-FLAG: _-
SERIALNO: 50001-@
? 07000-E5185 O-RING 1
SN: 50001-@
KIT-FLAG: _-
SERIALNO: 50001-@
? 01010-82470 BOLT 6
SN: 50001-@
KIT-FLAG: _-
SERIALNO: 50001-@
? 01643-32460 WASHER 6
SN: 50001-@
KIT-FLAG: _-
SERIALNO: 50001-@
? 209-62-42180 BRACKET 1
SN: 50001-@
KIT-FLAG: _-
SERIALNO: 50001-@
? 01010-81025 BOLT 1
SN: 50001-@
KIT-FLAG: _-
SERIALNO: 50001-@
? 01643-31032 WASHER 1
SN: 50001-@
KIT-FLAG: _-
SERIALNO: 50001-@
? 04434-51012 CLIP 1
SN: 50001-@
KIT-FLAG: _-
SERIALNO: 50001-@
? 01010-81220 BOLT 1
SN: 50001-@
KIT-FLAG: _-
SERIALNO: 50001-@
? 01643-31232 WASHER 1
SN: 50001-@
KIT-FLAG: _-
SERIALNO: 50001-@

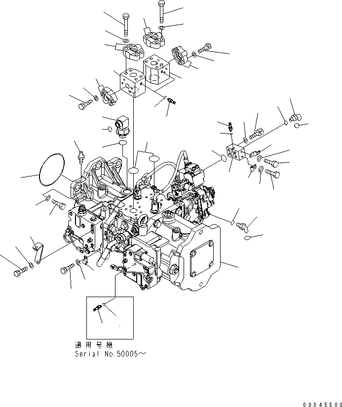
Excavators Komatsu / PC800LC-8 S/N 50001-UP (ecot3)(pc800lcc) / MAIN PUMP (JOINT PARTS)(#50001-55000)(150210 : H0210-01A0)
?
?
?
?
?
?
?
?
?
?
?
?
?
?
?
?
?
?
?
?
?
?
?
?
?
?
?
?
?
?
?
?
?
?
?
?
?
?
?
?
?
?
?
?
?
?
?
?
?
?
?