| Номер на схеме | Каталожный номер | Название | Количество | Детали | |||
|---|---|---|---|---|---|---|---|
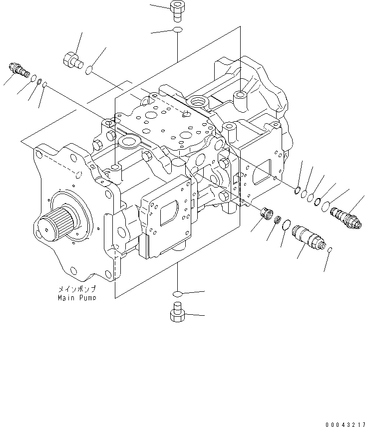
| ? | (708-2K-00112) | PUMP ASS'Y | 1 | SN: 55218-55221 KIT-FLAG: _- SERIALNO: 55218-55221 |
|||
| ? | (708-2K-00111) | PUMP ASS'Y | 1 | SN: 55113-55217 KIT-FLAG: _- SERIALNO: 55113-55217 |
|||
| ? | (708-2K-00110) | PUMP ASS'Y | 1 | SN: 50001-55112 KIT-FLAG: _- SERIALNO: 50001-55112 |
|||
| ? | THESE ASSEMBLIES CONSIST OF ALL PARTS SHOWN IN FIGS.Y1600-01A0 TO Y1600-14A0. | SERIALNO: |
|||||
| ? | (708-2K-01114) | • PUMP SUB ASS'Y | 1 | SN: 55218-55221 KIT-FLAG: _- SERIALNO: 55218-55221 |
|||
| ? | (708-2K-01113) | • PUMP SUB ASS'Y | 1 | SN: 55113-55217 KIT-FLAG: _- SERIALNO: 55113-55217 |
|||
| ? | (708-2K-01112) | • PUMP SUB ASS'Y | 1 | SN: 50001-55112 KIT-FLAG: _- SERIALNO: 50001-55112 |
|||
| ? | 07040-12414 | • • PLUG | 7 | SN: 50001-55221 KIT-FLAG: _- SERIALNO: 50001-55221 |
|||
| ? | 07002-62434 | • • O-RING | 7 | SN: 50001-55221 KIT-FLAG: _- SERIALNO: 50001-55221 |
|||
| ? | 708-2K-03250 | • • FILTER ASS'Y | 1 | SN: 50001-55221 KIT-FLAG: _- SERIALNO: 50001-55221 |
|||
| ? | 708-2K-16930 | • • • UNION | 1 | SN: 50001-55221 KIT-FLAG: _- SERIALNO: 50001-55221 |
|||
| ? | 708-2K-16150 | • • • FILTER | 1 | SN: 50001-55221 KIT-FLAG: _- SERIALNO: 50001-55221 |
|||
| ? | 07002-63634 | • • • O-RING | 1 | SN: 50001-55221 KIT-FLAG: _- SERIALNO: 50001-55221 |
|||
| ? | 708-2K-16920 | • • • PLUG | 1 | SN: 50001-55221 KIT-FLAG: _- SERIALNO: 50001-55221 |
|||
| ? | 02896-61015 | • • • O-RING | 1 | SN: 50001-55221 KIT-FLAG: _- SERIALNO: 50001-55221 |
|||
| ? | 708-2K-03411 | • • VALVE ASS'Y,REDUCE | 1 | SN: 50001-55221 KIT-FLAG: _- SERIALNO: 50001-55221 |
|||
| ? | 07000-B2022 | • • • O-RING | 1 | SN: 50001-55221 KIT-FLAG: _- SERIALNO: 50001-55221 |
|||
| ? | 07001-02022 | • • • RING,BACK-UP | 1 | SN: 50001-55221 KIT-FLAG: _- SERIALNO: 50001-55221 |
|||
| ? | 07000-B3022 | • • • O-RING | 1 | SN: 50001-55221 KIT-FLAG: _- SERIALNO: 50001-55221 |
|||
| ? | 07001-03022 | • • • RING | 1 | SN: 50001-55221 KIT-FLAG: _- SERIALNO: 50001-55221 |
|||
| ? | 07002-63634 | • • • O-RING | 1 | SN: 50001-55221 KIT-FLAG: _- SERIALNO: 50001-55221 |
|||
| ? | 708-2K-03420 | • • VALVE ASS'Y,RELIEF | 1 | SN: 50001-55221 KIT-FLAG: _- SERIALNO: 50001-55221 |
|||
| ? | 07000-B2014 | • • • O-RING | 1 | SN: 50001-55221 KIT-FLAG: _- SERIALNO: 50001-55221 |
|||
| ? | 723-40-56350 | • • • RING | 1 | SN: 50001-55221 KIT-FLAG: _- SERIALNO: 50001-55221 |
|||
| ? | 07002-62434 | • • • O-RING | 1 | SN: 50001-55221 KIT-FLAG: _- SERIALNO: 50001-55221 |