| Номер на схеме | Каталожный номер | Название | Количество | Детали | |||
|---|---|---|---|---|---|---|---|
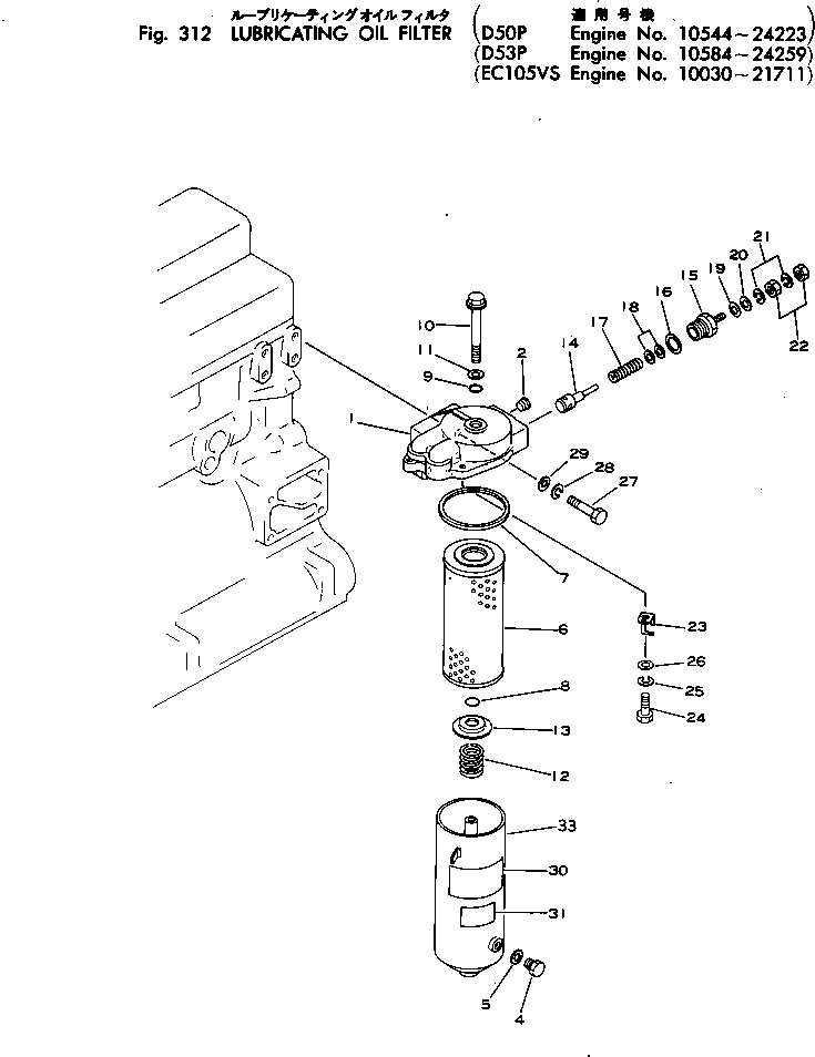
| ? | 6114-51-5100 | OIL FILTER ASS'Y | 1 | SN: 10584-24259 KIT-FLAG: _- SERIALNO: 10584-24259 |
|||
| ? | 6114-51-5110 | • BRACKET | 1 | SN: 10584-24259 KIT-FLAG: _- SERIALNO: 10584-24259 |
|||
| ? | 02720-10607 | • PLUG | 1 | SN: 10584-@ KIT-FLAG: _- SERIALNO: 10584-@ |
|||
| ? | 600-211-5410 | • CASE | 1 | SN: 10584-24259 KIT-FLAG: _- SERIALNO: 10584-24259 |
|||
| ? | 6110-53-5910 | • PLUG | 1 | SN: 10584-24259 KIT-FLAG: _- SERIALNO: 10584-24259 |
|||
| ? | 07005-01412 | • GASKET | 1 | SN: 10584-24259 KIT-FLAG: _- SERIALNO: 10584-24259 |
|||
| ? | 6114-50-5100 | • ELEMENT ASS'Y | 1 | SN: 10584-24259 KIT-FLAG: _- SERIALNO: 10584-24259 |
|||
| ? | ☆ | • • ELEMENT | 1 | SN: 10584-24259 KIT-FLAG: _- SERIALNO: 10584-24259 |
|||
| ? | 6120-51-5180 | • • GASKET | 1 | SN: 10584-24259 KIT-FLAG: _- SERIALNO: 10584-24259 |
|||
| ? | 07000-02018 | • • O-RING | 1 | SN: 10584-24259 KIT-FLAG: _- SERIALNO: 10584-24259 |
|||
| ? | 07000-02012 | • • O-RING | 1 | SN: 10584-24259 KIT-FLAG: _- SERIALNO: 10584-24259 |
|||
| ? | 600-211-5420 | • BOLT | 1 | SN: 10584-24259 KIT-FLAG: _- SERIALNO: 10584-24259 |
|||
| ? | 600-211-5430 | • WASHER | 1 | SN: 10584-24259 KIT-FLAG: _- SERIALNO: 10584-24259 |
|||
| ? | 6120-51-5630 | • SPRING | 1 | SN: 10584-24259 KIT-FLAG: _- SERIALNO: 10584-24259 |
|||
| ? | 600-211-5440 | • RETAINER | 1 | SN: 10584-24259 KIT-FLAG: _- SERIALNO: 10584-24259 |
|||
| ? | 6110-53-5510 | • VALVE | 1 | SN: 10584-24259 KIT-FLAG: _- SERIALNO: 10584-24259 |
|||
| ? | 6110-53-5520 | • PLUG | 1 | SN: 10584-24259 KIT-FLAG: _- SERIALNO: 10584-24259 |
|||
| ? | 6110-51-5440 | • GASKET | 1 | SN: 10584-24259 KIT-FLAG: _- SERIALNO: 10584-24259 |
|||
| ? | 6127-51-5640 | • SPRING | 1 | SN: 10584-24259 KIT-FLAG: _- SERIALNO: 10584-24259 |
|||
| ? | 6110-51-5550 | • SPACER | 5 | SN: 10584-24259 KIT-FLAG: _- SERIALNO: 10584-24259 |
|||
| ? | 6110-51-5580 | • GASKET | 1 | SN: 10584-24259 KIT-FLAG: _- SERIALNO: 10584-24259 |
|||
| ? | 01641-20508 | • WASHER | 1 | SN: 10584-24259 KIT-FLAG: _- SERIALNO: 10584-24259 |
|||
| ? | 01601-00513 | • WASHER | 2 | SN: 10584-24259 KIT-FLAG: _- SERIALNO: 10584-24259 |
|||
| ? | 01580-00504 | • NUT | 2 | SN: 10584-24259 KIT-FLAG: _- SERIALNO: 10584-24259 |
|||
| ? | 600-211-1610 | • HANGER | 2 | SN: 10584-24259 KIT-FLAG: _- SERIALNO: 10584-24259 |
|||
| ? | 01010-30820 | • BOLT | 2 | SN: 10584-24259 KIT-FLAG: _- SERIALNO: 10584-24259 |
|||
| ? | 01602-00825 | • WASHER | 2 | SN: 10584-24259 KIT-FLAG: _- SERIALNO: 10584-24259 |
|||
| ? | 01640-20816 | • WASHER | 2 | SN: 10584-24259 KIT-FLAG: _- SERIALNO: 10584-24259 |
|||
| ? | 01010-31250 | BOLT | 4 | SN: 10584-@ KIT-FLAG: _- SERIALNO: 10584-@ |
|||
| ? | 01602-01236 | WASHER | 4 | SN: 10584-@ KIT-FLAG: _- SERIALNO: 10584-@ |
|||
| ? | 01640-21223 | WASHER | 4 | SN: 10584-@ KIT-FLAG: _- SERIALNO: 10584-@ |
|||
| ? | 09646-00125 | PLATE, CAUTION,(JAPANESE-ENGLISH) | 1 | SN: 10584-24259 KIT-FLAG: _- SERIALNO: 10584-24259 |
|||
| ? | 09646-30225 | PLATE, CAUTION,(ENGLISH) | 1 | SN: 10584-@ KIT-FLAG: _- SERIALNO: 10584-@ |
|||
| ? | 6110-83-2210 | PLATE, CAUTION | 1 | SN: 10584-24259 KIT-FLAG: _- SERIALNO: 10584-24259 |
