| Номер на схеме | Каталожный номер | Название | Количество | Детали | |||
|---|---|---|---|---|---|---|---|
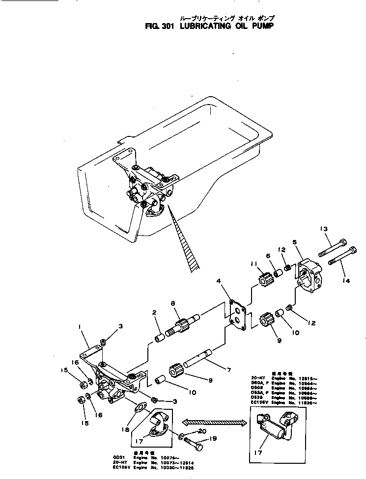
| ? | 6114-51-1101 | OIL PUMP ASS'Y | 1 | SN: 10584- KIT-FLAG: _- SERIALNO: 10584- |
|||
| ? | ☆ | • BODY | 1 | SN: 10584- KIT-FLAG: _- SERIALNO: 10584- |
|||
| ? | ☆ | • BUSHING | 1 | SN: 10584- KIT-FLAG: _- SERIALNO: 10584- |
|||
| ? | 07043-00312 | • PLUG | 2 | SN: 10584- KIT-FLAG: _- SERIALNO: 10584- |
|||
| ? | 6110-53-1122 | • PLATE | 1 | SN: 10584- KIT-FLAG: _- SERIALNO: 10584- |
|||
| ? | ☆ | • BODY | 1 | SN: 10584- KIT-FLAG: _- SERIALNO: 10584- |
|||
| ? | ☆ | • BUSHING | 1 | SN: 10584- KIT-FLAG: _- SERIALNO: 10584- |
|||
| ? | 6110-53-1162 | • SHAFT | 1 | SN: 10584- KIT-FLAG: _- SERIALNO: 10584- |
|||
| ? | 6114-51-1310 | • SHAFT | 1 | SN: 10584- KIT-FLAG: _- SERIALNO: 10584- |
|||
| ? | 6112-53-1500 | • GEAR ASS'Y | 2 | SN: 10584- KIT-FLAG: _- SERIALNO: 10584- |
|||
| ? | ☆ | • • GEAR | 1 | SN: 10584- KIT-FLAG: _- SERIALNO: 10584- |
|||
| ? | ☆ | • • BUSHING | 1 | SN: 10584- KIT-FLAG: _- SERIALNO: 10584- |
|||
| ? | 6110-53-1414 | • GEAR | 1 | SN: 10584- KIT-FLAG: _- SERIALNO: 10584- |
|||
| ? | 07043-00108 | • PLUG | 2 | SN: 10584- KIT-FLAG: _- SERIALNO: 10584- |
|||
| ? | 6110-53-1170 | • BOLT | 3 | SN: 10584- KIT-FLAG: _- SERIALNO: 10584- |
|||
| ? | 6110-53-1180 | • BOLT | 1 | SN: 10584- KIT-FLAG: _- SERIALNO: 10584- |
|||
| ? | 01582-01008 | • NUT | 4 | SN: 10584- KIT-FLAG: _- SERIALNO: 10584- |
|||
| ? | 01602-01030 | • WASHER | 4 | SN: 10584- KIT-FLAG: _- SERIALNO: 10584- |
|||
| ? | 6114-51-6310 | • PIPE | 1 | SN: 10584- KIT-FLAG: _- SERIALNO: 10584- |
|||
| ? | 6110-53-1720 | • GASKET (K2) | 1 | SN: 10584- KIT-FLAG: _- SERIALNO: 10584- |
|||
| ? | 01010-31050 | • BOLT | 2 | SN: 10584- KIT-FLAG: _- SERIALNO: 10584- |
|||
| ? | 01602-01030 | • WASHER | 2 | SN: 10584- KIT-FLAG: _- SERIALNO: 10584- |
