| Номер на схеме | Каталожный номер | Название | Количество | Детали | |||
|---|---|---|---|---|---|---|---|
| ? | (6711-71-1024) | PT FUEL PUMP ASS'Y | 1 | SN: 194106- |
|||
| ? | (□6711-71-1025) | PT FUEL PUMP ASS'Y | 1 | SN: 190541-194105 |
|||
| ? | (6711-71-1023) | PT FUEL PUMP ASS'Y | 1 | SN: 155898-190540 |
|||
| ? | (6711-71-1022) | PT FUEL PUMP ASS'Y | 1 | SN: 139849-155897 |
|||
| ? | THESE ASSEMBLIES CONSIST OF ALL PARTS SHOWN IN FIGS.451 TO 457. | ||||||
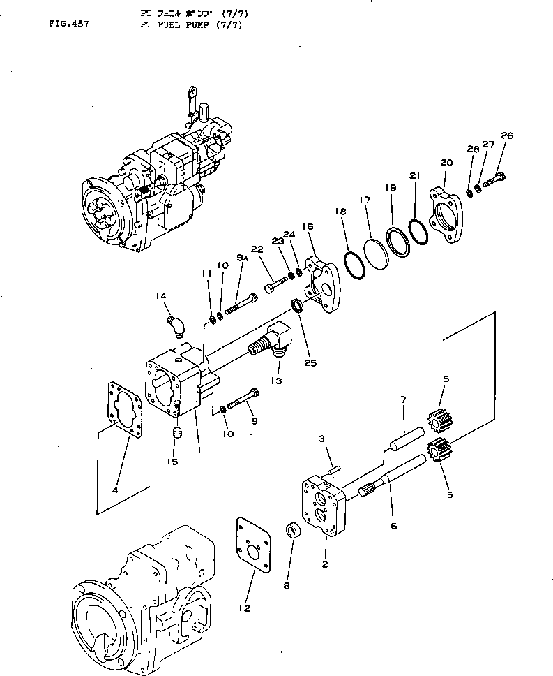
| ? | 6620-71-2073 | • GEAR PUMP ASS'Y | 1 | SN: 144160- |
|||
| ? | 6620-71-2072 | • GEAR PUMP ASS'Y | 1 | SN: 139849-144159 |
|||
| ? | 6620-71-2512 | • • HOUSING | 1 | SN: 144160- |
|||
| ? | 6620-71-2511 | • • HOUSING | 1 | SN: 139849-144159 |
|||
| ? | 6610-71-2521 | • • COVER | 1 | SN: 139849- |
|||
| ? | 02400-10625 | • • PIN | 2 | SN: 139849- |
|||
| ? | 6610-71-2541 | • • GASKET (K6) | 1 | SN: 139849- |
|||
| ? | 6620-71-2641 | • • GEAR | 2 | SN: 139849- |
|||
| ? | 6620-71-2610 | • • SHAFT | 1 | SN: 139849- |
|||
| ? | 6620-71-2631 | • • SHAFT | 1 | SN: 139849- |
|||
| ? | 6610-71-2530 | • • RING | 1 | SN: 139849- |
|||
| ? | 02100-00464 | • BOLT | 4 | SN: 139849- |
|||
| ? | 02100-00464 | • BOLT | 2 | SN: .- |
|||
| ? | 02100-00457 | • BOLT | 2 | SN: 139849-. |
|||
| ? | 6610-71-1230 | • WASHER,SPRING | 6 | SN: 139849- |
|||
| ? | 6610-71-1840 | • WASHER | 2 | SN: 139849- |
|||
| ? | 6610-71-2811 | • GASKET (K6) | 1 | SN: 139849- |
|||
| ? | 6691-71-2570 | • ELBOW,FUEL INLET | 1 | SN: 139849- |
|||
| ? | 6610-71-8190 | • ELBOW | 1 | SN: 139849- |
|||
| ? | 02720-40204 | • PLUG | 1 | SN: 139849- |
|||
| ? | 6610-71-2090 | • DAMPER ASS'Y | 1 | SN: 139849- |
|||
| ? | 6610-71-2710 | • • BODY | 1 | SN: 139849- |
|||
| ? | 6610-71-2731 | • • DIAPHRAGM | 1 | SN: 139849- |
|||
| ? | 6610-71-2741 | • • RING (K6) | 1 | SN: 139849- |
|||
| ? | 6610-71-2760 | • • WASHER | 1 | SN: 139849- |
|||
| ? | 6610-71-2720 | • • COVER | 1 | SN: 139849- |
|||
| ? | 6610-71-2771 | • • RING (K6) | 1 | SN: 139849- |
|||
| ? | 02010-70432 | • • BOLT | 2 | SN: 139849- |
|||
| ? | 01602-00720 | • • WASHER,SPRING | 2 | SN: 139849- |
|||
| ? | 6610-71-1840 | • • WASHER | 2 | SN: 139849- |
|||
| ? | 6610-71-2750 | • • SEAL (K6) | 1 | SN: 139849- |
|||
| ? | 6600-01-2150 | • BOLT | 2 | SN: 139849- |
|||
| ? | 6610-71-1230 | • WASHER,SPRING | 2 | SN: 139849- |
|||
| ? | 6610-71-1840 | • WASHER | 2 | SN: 139849- |
