| Номер на схеме | Каталожный номер | Название | Количество | Детали | |||
|---|---|---|---|---|---|---|---|
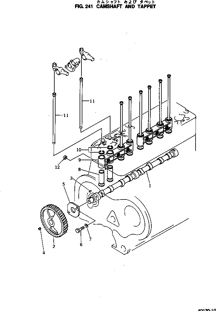
| ? | 6114-41-1100 | CAMSHAFT ASS'Y | 1 | SN: 10030- KIT-FLAG: _- SERIALNO: 10030- |
|||
| ? | ☆ | • CAMSHAFT | 1 | SN: 10030- KIT-FLAG: _- SERIALNO: 10030- |
|||
| ? | 6114-41-1120 | • GEAR | 1 | SN: 10030- KIT-FLAG: _- SERIALNO: 10030- |
|||
| ? | 04010-00728 | • KEY | 1 | SN: 10030- KIT-FLAG: _- SERIALNO: 10030- |
|||
| ? | 07043-00108 | • PLUG | 1 | SN: 10030- KIT-FLAG: _- SERIALNO: 10030- |
|||
| ? | 6110-43-1130 | • PLATE | 1 | SN: 10030- KIT-FLAG: _- SERIALNO: 10030- |
|||
| ? | 01010-31225 | BOLT | 2 | SN: 10030- KIT-FLAG: _- SERIALNO: 10030- |
|||
| ? | 01602-01236 | WASHER | 2 | SN: 10030- KIT-FLAG: _- SERIALNO: 10030- |
|||
| ? | 6110-43-2110 | TAPPET | 8 | SN: 10030- KIT-FLAG: _- SERIALNO: 10030- |
|||
| ? | 6114-41-2210 | GUIDE | 2 | SN: 10030- KIT-FLAG: _- SERIALNO: 10030- |
|||
| ? | 6110-41-2120 | RING | 8 | SN: 10030- KIT-FLAG: _- SERIALNO: 10030- |
|||
| ? | 6110-43-3110 | ROD | 8 | SN: 10030- KIT-FLAG: _- SERIALNO: 10030- |
|||
| ? | (6110-21-1130) | SPACER,(SEE FIG.201) | 4 | SN: 10030- KIT-FLAG: _- SERIALNO: 10030- |
