| Номер на схеме | Каталожный номер | Название | Количество | Детали | |||
|---|---|---|---|---|---|---|---|
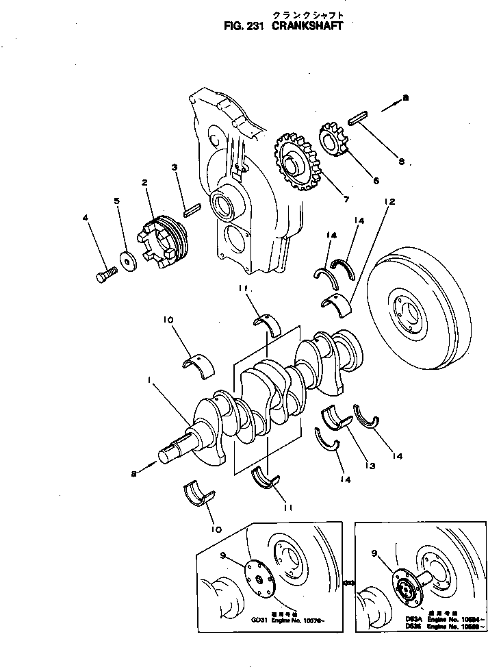
| ? | 6110-33-1112 | CRANKSHAFT | 1 | SN: 10030- KIT-FLAG: _- SERIALNO: 10030- |
|||
| ? | 6114-31-1441 | PULLEY,NON HARDENING | 1 | SN: 10100- KIT-FLAG: _- SERIALNO: 10100- |
|||
| ? | 6114-31-1440 | PULLEY,NON HARDENING | 1 | SN: 10030-10099 KIT-FLAG: _- SERIALNO: 10030-10099 |
|||
| ? | 04000-01250 | KEY | 1 | SN: 10030- KIT-FLAG: _- SERIALNO: 10030- |
|||
| ? | 6110-33-1411 | BOLT | 1 | SN: 10030- KIT-FLAG: _- SERIALNO: 10030- |
|||
| ? | 6114-31-1430 | PLATE | 1 | SN: 10030- KIT-FLAG: _- SERIALNO: 10030- |
|||
| ? | 6112-33-1120 | GEAR | 1 | SN: 10030- KIT-FLAG: _- SERIALNO: 10030- |
|||
| ? | 6110-33-1130 | GEAR | 1 | SN: 10030- KIT-FLAG: _- SERIALNO: 10030- |
|||
| ? | 04000-01280 | KEY | 1 | SN: 10030- KIT-FLAG: _- SERIALNO: 10030- |
|||
| ? | STANDARD | SERIALNO: |
|||||
| ? | 6114-20-8010 | METAL ASS'Y | 1 | SN: 10030- KIT-FLAG: _- SERIALNO: 10030- |
|||
| ? | 6110-20-8070 | • MAIN METAL A. | 1 | SN: 10030- KIT-FLAG: _- SERIALNO: 10030- |
|||
| ? | 6110-20-8800 | • • MAIN METAL A.,NO.1 | 1 | SN: 10030- KIT-FLAG: _- SERIALNO: 10030- |
|||
| ? | ☆ | • • • METAL | 2 | SN: 10030- KIT-FLAG: _- SERIALNO: 10030- |
|||
| ? | 6110-20-8900 | • • MAIN METAL A.,NO.2,3,4 | 3 | SN: 10030- KIT-FLAG: _- SERIALNO: 10030- |
|||
| ? | ☆ | • • • METAL | 2 | SN: 10030- KIT-FLAG: _- SERIALNO: 10030- |
|||
| ? | 6110-20-8400 | • • MAIN METAL A.,NO.5 | 1 | SN: 10030- KIT-FLAG: _- SERIALNO: 10030- |
|||
| ? | ☆ | • • • METAL | 1 | SN: 10030- KIT-FLAG: _- SERIALNO: 10030- |
|||
| ? | ☆ | • • • METAL | 1 | SN: 10030- KIT-FLAG: _- SERIALNO: 10030- |
|||
| ? | 6114-20-8050 | • THRUST METAL A. | 1 | SN: 10030- KIT-FLAG: _- SERIALNO: 10030- |
|||
| ? | ☆ | • • METAL | 4 | SN: 10030- KIT-FLAG: _- SERIALNO: 10030- |
|||
| ? | UNDERSIZE 0.25MM | SERIALNO: |
|||||
| ? | 6110-29-8070 | MAIN METAL A. | 1 | SN: 10030- KIT-FLAG: _- SERIALNO: 10030- |
|||
| ? | 6110-29-8800 | • MAIN METAL A.,NO.1 | 1 | SN: 10030- KIT-FLAG: _- SERIALNO: 10030- |
|||
| ? | ☆ | • • METAL | 2 | SN: 10030- KIT-FLAG: _- SERIALNO: 10030- |
|||
| ? | 6110-29-8900 | • MAIN METAL A.,NO.2,3,4 | 3 | SN: 10030- KIT-FLAG: _- SERIALNO: 10030- |
|||
| ? | ☆ | • • METAL | 2 | SN: 10030- KIT-FLAG: _- SERIALNO: 10030- |
|||
| ? | 6110-29-8400 | • MAIN METAL A.,NO.5 | 1 | SN: 10030- KIT-FLAG: _- SERIALNO: 10030- |
|||
| ? | ☆ | • • METAL | 1 | SN: 10030- KIT-FLAG: _- SERIALNO: 10030- |
|||
| ? | ☆ | • • METAL | 1 | SN: 10030- KIT-FLAG: _- SERIALNO: 10030- |
|||
| ? | UNDERSIZE 0.50MM | SERIALNO: |
|||||
| ? | 6110-28-8070 | MAIN METAL A. | 1 | SN: 10030- KIT-FLAG: _- SERIALNO: 10030- |
|||
| ? | 6110-28-8800 | • MAIN METAL A.,NO.1 | 1 | SN: 10030- KIT-FLAG: _- SERIALNO: 10030- |
|||
| ? | ☆ | • • METAL | 2 | SN: 10030- KIT-FLAG: _- SERIALNO: 10030- |
|||
| ? | 6110-28-8900 | • MAIN METAL A.,NO.2,3,4 | 3 | SN: 10030- KIT-FLAG: _- SERIALNO: 10030- |
|||
| ? | ☆ | • • METAL | 2 | SN: 10030- KIT-FLAG: _- SERIALNO: 10030- |
|||
| ? | 6110-28-8400 | • MAIN METAL A.,NO.5 | 1 | SN: 10030- KIT-FLAG: _- SERIALNO: 10030- |
|||
| ? | ☆ | • • METAL | 1 | SN: 10030- KIT-FLAG: _- SERIALNO: 10030- |
|||
| ? | ☆ | • • METAL | 1 | SN: 10030- KIT-FLAG: _- SERIALNO: 10030- |
|||
| ? | UNDERSIZE 0.75MM | SERIALNO: |
|||||
| ? | 6110-27-8070 | MAIN METAL A. | 1 | SN: 10030- KIT-FLAG: _- SERIALNO: 10030- |
|||
| ? | 6110-27-8800 | • MAIN METAL A.,NO.1 | 1 | SN: 10030- KIT-FLAG: _- SERIALNO: 10030- |
|||
| ? | ☆ | • • METAL | 2 | SN: 10030- KIT-FLAG: _- SERIALNO: 10030- |
|||
| ? | 6110-27-8900 | • MAIN METAL A.,NO.2,3,4 | 3 | SN: 10030- KIT-FLAG: _- SERIALNO: 10030- |
|||
| ? | ☆ | • • METAL | 2 | SN: 10030- KIT-FLAG: _- SERIALNO: 10030- |
|||
| ? | 6110-27-8400 | • MAIN METAL A.,NO.5 | 1 | SN: 10030- KIT-FLAG: _- SERIALNO: 10030- |
|||
| ? | ☆ | • • METAL | 1 | SN: 10030- KIT-FLAG: _- SERIALNO: 10030- |
|||
| ? | ☆ | • • METAL | 1 | SN: 10030- KIT-FLAG: _- SERIALNO: 10030- |
|||
| ? | UNDERSIZE 1.00MM | SERIALNO: |
|||||
| ? | 6110-26-8070 | MAIN METAL A. | 1 | SN: 10030- KIT-FLAG: _- SERIALNO: 10030- |
|||
| ? | 6110-26-8800 | • MAIN METAL A.,NO.1 | 1 | SN: 10030- KIT-FLAG: _- SERIALNO: 10030- |
|||
| ? | ☆ | • • METAL | 2 | SN: 10030- KIT-FLAG: _- SERIALNO: 10030- |
|||
| ? | 6110-26-8900 | • MAIN METAL A.,NO.2,3,4 | 3 | SN: 10030- KIT-FLAG: _- SERIALNO: 10030- |
|||
| ? | ☆ | • • METAL | 2 | SN: 10030- KIT-FLAG: _- SERIALNO: 10030- |
|||
| ? | 6110-26-8400 | • MAIN METAL A.,NO.5 | 1 | SN: 10030- KIT-FLAG: _- SERIALNO: 10030- |
|||
| ? | ☆ | • • METAL | 1 | SN: 10030- KIT-FLAG: _- SERIALNO: 10030- |
|||
| ? | ☆ | • • METAL | 1 | SN: 10030- KIT-FLAG: _- SERIALNO: 10030- |
|||
| ? | OVERSIZE 0.25MM | SERIALNO: |
|||||
| ? | 6114-29-8050 | THRUST METAL A. | 1 | SN: 10030- KIT-FLAG: _- SERIALNO: 10030- |
|||
| ? | ☆ | • METAL | 2 | SN: 10030- KIT-FLAG: _- SERIALNO: 10030- |
|||
| ? | ☆ | • METAL | 2 | SN: 10030- KIT-FLAG: _- SERIALNO: 10030- |
|||
| ? | OVERSIZE 0.50MM | SERIALNO: |
|||||
| ? | 6114-28-8050 | THRUST METAL A. | 1 | SN: 10030- KIT-FLAG: _- SERIALNO: 10030- |
|||
| ? | ☆ | • METAL | 4 | SN: 10030- KIT-FLAG: _- SERIALNO: 10030- |
|||
| ? | OVERSIZE 0.75MM | SERIALNO: |
|||||
| ? | 6114-27-8050 | THRUST METAL A. | 1 | SN: 10030- KIT-FLAG: _- SERIALNO: 10030- |
|||
| ? | ☆ | • METAL | 2 | SN: 10030- KIT-FLAG: _- SERIALNO: 10030- |
|||
| ? | ☆ | • METAL | 2 | SN: 10030- KIT-FLAG: _- SERIALNO: 10030- |
|||
| ? | OVERSIZE 1.00MM | SERIALNO: |
|||||
| ? | 6114-26-8050 | THRUST METAL A. | 1 | SN: 10030- KIT-FLAG: _- SERIALNO: 10030- |
|||
| ? | ☆ | • METAL | 4 | SN: 10030- KIT-FLAG: _- SERIALNO: 10030- |
