| Номер на схеме | Каталожный номер | Название | Количество | Детали | |||
|---|---|---|---|---|---|---|---|
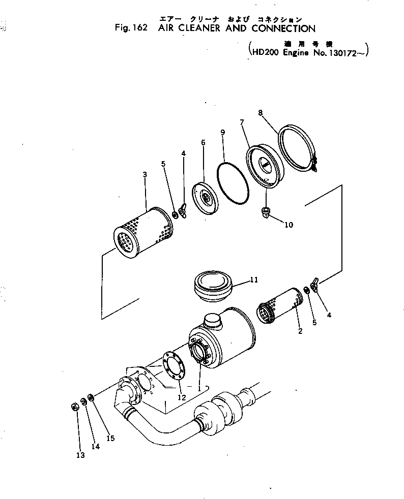
| ? | 6692-81-7300 | AIR CLEANER ASS'Y | 1 | SN: 130172- |
|||
| ? | 6692-81-7310 | • BODY | 1 | SN: 130172- |
|||
| ? | 600-181-4211 | • ELEMENT | 1 | SN: 130172- |
|||
| ? | 600-181-4311 | • ELEMENT | 1 | SN: 130172- |
|||
| ? | 600-181-4581 | • NUT | 2 | SN: 130172- |
|||
| ? | 600-181-4591 | • WASHER | 2 | SN: 130172- |
|||
| ? | 6710-82-7130 | • BAFFLE | 1 | SN: 130172- |
|||
| ? | 6710-82-7121 | • CUP | 1 | SN: 130172- |
|||
| ? | 600-181-1490 | • CLAMP | 1 | SN: 130172- |
|||
| ? | 6127-81-7190 | • O-RING | 1 | SN: 130172- |
|||
| ? | 600-181-9810 | • VALVE | 1 | SN: 130172- |
|||
| ? | 600-181-1510 | CAP | 1 | SN: 130172- |
|||
| ? | 6127-81-4820 | GASKET (KIT) | 2 | SN: 130172- |
|||
| ? | 01580-11008 | NUT | 8 | SN: 130172- |
|||
| ? | 01602-01030 | WASHER | 8 | SN: 130172- |
|||
| ? | 01641-21223 | WASHER | 8 | SN: 130172- |
