| Номер на схеме | Каталожный номер | Название | Количество | Детали | |||
|---|---|---|---|---|---|---|---|
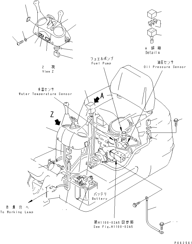
| ? | 21S-946-2720 | COVER | 1 | SN: 15001- |
|||
| ? | 20A-06-11121 | WIRING HARNESS | 1 | SN: 15001- |
|||
| ? | 21S-06-11140 | SERVICE METER | 1 | SN: 15001- |
|||
| ? | 21A-06-11130 | SWITCH,STARTING | 1 | SN: 15001- |
|||
| ? | 21A-06-11410 | • KEY | 1 | SN: 15001- |
|||
| ? | FF7840-06420 | LAMP,OIL PRESSURE | 1 | SN: 15001- |
|||
| ? | 08111-01230 | • BULB ? 4W | 1 | SN: 15001- |
|||
| ? | FF7840-06520 | • LENS | 1 | SN: 15001- |
|||
| ? | FF7830-06130 | LAMP,WATER TEMPERATURE | 1 | SN: 15001- |
|||
| ? | 08111-01230 | • BULB ? 4W | 1 | SN: 15001- |
|||
| ? | FF7830-06140 | • LENS | 1 | SN: 15001- |
|||
| ? | 08034-00519 | BAND | 2 | SN: 15001- |
|||
| ? | 21U-43-25210 | SCREW | 4 | SN: 15001- |
|||
| ? | 21U-43-25220 | WASHER | 4 | SN: 15001- |
|||
| ? | 21S-06-21240 | WIRING HARNESS | 1 | SN: 15001- |
|||
| ? | 20A-06-11140 | • FUSE BOX | 1 | SN: 15001- |
|||
| ? | 22W-06-13150 | • FUSE ? 5A | 3 | SN: 15001- |
|||
| ? | 20A-06-11160 | • LINK,FUSIBLE | 1 | SN: 15001- |
|||
| ? | 20A-06-11190 | CAP | 1 | SN: 15001- |
|||
| ? | 21R-06-11230 | CABLE,EARTH | 1 | SN: 15001- |
|||
| ? | 01435-00816 | BOLT | 1 | SN: 15001- |
|||
| ? | 20A-06-11411 | HORN | 1 | SN: 15001- |
|||
| ? | 01435-00812 | BOLT | 1 | SN: 15001- |
|||
| ? | 08036-10810 | CLIP | 1 | SN: 15001- |
|||
| ? | 01435-00616 | BOLT | 1 | SN: 15001- |
|||
| ? | 08034-20519 | BAND | 1 | SN: 15001- |
|||
| ? | 08147-41201 | LAMP | 1 | SN: 15001- |
|||
| ? | 21S-946-2710 | WIRING HARNESS | 1 | SN: 15001- |
|||
| ? | 21S-43-21910 | PLATE | 1 | SN: 15001- |