| Номер на схеме | Каталожный номер | Название | Количество | Детали | |||
|---|---|---|---|---|---|---|---|
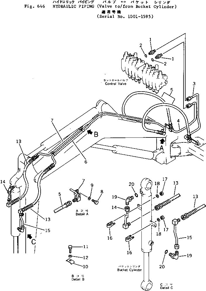
| ? | 20M-62-11310 | NIPPLE | 2 | SN: 1001-@ KIT-FLAG: _- SERIALNO: 1001-@ |
|||
| ? | 07000-12014 | O-RING | 2 | SN: 1001-@ KIT-FLAG: _- SERIALNO: 1001-@ |
|||
| ? | 20M-62-11530 | TUBE | 1 | SN: 1001-@ KIT-FLAG: _- SERIALNO: 1001-@ |
|||
| ? | 20M-62-11540 | TUBE | 1 | SN: 1001-@ KIT-FLAG: _- SERIALNO: 1001-@ |
|||
| ? | 20M-62-13210 | HOSE | 2 | SN: 1001-@ KIT-FLAG: _- SERIALNO: 1001-@ |
|||
| ? | 20M-62-13310 | TUBE | 1 | SN: 1001-@ KIT-FLAG: _- SERIALNO: 1001-@ |
|||
| ? | 20M-62-13320 | TUBE | 1 | SN: 1001-@ KIT-FLAG: _- SERIALNO: 1001-@ |
|||
| ? | 01010-30820 | BOLT | 2 | SN: 1001-@ KIT-FLAG: _- SERIALNO: 1001-@ |
|||
| ? | 01602-00825 | WASHER,SPRING | 2 | SN: 1001-@ KIT-FLAG: _- SERIALNO: 1001-@ |
|||
| ? | 20M-62-13410 | CLAMP | 2 | SN: 1001-@ KIT-FLAG: _- SERIALNO: 1001-@ |
|||
| ? | 01010-30812 | BOLT | 2 | SN: 1001-@ KIT-FLAG: _- SERIALNO: 1001-@ |
|||
| ? | 01602-00825 | WASHER,SPRING | 2 | SN: 1001-@ KIT-FLAG: _- SERIALNO: 1001-@ |
|||
| ? | 20M-62-12220 | HOSE | 2 | SN: 1001-@ KIT-FLAG: _- SERIALNO: 1001-@ |
|||
| ? | 20M-62-13331 | TUBE | 1 | SN: 1001-1595 KIT-FLAG: _- SERIALNO: 1001-1595 |
|||
| ? | 20M-62-13341 | TUBE | 1 | SN: 1001-1595 KIT-FLAG: _- SERIALNO: 1001-1595 |
|||
| ? | 07283-21022 | CLIP | 2 | SN: 1001-@ KIT-FLAG: _- SERIALNO: 1001-@ |
|||
| ? | 01598-00608 | NUT | 4 | SN: 1001-@ KIT-FLAG: _- SERIALNO: 1001-@ |
|||
| ? | 01643-00623 | WASHER | 4 | SN: 1001-@ KIT-FLAG: _- SERIALNO: 1001-@ |
|||
| ? | 07235-10210 | ELBOW | 2 | SN: 1001-1595 KIT-FLAG: _- SERIALNO: 1001-1595 |
|||
| ? | 07002-11423 | O-RING | 2 | SN: 1001-1595 KIT-FLAG: _- SERIALNO: 1001-1595 |
