| Номер на схеме | Каталожный номер | Название | Количество | Детали | |||
|---|---|---|---|---|---|---|---|
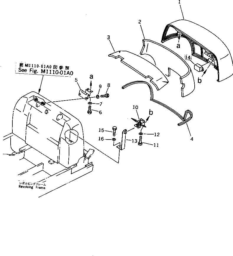
| ? | 20M-54-72100 | HOOD ASS'Y | 1 | SN: 8001-10616 |
|||
| ? | ☆ | • HOOD | 1 | SN: 8001-@ |
|||
| ? | 20M-54-72310 | • SHEET | 1 | SN: 8001-10616 |
|||
| ? | 20M-54-72320 | • SHEET | 1 | SN: 8001-10616 |
|||
| ? | 20M-54-72261 | SEAL | 1 | SN: 8001-@ |
|||
| ? | 20M-54-72131 | HINGE ASS'Y | 2 | SN: 8001-@ |
|||
| ? | 01010-50820 | BOLT | 4 | SN: 8001-@ |
|||
| ? | 01643-30823 | WASHER | 4 | SN: 8001-@ |
|||
| ? | 01010-51025 | BOLT | 4 | SN: 8001-@ |
|||
| ? | 01643-31032 | WASHER | 4 | SN: 8001-@ |
|||
| ? | 20M-54-72210 | LOCK ASS'Y | 1 | SN: 8001-@ |
|||
| ? | 01010-50816 | BOLT | 2 | SN: 8001-@ |
|||
| ? | 01643-30823 | WASHER | 2 | SN: 8001-@ |
|||
| ? | 20M-54-72221 | BRACKET | 1 | SN: 8001-@ |
|||
| ? | 20M-54-72250 | CATCH | 1 | SN: 8001-@ |
|||
| ? | 01010-50820 | BOLT | 2 | SN: 8001-@ |
|||
| ? | 01643-30823 | WASHER | 2 | SN: 8001-@ |
