| Номер на схеме | Каталожный номер | Название | Количество | Детали | |||
|---|---|---|---|---|---|---|---|
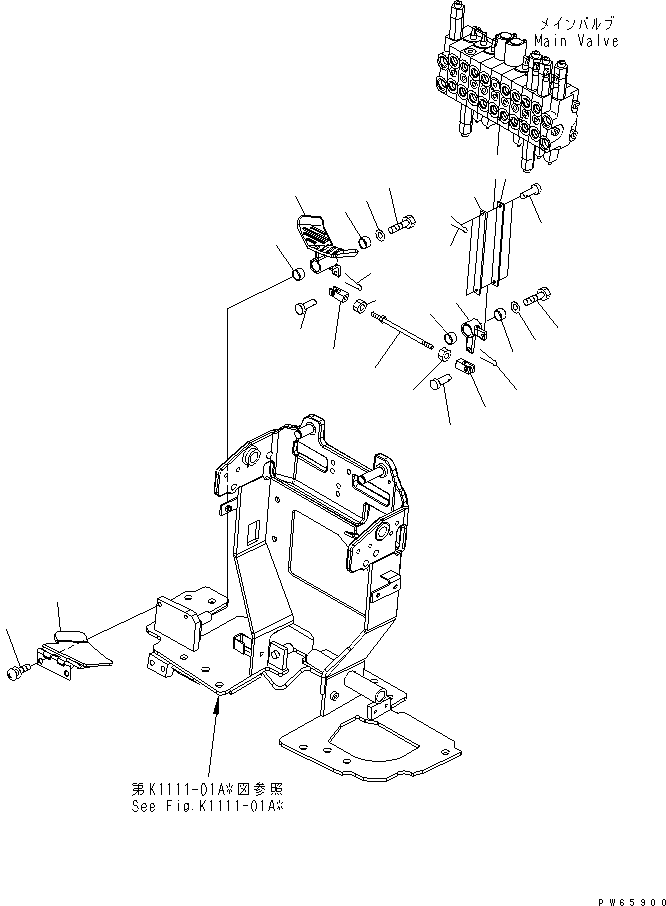
| ? | 21S-43-31640 | PEDAL,SWING | 1 | SN: 10001- |
|||
| ? | 20A-43-11280 | BUSHING | 2 | SN: 10001- |
|||
| ? | 154-61-16570 | WASHER | 1 | SN: 10001- |
|||
| ? | 01010-80816 | BOLT | 1 | SN: 10001- |
|||
| ? | 21S-43-31610 | LEVER,SWING | 1 | SN: 10001- |
|||
| ? | 20A-43-11280 | BUSHING | 2 | SN: 10001- |
|||
| ? | 154-61-16570 | WASHER | 1 | SN: 10001- |
|||
| ? | 01010-80816 | BOLT | 1 | SN: 10001- |
|||
| ? | 21S-43-31630 | PLATE | 2 | SN: 10001- |
|||
| ? | 21S-43-31260 | PIN | 2 | SN: 10001- |
|||
| ? | 04050-11210 | PIN,COTTER | 2 | SN: 10001- |
|||
| ? | 04210-20624 | YOKE | 1 | SN: 10001- |
|||
| ? | 01580-10605 | NUT | 1 | SN: 10001- |
|||
| ? | 04248-30614 | ROD | 1 | SN: 10001- |
|||
| ? | 04220-20624 | YOKE | 1 | SN: 10001- |
|||
| ? | 01508-40603 | NUT | 1 | SN: 10001- |
|||
| ? | 04205-10618 | PIN | 2 | SN: 10001- |
|||
| ? | 04050-11612 | PIN,COTTER | 2 | SN: 10001- |
|||
| ? | 21S-43-31622 | LOCK,SWING | 1 | SN: 10448- |
|||
| ? | 21S-43-31621 | LOCK,SWING | 1 | SN: 10001-10447 |
|||
| ? | 01023-10825 | SCREW | 2 | SN: 10448- |
|||
| ? | 01023-10816 | SCREW | 2 | SN: 10001-10447 |