k-part
Номер на схеме Каталожный номер Название Количество Детали
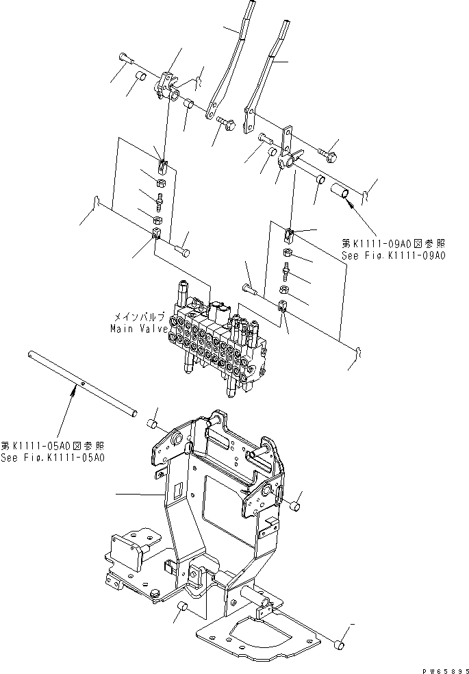
? 21S-43-31115 BRACKET,MAIN 1
SN: 10448-
? 21S-43-31114 BRACKET,MAIN 1
SN: 10109-10447
? 21S-43-31113 BRACKET,MAIN 1
SN: 10025-10108
? 21S-43-31112 BRACKET,MAIN 1
SN: 10001-10024
? 09350-01615 BUSHING 4
SN: 10001-
? 21S-43-32111 LEVER,L.H. 1
SN: 10001-
? 20A-43-11280 BUSHING 2
SN: 10001-
? 21S-43-32122 LEVER,L.H. 1
SN: 10001-
? 01435-01020 BOLT 2
SN: 10001-
? 21S-43-32131 LEVER,R.H. 1
SN: 10001-
? 09350-01615 BUSHING 2
SN: 10001-
? 21S-43-32142 LEVER,R.H. 1
SN: 10001-
? 01435-01020 BOLT 2
SN: 10001-
? 21S-43-31230 YOKE 2
SN: 10001-
? 01580-10605 NUT 2
SN: 10001-
? 21S-43-31241 YOKE 2
SN: 10001-
? 21S-43-31250 ROD 2
SN: 10001-
? 01508-40603 NUT 2
SN: 10001-
? 21S-43-31260 PIN 4
SN: 10001-
? 04050-11210 PIN,COTTER 4
SN: 10025-
? 04052-10530 PIN,SNAP 4
SN: 10001-10024

Excavators Komatsu / PC09-1-A S/N 10001-UP(pc09-1-r) / MAIN CONTROL LEVER (BRACKET AND TRAVEL)(210050 : K1111-01A0)
?
?
?
?
?
?
?
?
?
?
?
?
?
?
?
?
?
?
?
?
?
?
?
?
?
?
?
?
?
?
?
?
?