| Номер на схеме | Каталожный номер | Название | Количество | Детали | |||
|---|---|---|---|---|---|---|---|
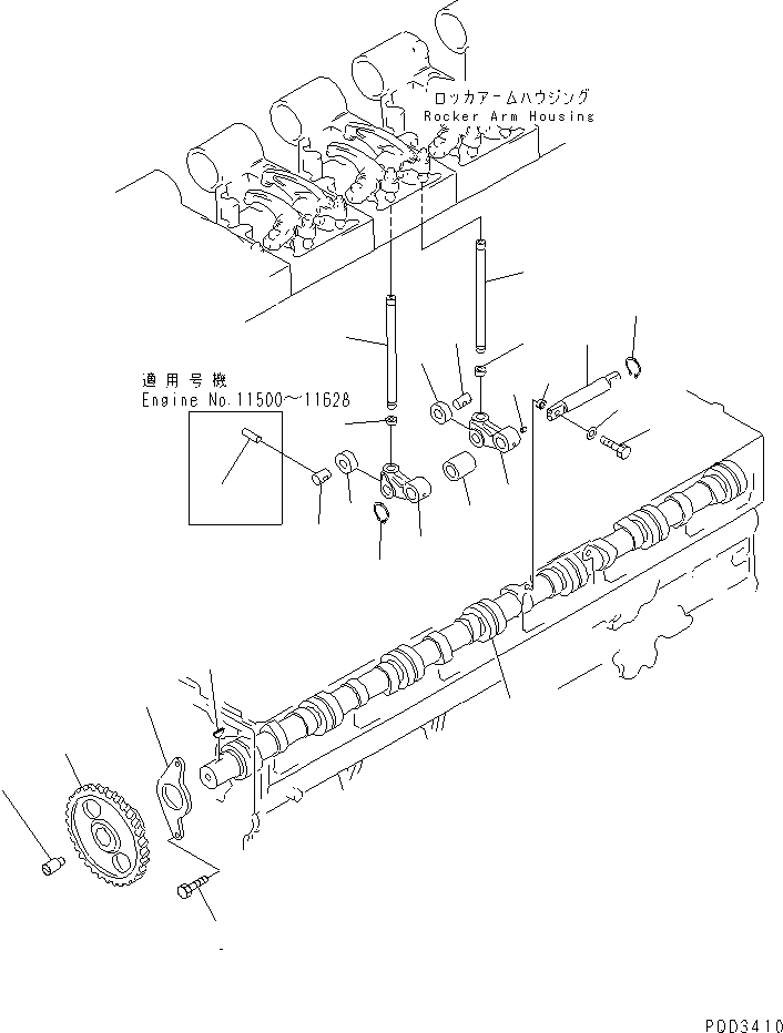
| ? | 6162-43-1100 | CAMSHAFT ASS'Y | 1 | SN: 11500-17473 |
|||
| ? | ☆ | • CAMSHAFT | 1 | SN: 11500-@ |
|||
| ? | 04010-00738 | • KEY | 1 | SN: 11500-@ |
|||
| ? | 6162-43-1130 | • PLATE,THRUST | 1 | SN: 11500-@ |
|||
| ? | 6162-43-1121 | • GEAR | 1 | SN: 11500-@ |
|||
| ? | 6162-53-1891 | SHAFT | 1 | SN: 13113-17473 |
|||
| ? | ♦6162-53-1890 | SHAFT | 1 | SN: 11500-13112 |
|||
| ? | 6162-42-1150 | BOLT | 2 | SN: 11500-@ |
|||
| ? | 6162-43-2021 | CAMFOLLOWER SHAFT A. | 6 | SN: 11629-@ |
|||
| ? | □6162-43-2020 | CAMFOLLOWER ASS'Y | 6 | SN: 11500-11628 |
|||
| ? | 6162-43-2301 | • CAMFOLLOWER ASS'Y | 2 | SN: 11629-@ |
|||
| ? | ▩6162-43-2300 | • CAMFOLLOWER ASS'Y | 2 | SN: 11500-11628 |
|||
| ? | (6162-43-2301{6162-43-2401)} | ||||||
| ? | ☆ | • • FOLLOWER,CAM | 1 | SN: 11629-@ |
|||
| ? | ☆ | • • FOLLOWER,CAM | 1 | SN: 11500-11628 |
|||
| ? | ☆ | • • SOCKET | 1 | SN: 11629-@ |
|||
| ? | ☆ | • • SOCKET | 1 | SN: 11500-11628 |
|||
| ? | ☆ | • • ROLLER,CAM | 1 | SN: 11500-@ |
|||
| ? | ☆ | • • PIN,ROLLER | 1 | SN: 11629-@ |
|||
| ? | ☆ | • • PIN,ROLLER | 1 | SN: 11500-11628 |
|||
| ? | ☆ | • • PIN | 1 | SN: 11500-11628 |
|||
| ? | 6162-43-2320 | • COLLAR | 1 | SN: 11500-@ |
|||
| ? | 6162-43-2401 | • SHAFT ASS'Y | 1 | SN: 11629-@ |
|||
| ? | 6162-43-2400 | • SHAFT ASS'Y | 1 | SN: 11500-11628 |
|||
| ? | ☆ | • • SHAFT | 1 | SN: 11629-@ |
|||
| ? | ☆ | • • SHAFT | 1 | SN: 11500-11628 |
|||
| ? | ☆ | • • PIN,DOWEL | 1 | SN: 11500-@ |
|||
| ? | 04064-02512 | • RING,SNAP | 2 | SN: 11500-@ |
|||
| ? | 6162-43-2450 | BOLT | 12 | SN: 11500-@ |
|||
| ? | 01643-31232 | WASHER | 12 | SN: 11500-@ |
|||
| ? | 6162-43-2430 | RING,DOWEL | 12 | SN: 11500-@ |
|||
| ? | 6162-43-3101 | ROD,PUSH | 12 | SN: 11500-@ |