k-part
Номер на схеме Каталожный номер Название Количество Детали
? SERIAL NO. IN ( ) INDICATES TRANSMISSION SERIAL NO.
SERIALNO:
? (☒714-21-10004) TRANSMISSION ASS'Y 1
SN: ((1490)-00053227)
KIT-FLAG: _-
SERIALNO: ((1490)-00053227)
? (☒714-21-10003) TRANSMISSION ASS'Y 1
SN: ((1490)-(101557))
KIT-FLAG: _-
SERIALNO: ((1490)-(101557))
? □714-21-10002 TRANSMISSION ASS'Y 1
SN: (1224)-(1489)
KIT-FLAG: _-
SERIALNO: (1224)-(1489)
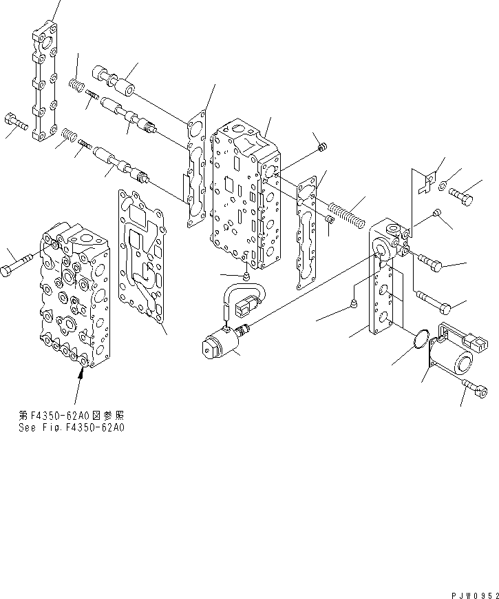
? THESE ASSEMBLIES CONSISTS OF ALL PARTS SHOWN IN FIGS.F4350-51A0 TO F4350-69A0.
SERIALNO:
? □714-21-10001 TRANSMISSION ASS'Y 1
SN: 53001-(1223)
KIT-FLAG: _-
SERIALNO: 53001-(1223)
? □714-22-15010 • VALVE ASS'Y,T/M 1
SN: (1456)-00053227
KIT-FLAG: _-
SERIALNO: (1456)-00053227
? □714-19-15001 • VALVE ASS'Y,TRANSMISSION 1
SN: (1425)-(1455)
KIT-FLAG: _-
SERIALNO: (1425)-(1455)
? (714-19-15000) • VALVE ASS'Y,TRANSMISSION 1
SN: 53001-(1424)
KIT-FLAG: _-
SERIALNO: 53001-(1424)
? THESE ASSEMBLIES CONSIST OF ALL PARTS SHOWN IN FIGS.F4350-62A0 AND F4350-63A0.
SERIALNO:
? 714-19-16101 • • VALVE ASS'Y 1
SN: 53228-@
KIT-FLAG: _-
SERIALNO: 53228-@
? □714-19-16100 • • VALVE ASS'Y,LOWER 1
SN: 53001-53227
KIT-FLAG: _-
SERIALNO: 53001-53227
? 714-19-00040 • • • BODY ASS'Y,LOWER VALVE 1
SN: 53001-@
KIT-FLAG: _-
SERIALNO: 53001-@
? • • • • BODY,LOWER 1
SN: (1368)-@
KIT-FLAG: _-
SERIALNO: (1368)-@
? • • • • BODY,LOWER VALVE 1
SN: 53001-(1367)
KIT-FLAG: _-
SERIALNO: 53001-(1367)
? 714-07-15450 • • • • ORIFICE 3
SN: 53001-@
KIT-FLAG: _-
SERIALNO: 53001-@
? 714-19-12910 • • • • ORIFICE 1
SN: 53001-@
KIT-FLAG: _-
SERIALNO: 53001-@
? 07043-70108 • • • • PLUG 1
SN: (1368)-@
KIT-FLAG: _-
SERIALNO: (1368)-@
? 714-19-15830 • • • COVER,LOWER VALVE, R.H. 1
SN: 53001-53227
KIT-FLAG: _-
SERIALNO: 53001-53227
? 02720-40104 • • • PLUG 3
SN: 53001-53227
KIT-FLAG: _-
SERIALNO: 53001-53227
? 714-19-15840 • • • COVER,LOWER VALVE, L.H. 1
SN: 53001-@
KIT-FLAG: _-
SERIALNO: 53001-@
? 714-19-15950 • • • GASKET,LOWER VALVE, R.H. (K2) 1
SN: 53001-@
KIT-FLAG: _-
SERIALNO: 53001-@
? 714-19-15960 • • • GASKET,LOWER VALVE, L.H. (K2) 1
SN: 53001-@
KIT-FLAG: _-
SERIALNO: 53001-@
? 714-19-15210 • • • VALVE,T/C OUTLET 1
SN: 53001-@
KIT-FLAG: _-
SERIALNO: 53001-@
? 714-19-16160 • • • SPRING,T/C OUTLET 1
SN: 53001-@
KIT-FLAG: _-
SERIALNO: 53001-@
? 714-19-15410 • • • VALVE,MODULATE 1
SN: (1008)-@
KIT-FLAG: _-
SERIALNO: (1008)-@
? 714-19-15410 • • • VALVE,MODULATE 3
SN: 53001-(1007)
KIT-FLAG: _-
SERIALNO: 53001-(1007)
? 714-19-15430 • • • VALVE,MODULATE 2
SN: (1008)-@
KIT-FLAG: _-
SERIALNO: (1008)-@
? 714-19-15420 • • • PISTON 3
SN: 53001-@
KIT-FLAG: _-
SERIALNO: 53001-@
? 714-07-15570 • • • SPRING,MODULATE 3
SN: 53001-@
KIT-FLAG: _-
SERIALNO: 53001-@
? 01010-80830 • • • BOLT 10
SN: 53001-@
KIT-FLAG: _-
SERIALNO: 53001-@
? 08053-01510 • • • CLIP 1
SN: 53001-@
KIT-FLAG: _-
SERIALNO: 53001-@
? 01010-80875 • • • BOLT 2
SN: (1440)-@
KIT-FLAG: _-
SERIALNO: (1440)-@
? 01010-30880 • • • BOLT 1
SN: 53001-(1439)
KIT-FLAG: _-
SERIALNO: 53001-(1439)
? 01643-30823 • • • WASHER 1
SN: 53001-@
KIT-FLAG: _-
SERIALNO: 53001-@
? 01010-80870 • • • BOLT 1
SN: (1440)-@
KIT-FLAG: _-
SERIALNO: (1440)-@
? 01010-30870 • • • BOLT 2
SN: 53001-(1439)
KIT-FLAG: _-
SERIALNO: 53001-(1439)
? 569-15-45610 • • • SOLENOID VALVE 3
SN: 53001-@
KIT-FLAG: _-
SERIALNO: 53001-@
? 01252-40625 • • • BOLT 12
SN: 53001-@
KIT-FLAG: _-
SERIALNO: 53001-@
? 07000-73035 • • • O-RING (K2) 3
SN: 53001-@
KIT-FLAG: _-
SERIALNO: 53001-@
? 22T-49-14101 • • • VALVE ASS'Y,SOLENOID 1
SN: 53001-53227
KIT-FLAG: _-
SERIALNO: 53001-53227
? 714-19-15910 • • GASKET,UPPER VALVE (K2) 1
SN: 53001-@
KIT-FLAG: _-
SERIALNO: 53001-@
? 01010-80865 • • BOLT 2
SN: 53001-@
KIT-FLAG: _-
SERIALNO: 53001-@

Cranes Komatsu / LW250-5H S/N 53001-UP (H Type)(lw250-5c) / TRANSMISSION CONTROL VALVE (3/4) (LOWER VALVE)(#53001-53227)(150170 : F4350-63A0)
?
?
?
?
?
?
?
?
?
?
?
?
?
?
?
?
?
?
?
?
?
?
?
?
?
?
?
?
?
?