| Номер на схеме | Каталожный номер | Название | Количество | Детали | |||
|---|---|---|---|---|---|---|---|
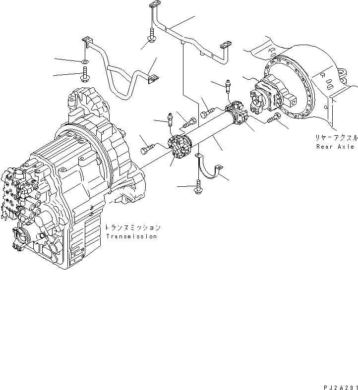
| ? | 23S-20-44100 | PROPELLER SHAFT A. | 1 | SN: 53201- KIT-FLAG: _- SERIALNO: 53201- |
|||
| ? | 423-20-13640 | • SPIDER ASS'Y | 2 | SN: 53201- KIT-FLAG: _- SERIALNO: 53201- |
|||
| ? | 423-20-12630 | • FITTING,GREASE | 2 | SN: 53201- KIT-FLAG: _- SERIALNO: 53201- |
|||
| ? | 424-20-12690 | • BOLT | 8 | SN: 53201- KIT-FLAG: _- SERIALNO: 53201- |
|||
| ? | 01050-61250 | BOLT | 8 | SN: 53201- KIT-FLAG: _- SERIALNO: 53201- |
|||
| ? | 23S-P64-5130 | GUARD | 1 | SN: 53201- KIT-FLAG: _- SERIALNO: 53201- |
|||
| ? | 01435-01025 | BOLT | 4 | SN: 53201- KIT-FLAG: _- SERIALNO: 53201- |
|||
| ? | 01643-31032 | WASHER | 4 | SN: 53201- KIT-FLAG: _- SERIALNO: 53201- |
|||
| ? | 23S-20-52120 | GUARD | 1 | SN: 53201- KIT-FLAG: _- SERIALNO: 53201- |
|||
| ? | 01435-01020 | BOLT | 4 | SN: 53201- KIT-FLAG: _- SERIALNO: 53201- |
|||
| ? | 23S-20-52130 | PLATE | 1 | SN: 53201- KIT-FLAG: _- SERIALNO: 53201- |
|||
| ? | 01435-01020 | BOLT | 2 | SN: 53201- KIT-FLAG: _- SERIALNO: 53201- |