| Номер на схеме | Каталожный номер | Название | Количество | Детали | |||
|---|---|---|---|---|---|---|---|
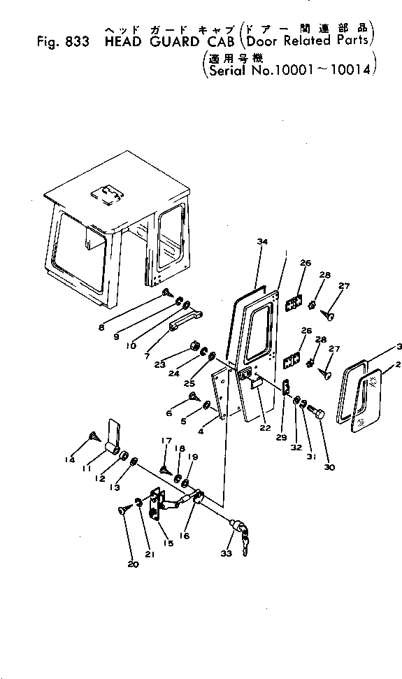
| ? | (381-989853-1) | CAB ASS'Y | 1 | SN: 10001-10014 |
|||
| ? | (381-989623-1) | • CAB ASS'Y | 1 | SN: 10001-10014 |
|||
| ? | 381-989657-1 | • • DOOR ASS'Y,L.H. | 1 | SN: 10001-10014 |
|||
| ? | 381-989658-1 | • • DOOR ASS'Y,R.H. | 1 | SN: 10001-10014 |
|||
| ? | 381-989659-1 | • • • DOOR,L.H. | 1 | SN: 10001-10014 |
|||
| ? | 381-989660-1 | • • • DOOR,R.H. | 1 | SN: 10001-10014 |
|||
| ? | 381-989661-1 | • • • GLASS | 1 | SN: 10001-10014 |
|||
| ? | 381-989662-1 | • • • STRIP | 1 | SN: 10001-10014 |
|||
| ? | 381-989663-1 | • • • PAD,L.H. | 1 | SN: 10001-10014 |
|||
| ? | 381-989664-1 | • • • PAD,R.H. | 1 | SN: 10001-10014 |
|||
| ? | 381-974910-1 | • • • WASHER | 11 | SN: 10001-10014 |
|||
| ? | 381-974911-1 | • • • SCREW | 11 | SN: 10001-10014 |
|||
| ? | 381-981565-1 | • • • HANDLE | 1 | SN: 10001-10014 |
|||
| ? | 01220-40520 | • • • SCREW | 2 | SN: 10001-10014 |
|||
| ? | 380-888124-1 | • • • WASHER | 2 | SN: 10001-10014 |
|||
| ? | 01642-20508 | • • • WASHER | 2 | SN: 10001-10014 |
|||
| ? | 381-980874-1 | • • • HANDLE | 1 | SN: 10001-10014 |
|||
| ? | 381-974942-1 | • • • ESCUTCHEON | 1 | SN: 10001-10014 |
|||
| ? | 381-974944-1 | • • • BASE | 1 | SN: 10001-10014 |
|||
| ? | 381-976110-1 | • • • SCREW | 1 | SN: 10001-10014 |
|||
| ? | 381-972321-1 | • • • LOCK,L.H. | 1 | SN: 10001-10014 |
|||
| ? | 381-972291-1 | • • • LOCK,R.H. | 1 | SN: 10001-10014 |
|||
| ? | 381-980873-1 | • • • CONTROL ASS'Y | 1 | SN: 10001-10014 |
|||
| ? | 01220-40612 | • • • SCREW | 3 | SN: 10001-10014 |
|||
| ? | 01602-20619 | • • • WASHER | 3 | SN: 10001-10014 |
|||
| ? | 01641-20608 | • • • WASHER | 3 | SN: 10001-10014 |
|||
| ? | 381-974961-1 | • • • SCREW | 3 | SN: 10001-10014 |
|||
| ? | 380-887180-1 | • • • WASHER | 3 | SN: 10001-10014 |
|||
| ? | 381-972320-1 | • • • HANDLE,L.H. | 1 | SN: 10001-10014 |
|||
| ? | 381-972289-1 | • • • HANDLE,R.H. | 1 | SN: 10001-10014 |
|||
| ? | 01580-10504 | • • • NUT | 2 | SN: 10001-10014 |
|||
| ? | 01601-20513 | • • • WASHER | 2 | SN: 10001-10014 |
|||
| ? | 01642-20508 | • • • WASHER | 2 | SN: 10001-10014 |
|||
| ? | 381-972341-1 | • • • HINGE | 2 | SN: 10001-10014 |
|||
| ? | 381-974947-1 | • • • SCREW | 16 | SN: 10001-10014 |
|||
| ? | 381-972361-1 | • • • WASHER | 16 | SN: 10001-10014 |
|||
| ? | 381-989687-1 | • • • HOOK | 1 | SN: 10001-10014 |
|||
| ? | 01010-50616 | • • • BOLT | 2 | SN: 10001-10014 |
|||
| ? | 01602-20619 | • • • WASHER | 2 | SN: 10001-10014 |
|||
| ? | 01641-20608 | • • • WASHER | 2 | SN: 10001-10014 |
|||
| ? | 381-972288-1 | • • • KEY ASS'Y,R.H. | 1 | SN: 10001-10014 |
