| Номер на схеме | Каталожный номер | Название | Количество | Детали | |||
|---|---|---|---|---|---|---|---|
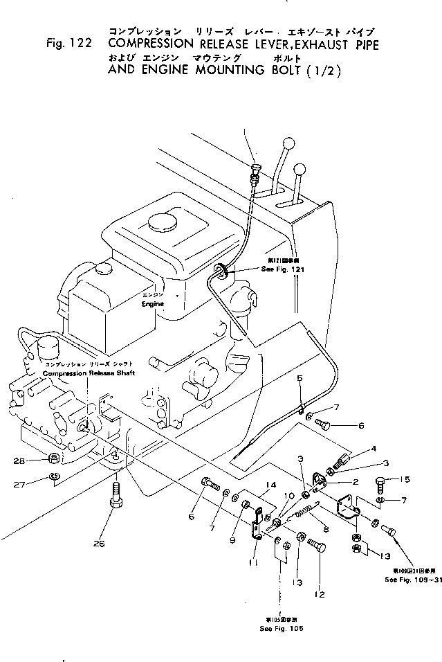
| ? | 266-20-48520 | WIRE | 1 | SN: 4501- |
|||
| ? | 2691-2-15600 | BRACKET | 1 | SN: 4501- |
|||
| ? | 01580-00806 | NUT | 2 | SN: 4501- |
|||
| ? | 266-20-38530 | BOLT | 1 | SN: 4501- |
|||
| ? | 265-82-12008 | CLIP | 1 | SN: 4501- |
|||
| ? | 01010-30612 | BOLT | 2 | SN: 4501- |
|||
| ? | 01602-00619 | WASHER | 3 | SN: 4501- |
|||
| ? | 2691-2-15420 | SPRING | 1 | SN: 4501- |
|||
| ? | 2691-2-15530 | COLLAR | 1 | SN: 4501- |
|||
| ? | 2691-2-15520 | BLOCK | 1 | SN: 4501- |
|||
| ? | 2691-2-15510 | LEVER | 1 | SN: 4501- |
|||
| ? | 01010-30616 | BOLT | 1 | SN: 4501- |
|||
| ? | 01580-00605 | NUT | 3 | SN: 4501- |
|||
| ? | 01640-20610 | WASHER | 2 | SN: 4501- |
|||
| ? | 01010-30630 | BOLT | 1 | SN: 4501- |
|||
| ? | 2691-2-17220 | GASKET | 1 | SN: 4501- |
|||
| ? | 01010-30825 | BOLT | 2 | SN: 4501- |
|||
| ? | 01602-00825 | WASHER | 2 | SN: 4501- |
|||
| ? | 01580-00806 | NUT | 2 | SN: 4501- |
|||
| ? | 266-20-44101 | PIPE | 1 | SN: 4681- |
|||
| ? | 266-20-44100 | PIPE | 1 | SN: 4501-4680 |
|||
| ? | 01010-31020 | BOLT | 4 | SN: 4501- |
|||
| ? | 01602-01030 | WASHER | 4 | SN: 4501- |
|||
| ? | 266-20-44400 | PIPE | 1 | SN: 4501- |
|||
| ? | 01010-30820 | BOLT | 2 | SN: 4501- |
|||
| ? | 01602-00825 | WASHER | 2 | SN: 4501- |
|||
| ? | 01010-31445 | BOLT | 4 | SN: 4501- |
|||
| ? | 01602-01442 | WASHER | 4 | SN: 4501- |
|||
| ? | 01580-01411 | NUT | 4 | SN: 4501- |
