| Номер на схеме | Каталожный номер | Название | Количество | Детали | |||
|---|---|---|---|---|---|---|---|
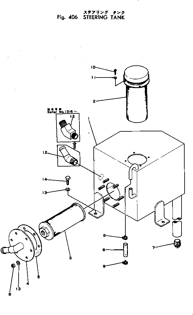
| ? | 2691-6-17100 | TANK ASS'Y | 1 | SN: 1001- |
|||
| ? | 2691-6-13801 | • TANK | 1 | SN: 1081- |
|||
| ? | 2691-6-13800 | • TANK | 1 | SN: 1001-1080 |
|||
| ? | 2691-6-13711 | • BREATHER | 1 | SN: 1081- |
|||
| ? | 2691-6-13710 | • BREATHER | 1 | SN: 1001-1080 |
|||
| ? | 2691-6-13720 | • FILTER | 1 | SN: 1001- |
|||
| ? | 2691-6-13900 | • FLANGE | 1 | SN: 1001- |
|||
| ? | 2691-6-13730 | • GASKET | 1 | SN: 1001- |
|||
| ? | 07270-01070 | • TUBE | 1 | SN: 1001- |
|||
| ? | 07042-00415 | • PLUG | 1 | SN: 1001- |
|||
| ? | 01580-30806 | • NUT | 6 | SN: 1001- |
|||
| ? | 266-92-10012 | • CLAMP | 2 | SN: 1001- |
|||
| ? | 01235-40510 | • SCREW | 4 | SN: 1001- |
|||
| ? | 01601-00513 | • WASHER | 4 | SN: 1001- |
|||
| ? | 267-11-31453 | • ELBOW | 1 | SN: 1316- |
|||
| ? | 2691-6-18100 | • ELBOW | 1 | SN: 1001-1315 |
|||
| ? | 01602-00825 | WASHER | 9 | SN: 1001- |
|||
| ? | 01010-30820 | BOLT | 3 | SN: 1001- |
