k-part
Номер на схеме Каталожный номер Название Количество Детали
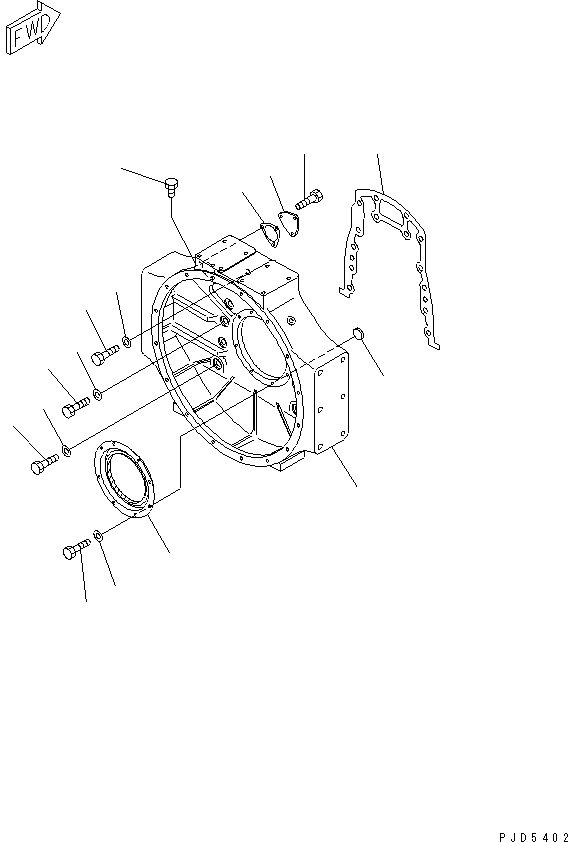
? 6162-23-4131 HOUSING,FLYWHEEL 1
SN: 16525-
? 07046-11516 PLUG 8
SN: 16525-
? 6127-21-4815 GASKET 1
SN: 16525-
? 01010-61870 BOLT 3
SN: 16525-
? 01010-61855 BOLT 7
SN: 16525-
? 01010-61845 BOLT 4
SN: 16525-
? 01643-31845 WASHER 14
SN: 16525-
? 6162-23-4251 SEAL ? REAR 1
SN: 16525-
? 01010-81020 BOLT 8
SN: 16525-
? 01641-01016 WASHER 8
SN: 16525-
? 6150-21-4730 PLATE 1
SN: 16525-
? 6150-21-4741 GASKET 1
SN: 16525-
? 01010-81020 BOLT 3
SN: 16525-
? 6672-12-6290 PLUG 1
SN: 16525-

Diesel Generators Komatsu / EGS650       SA6D170A-1(KDP0064C) / FLYWHEEL HOUSING(#16525-)(030540 : A2210-A6B6Z)
?
?
?
?
?
?
?
?
?
?
?
?
?
?
?
?