k-part
Номер на схеме Каталожный номер Название Количество Детали
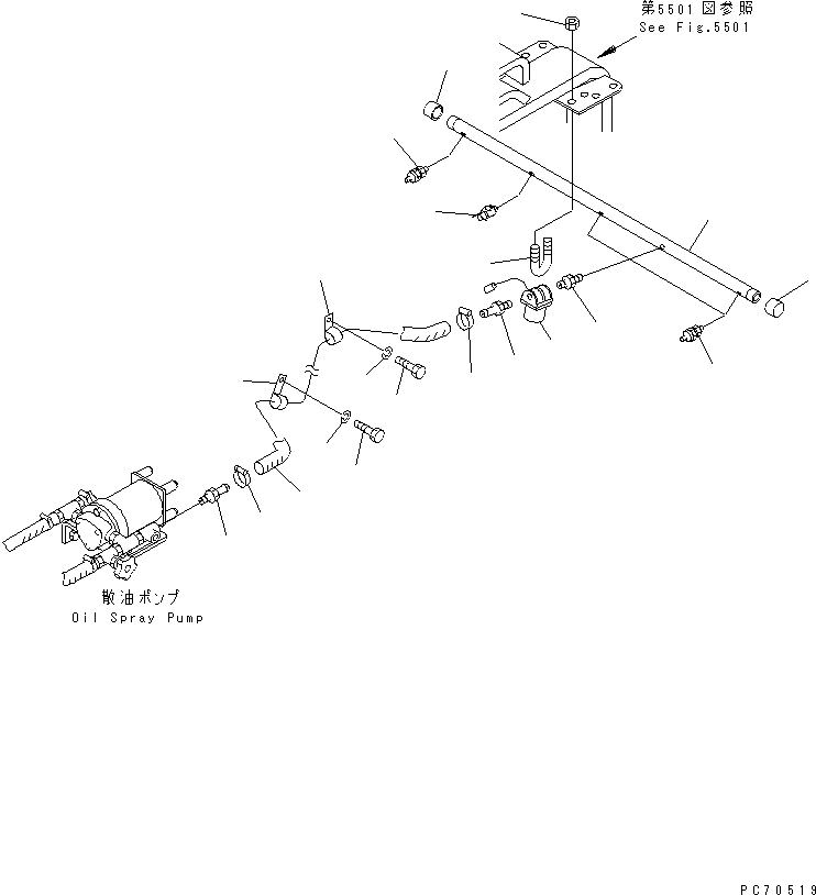
? 258-20-27523 HOSE 1
SN: 2001-
? 07281-10137 CLAMP 2
SN: 2001-
? 257-80-15610 NIPPLE 2
SN: 2001-
? 258-80-26410 VALVE,OIL SPRAY 1
SN: 2001-
? 07325-00100 NIPPLE 1
SN: 2001-
? 257-80-46310 PIPE 1
SN: 2001-
? 07283-22236 CLIP 2
SN: 2001-
? 01599-01011 NUT 4
SN: 2001-
? 266-15-08000 CAP 2
SN: 2001-
? 258-80-26420 NOZZLE 3
SN: 2001-
? 258-85-14710 VALVE 1
SN: 2001-
? 265-82-13012 CLIP 2
SN: 2001-
? 01010-50820 BOLT 1
SN: 2001-
? 01010-50825 BOLT 1
SN: 2001-
? 01602-20825 WASHER,SPRING 2
SN: 2001-

Rollers Komatsu / JW30-2 S/N 2001-UP(jw30-2r) / OIL SPRAY PIPING (4/4) (REAR NOZZLE LINE)(150210 : 6514)
?
?
?
?
?
?
?
?
?
?
?
?
?
?
?
?
?
?
?
?
?