| Номер на схеме | Каталожный номер | Название | Количество | Детали | |||
|---|---|---|---|---|---|---|---|
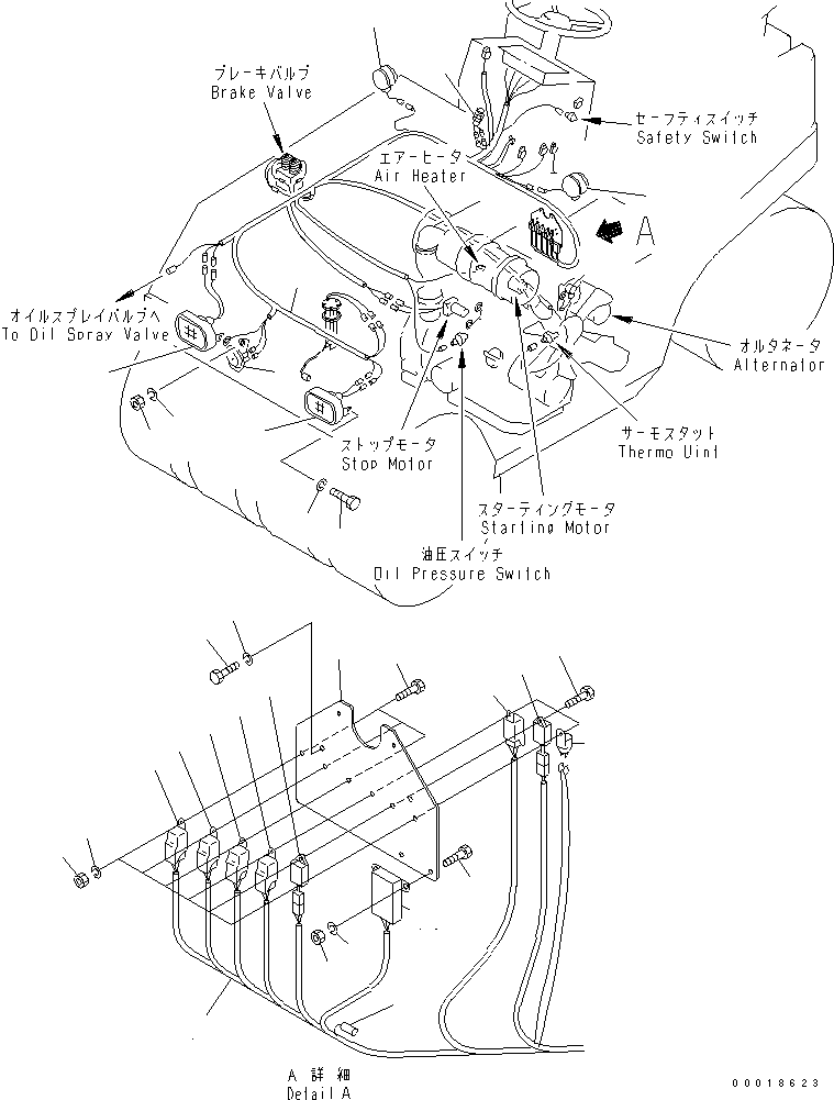
| ? | 2691-2-16200 | LAMP ASS'Y,HEAD | 2 | SN: 2001- |
|||
| ? | 2691-2-16260 | • BULB ? 25W | 1 | SN: 2001- |
|||
| ? | 01010-80820 | BOLT | 4 | SN: 2001- |
|||
| ? | 01602-20825 | WASHER,SPRING | 4 | SN: 2001- |
|||
| ? | 265-20-13623 | HORN | 1 | SN: 2001- |
|||
| ? | 01580-10806 | NUT | 1 | SN: 2001- |
|||
| ? | 01602-20825 | WASHER,SPRING | 1 | SN: 2001- |
|||
| ? | 257-20-56800 | HARNESS | 1 | SN: 2201- |
|||
| ? | 258-20-16920 | LAMP,TURN SIGNAL | 2 | SN: 2001- |
|||
| ? | 258-20-26950 | SWITCH,STOP LAMP | 1 | SN: 2001- |
|||
| ? | 258-20-16841 | CABLE,ENGINE EARTH | 1 | SN: 2001- |
|||
| ? | 258-20-16410 | RELAY,FLASHER | 1 | SN: 2001- |
|||
| ? | YM128300-77920 | TIMER,AIR HEATER | 1 | SN: 2001- |
|||
| ? | YM119650-77910 | RELAY,GLOW | 1 | SN: 2201- |
|||
| ? | 258-20-26360 | RELAY,STARTER | 1 | SN: 2001- |
|||
| ? | 258-20-26360 | RELAY,BRAKE | 1 | SN: 2001- |
|||
| ? | 258-20-26360 | RELAY,SPLINKLER STOP | 1 | SN: 2001- |
|||
| ? | 257-20-56890 | PLATE | 1 | SN: 2201- |
|||
| ? | 01010-80816 | BOLT | 2 | SN: 2201- |
|||
| ? | 01602-20825 | WASHER,SPRING | 2 | SN: 2001- |
|||
| ? | 01010-80620 | BOLT | 8 | SN: 2201- |
|||
| ? | 01580-10605 | NUT | 8 | SN: 2201- |
|||
| ? | 01602-20619 | WASHER,SPRING | 8 | SN: 2201- |
|||
| ? | 258-20-26360 | RELAY,WATER SPRAY | 1 | SN: 2001- |
|||
| ? | 258-20-26360 | RELAY,OIL SPRAY | 1 | SN: 2001- |
|||
| ? | 265-20-13370 | CAP | 1 | SN: 2001- |
|||
| ? | YM119643-66900 | DIODE | 1 | SN: 2001- |
|||
| ? | YM129211-77920 | TIMER | 1 | SN: 2201- |