| Номер на схеме | Каталожный номер | Название | Количество | Детали | |||
|---|---|---|---|---|---|---|---|
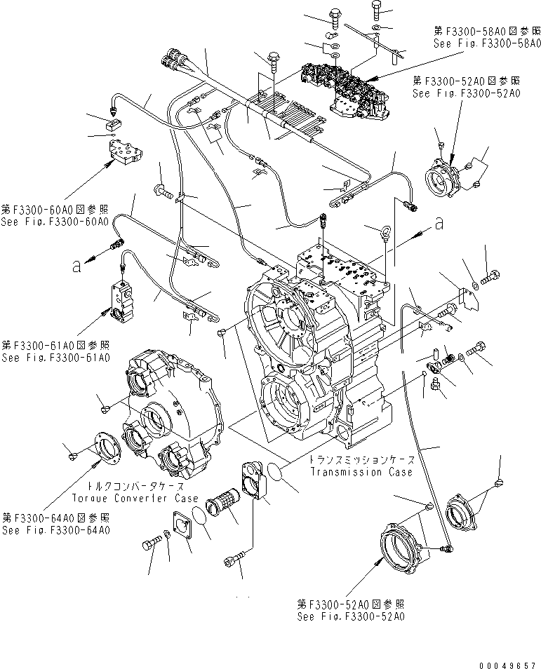
| ? | (56D-13-20002) | TRANSMISSION ASS'Y | 1 | SN: 2138- KIT-FLAG: _- SERIALNO: 2138- |
|||
| ? | (□56D-13-20000) | TRANSMISSION ASS'Y | 1 | SN: 2001-2137 KIT-FLAG: _- SERIALNO: 2001-2137 |
|||
| ? | THESE ASSEMBLIES CONSIST OF ALL PARTS SHOWN IN FIGS.F3300-51A0 TO F3300-64A0. | SERIALNO: |
|||||
| ? | 6693-22-5600 | • VALVE ASS'Y | 1 | SN: 2001- KIT-FLAG: _- SERIALNO: 2001- |
|||
| ? | ☆ | • • BODY | 1 | SN: 2001- KIT-FLAG: _- SERIALNO: 2001- |
|||
| ? | 6693-22-5620 | • • VALVE | 1 | SN: 2001- KIT-FLAG: _- SERIALNO: 2001- |
|||
| ? | 07040-02412 | • • PLUG | 1 | SN: 2001- KIT-FLAG: _- SERIALNO: 2001- |
|||
| ? | 04020-00514 | • • PIN | 1 | SN: 2001- KIT-FLAG: _- SERIALNO: 2001- |
|||
| ? | 07000-73028 | • O-RING (K1) | 1 | SN: 2001- KIT-FLAG: _- SERIALNO: 2001- |
|||
| ? | 01010-81025 | • BOLT | 2 | SN: 2001- KIT-FLAG: _- SERIALNO: 2001- |
|||
| ? | 01643-31032 | • WASHER | 2 | SN: 2001- KIT-FLAG: _- SERIALNO: 2001- |
|||
| ? | 56D-15-19311 | • STRAINER | 2 | SN: 2652- KIT-FLAG: _- SERIALNO: 2652- |
|||
| ? | ♦56D-15-19310 | • STRAINER | 2 | SN: 2001-2651 KIT-FLAG: _- SERIALNO: 2001-2651 |
|||
| ? | 07000-72105 | • O-RING (K1) | 4 | SN: 2001- KIT-FLAG: _- SERIALNO: 2001- |
|||
| ? | 56D-15-15140 | • BLOCK | 2 | SN: 2001- KIT-FLAG: _- SERIALNO: 2001- |
|||
| ? | 14X-49-12340 | • COVER | 2 | SN: 2001- KIT-FLAG: _- SERIALNO: 2001- |
|||
| ? | 01010-81290 | • BOLT | 4 | SN: 2001- KIT-FLAG: _- SERIALNO: 2001- |
|||
| ? | 01643-31232 | • WASHER | 4 | SN: 2001- KIT-FLAG: _- SERIALNO: 2001- |
|||
| ? | 01252-71265 | • BOLT | 4 | SN: 2001- KIT-FLAG: _- SERIALNO: 2001- |
|||
| ? | 56D-15-25860 | • COVER | 1 | SN: 2001- KIT-FLAG: _- SERIALNO: 2001- |
|||
| ? | 56D-15-15870 | • COVER | 1 | SN: 2001- KIT-FLAG: _- SERIALNO: 2001- |
|||
| ? | 01010-81020 | • BOLT | 2 | SN: 2001- KIT-FLAG: _- SERIALNO: 2001- |
|||
| ? | 01643-31032 | • WASHER | 2 | SN: 2001- KIT-FLAG: _- SERIALNO: 2001- |
|||
| ? | 01011-81000 | • BOLT | 2 | SN: 2001- KIT-FLAG: _- SERIALNO: 2001- |
|||
| ? | 01643-31032 | • WASHER | 2 | SN: 2001- KIT-FLAG: _- SERIALNO: 2001- |
|||
| ? | 7861-93-2330 | • SENSOR | 4 | SN: 2001- KIT-FLAG: _- SERIALNO: 2001- |
|||
| ? | 7861-93-3320 | • SENSOR | 2 | SN: 2001- KIT-FLAG: _- SERIALNO: 2001- |
|||
| ? | 421-06-35121 | • SENSOR | 1 | SN: 2001- KIT-FLAG: _- SERIALNO: 2001- |
|||
| ? | 56D-15-29610 | • BLOCK | 1 | SN: 2001- KIT-FLAG: _- SERIALNO: 2001- |
|||
| ? | 07000-72021 | • O-RING (K1) | 1 | SN: 2001- KIT-FLAG: _- SERIALNO: 2001- |
|||
| ? | 56D-15-25811 | • WIRING HARNESS | 1 | SN: 2001- KIT-FLAG: _- SERIALNO: 2001- |
|||
| ? | 23S-61-25290 | • CLIP | 1 | SN: 2001- KIT-FLAG: _- SERIALNO: 2001- |
|||
| ? | 04434-51810 | • CLIP | 1 | SN: 2001- KIT-FLAG: _- SERIALNO: 2001- |
|||
| ? | 01643-51032 | • WASHER | 2 | SN: 2001- KIT-FLAG: _- SERIALNO: 2001- |
|||
| ? | 01435-01025 | • BOLT | 1 | SN: 2001- KIT-FLAG: _- SERIALNO: 2001- |
|||
| ? | 08036-21014 | • CLIP | 1 | SN: 2001- KIT-FLAG: _- SERIALNO: 2001- |
|||
| ? | 08034-00414 | • BAND | 7 | SN: 2001- KIT-FLAG: _- SERIALNO: 2001- |
|||
| ? | 07049-01215 | • PLUG | 9 | SN: 2001- KIT-FLAG: _- SERIALNO: 2001- |
|||
| ? | 07049-01012 | • PLUG | 4 | SN: 2001- KIT-FLAG: _- SERIALNO: 2001- |
|||
| ? | 08193-20010 | • CLIP | 7 | SN: 2001- KIT-FLAG: _- SERIALNO: 2001- |
|||
| ? | 01435-01016 | • BOLT | 9 | SN: 2001- KIT-FLAG: _- SERIALNO: 2001- |
|||
| ? | 04530-12030 | • BOLT,EYE | 2 | SN: 2001- KIT-FLAG: _- SERIALNO: 2001- |