| Номер на схеме | Каталожный номер | Название | Количество | Детали | |||
|---|---|---|---|---|---|---|---|
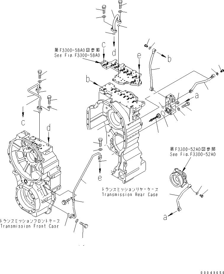
| ? | (56D-13-20002) | TRANSMISSION ASS'Y | 1 | SN: 2138- KIT-FLAG: _- SERIALNO: 2138- |
|||
| ? | (□56D-13-20000) | TRANSMISSION ASS'Y | 1 | SN: 2001-2137 KIT-FLAG: _- SERIALNO: 2001-2137 |
|||
| ? | THESE ASSEMBLIES CONSIST OF ALL PARTS SHOWN IN FIGS.F3300-51A0 TO F3300-64A0. | SERIALNO: |
|||||
| ? | 56D-15-18140 | • TUBE | 1 | SN: 2001- KIT-FLAG: _- SERIALNO: 2001- |
|||
| ? | 56D-15-18151 | • TUBE | 1 | SN: 2001- KIT-FLAG: _- SERIALNO: 2001- |
|||
| ? | 56D-15-18161 | • TUBE | 1 | SN: 2001- KIT-FLAG: _- SERIALNO: 2001- |
|||
| ? | 56D-15-29850 | • JOINT | 6 | SN: 2001- KIT-FLAG: _- SERIALNO: 2001- |
|||
| ? | 07005-02416 | • SEAL, WASHER | 12 | SN: 2001- KIT-FLAG: _- SERIALNO: 2001- |
|||
| ? | 04434-51510 | • CLIP | 1 | SN: 2001- KIT-FLAG: _- SERIALNO: 2001- |
|||
| ? | 01435-01016 | • BOLT | 1 | SN: 2001- KIT-FLAG: _- SERIALNO: 2001- |
|||
| ? | 56D-15-18111 | • TUBE | 1 | SN: 2001- KIT-FLAG: _- SERIALNO: 2001- |
|||
| ? | 01010-81060 | • BOLT | 1 | SN: 2001- KIT-FLAG: _- SERIALNO: 2001- |
|||
| ? | 01010-81040 | • BOLT | 3 | SN: 2001- KIT-FLAG: _- SERIALNO: 2001- |
|||
| ? | 07000-73025 | • O-RING (K1) | 2 | SN: 2001- KIT-FLAG: _- SERIALNO: 2001- |
|||
| ? | 56D-15-18121 | • TUBE | 1 | SN: 2001- KIT-FLAG: _- SERIALNO: 2001- |
|||
| ? | 56D-15-18130 | • TUBE | 1 | SN: 2001- KIT-FLAG: _- SERIALNO: 2001- |
|||
| ? | 01010-81055 | • BOLT | 3 | SN: 2001- KIT-FLAG: _- SERIALNO: 2001- |
|||
| ? | 01010-81035 | • BOLT | 5 | SN: 2001- KIT-FLAG: _- SERIALNO: 2001- |
|||
| ? | 07000-73022 | • O-RING (K1) | 4 | SN: 2001- KIT-FLAG: _- SERIALNO: 2001- |
|||
| ? | 01643-51032 | • WASHER | 12 | SN: 2001- KIT-FLAG: _- SERIALNO: 2001- |
|||
| ? | 56D-15-15131 | • BLOCK | 1 | SN: 2001- KIT-FLAG: _- SERIALNO: 2001- |
|||
| ? | 07043-70617 | • PLUG | 1 | SN: 2001- KIT-FLAG: _- SERIALNO: 2001- |
|||
| ? | 01010-81290 | • BOLT | 5 | SN: 2001- KIT-FLAG: _- SERIALNO: 2001- |
|||
| ? | 01643-31232 | • WASHER | 5 | SN: 2001- KIT-FLAG: _- SERIALNO: 2001- |
|||
| ? | 07000-72060 | • O-RING (K1) | 1 | SN: 2001- KIT-FLAG: _- SERIALNO: 2001- |
|||
| ? | 07000-73028 | • O-RING (K1) | 1 | SN: 2001- KIT-FLAG: _- SERIALNO: 2001- |
|||
| ? | 56D-15-19320 | • VALVE ASS'Y | 1 | SN: 2001- KIT-FLAG: _- SERIALNO: 2001- |