k-part
Номер на схеме Каталожный номер Название Количество Детали
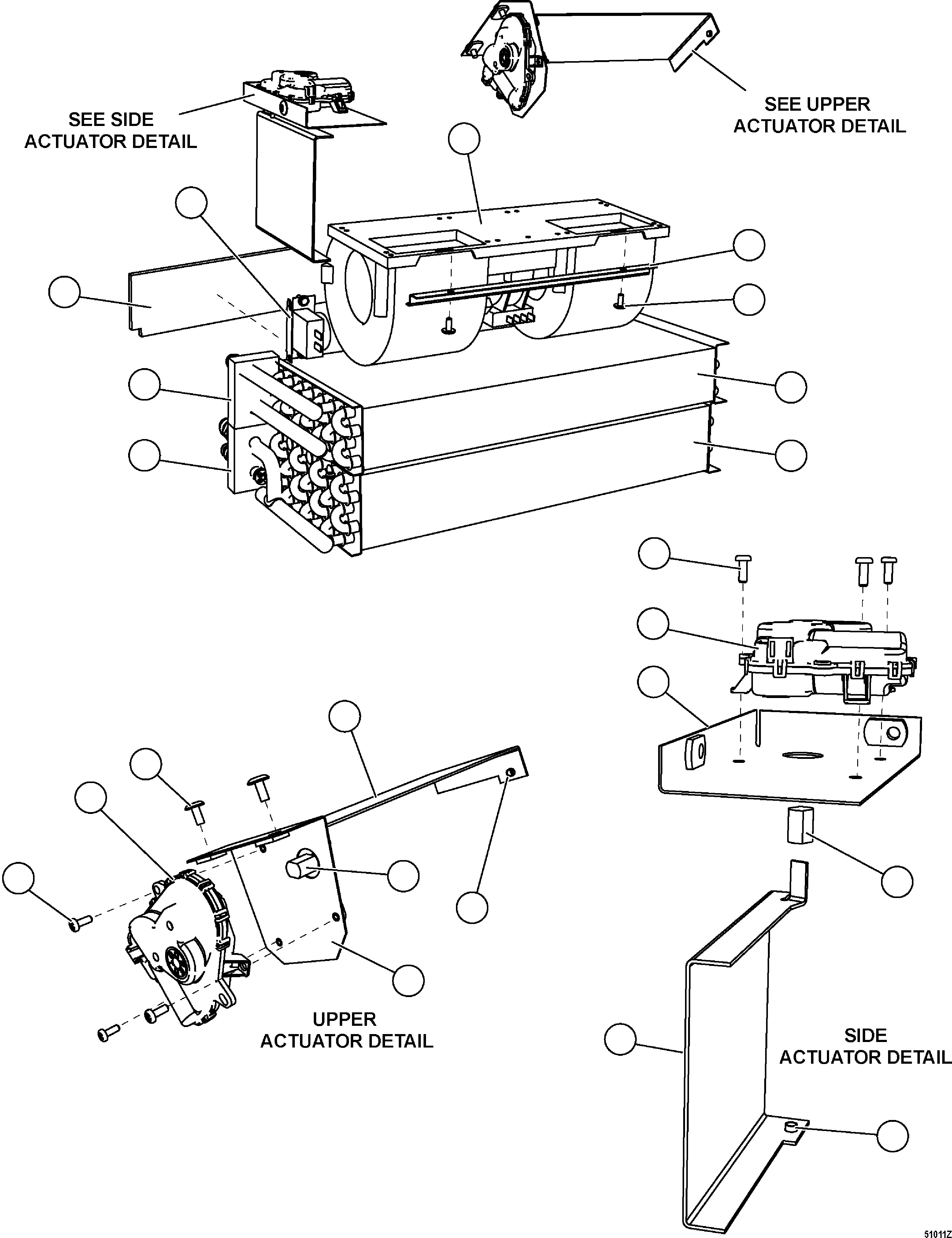
? PC2600 HVAC ASS'Y 1
SN: 80001-
KIT-FLAG: _-
SERIALNO: 80001-
? EM0053 • BLOWER ASS'Y 1
SN: 80001-
KIT-FLAG: _-
SERIALNO: 80001-
? EM0094 • BLOWER,RETAINER 1
SN: 80001-
KIT-FLAG: _-
SERIALNO: 80001-
? EM0067 • SCREW 4
SN: 80001-
KIT-FLAG: _-
SERIALNO: 80001-
? EM0052 • HEATER CORE 1
SN: 80001-
KIT-FLAG: _-
SERIALNO: 80001-
? EM0051 • EVAPORATOR,CORE 1
SN: 80001-
KIT-FLAG: _-
SERIALNO: 80001-
? EM0083 • SCREW 6
SN: 80001-
KIT-FLAG: _-
SERIALNO: 80001-
? EM0060 • ACTUATOR 2
SN: 80001-
KIT-FLAG: _-
SERIALNO: 80001-
? EM0075 • BRACKET 1
SN: 80001-
KIT-FLAG: _-
SERIALNO: 80001-
? EM0089 • DRIVE,ADAPTER 2
SN: 80001-
KIT-FLAG: _-
SERIALNO: 80001-
? EM0086 • PIVOT,BUSHING 2
SN: 80001-
KIT-FLAG: _-
SERIALNO: 80001-
? EM0091 • DAMPER DOOR,SIDE 1
SN: 80001-
KIT-FLAG: _-
SERIALNO: 80001-
? EM0073 • BRACKET,BRACKET 1
SN: 80001-
KIT-FLAG: _-
SERIALNO: 80001-
? EM0090 • DAMPER DOOR,UP 1
SN: 80001-
KIT-FLAG: _-
SERIALNO: 80001-
? EM0072 • FOAM 2
SN: 80001-
KIT-FLAG: _-
SERIALNO: 80001-
? EM0071 • FOAM 1
SN: 80001-
KIT-FLAG: _-
SERIALNO: 80001-
? EM0062 • THERMOSTAT 1
SN: 80001-
KIT-FLAG: _-
SERIALNO: 80001-

Dump Trucks Komatsu / HD1500-7 S/N 80001-80137(HD1500-C) / HVAC ASSEMBLY (2/2) (PC2600)(#80001-)(210740 : G0365)
?
?
?
?
?
?
?
?
?
?
?
?
?
?
?
?
?
?
?
?
?
?